В общем, затею с хоум-мейдовой ардуиной на чипе FT232RL я оставил. Причин тому несколько:
1) дороговизна чипа FT232RL - от 150 рублей за штуку;
2) трудность пайки чипа FT232RL.
Затем решил взяться за хоум-мейдовую ардуину на более дешевом чипе max232cpe (стоимость: 30-40 рублей), вот что из этого вышло:

- freeduino на max232cpe, верхняя сторона

- freeduino на max232cpe, нижняя сторона
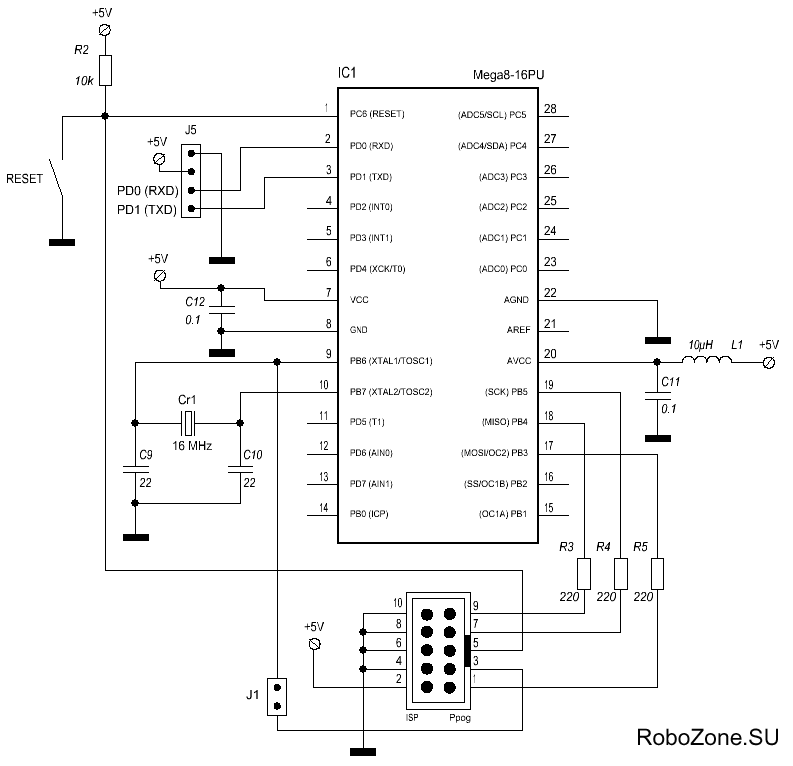
Однако от этого варианта я пока отказался в пользу еще более простой платы - контроллера mrc28, найденного на сайте robozone.su . Плата это, в отличие от предыдущих, односторонняя и более легкая в изготовлении ввиду большего размера:

- сравнительные размеры хоум-мейдовых ардуин (слева направо: freeduino на ft232rl, freeduino на max232cpe, mrc28 на max232cpe)

- mrc28, залуженная глицериновым методом
P.S. а на следующей картинке наглядно показано, почему нельзя распечатывать ЛУТ-шаблоны на
заправленных лазерных принтерах - высока вероятность того, что плата протравится неравномерно: