Как собрать и запрограммировать робота на Arduino(Freeduino, Roboduino, Seeduino ...). Используем Wiring и Processing.
=DeaD= » 09 июн 2010, 22:19
И лучше сразу в EAGLE - это как ни как стандарт де-факто, что для ардуино, что для OR.
Заодно вашу схему сможем проверить. А по печатке я точно не возьмусь смотреть - это куча лишнего времени потраченного впустую.
-

=DeaD=
-
- Сообщения: 24218
- Зарегистрирован: 06 окт 2004, 18:01
- Откуда: Ебург
- прог. языки: C++ / PHP / 1C
- ФИО: Антон Ботов
-
Paiko » 09 июн 2010, 22:24
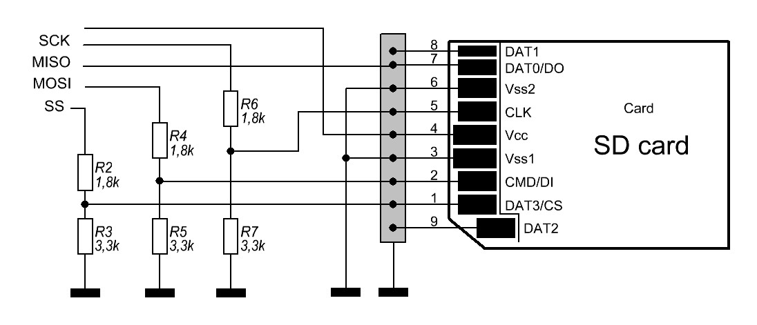
Вот схема обвязки сд карты.
Добавлено спустя 1 минуту 18 секунд:
В игле разобраться толком не могу...
Буду пробовать...
- Вложения
-

-
Paiko
-
- Сообщения: 14
- Зарегистрирован: 27 ноя 2009, 12:40
- Откуда: Мурманск
- прог. языки: C\C++
- ФИО: Камбулин Иван
blindman » 10 июн 2010, 04:10
Если ориентироваться на работу с модулями Open Robotics - делители не нужны. Питание модулей- трехвольтовое
Проект
[[Open Robotics]] - универсальные модули для построения роботов
Модули Open Robotics можно приобрести в магазине
shop.roboforum.ru
Day OFF? You must be pulling my leg! Stop making humor before someone sees you, fool!
-

blindman
-
- Сообщения: 4130
- Зарегистрирован: 29 апр 2008, 21:15
- Откуда: Хабаровск
- прог. языки: C,C++,Assembler,PHP,Javascript,Ruby, SPIN,Java(?)
- ФИО: Андрей Юрьевич
-
=DeaD= » 10 июн 2010, 06:58
Так он через дуню хочет... там наверное 5В
-

=DeaD=
-
- Сообщения: 24218
- Зарегистрирован: 06 окт 2004, 18:01
- Откуда: Ебург
- прог. языки: C++ / PHP / 1C
- ФИО: Антон Ботов
-
Paiko » 10 июн 2010, 07:50
На дуне 3х вольтового стабилизатора нет, так что буду ставить его на плате с кортой...
Хотя пин 3.3в на дуине есть.. но эт помоему для запитывания контроллера от внешнего источника.
-
Paiko
-
- Сообщения: 14
- Зарегистрирован: 27 ноя 2009, 12:40
- Откуда: Мурманск
- прог. языки: C\C++
- ФИО: Камбулин Иван
d3xr » 30 июн 2010, 20:54
Не может она 3.3 питаться. Либо 6..20 через внутренний стабилизатор, либо от чистых 5В напрямую.
-

d3xr
-
- Сообщения: 201
- Зарегистрирован: 01 июн 2010, 08:04
- Откуда: Казань
-
Вернуться в Arduino и другие Xduino
Кто сейчас на конференции
Сейчас этот форум просматривают: нет зарегистрированных пользователей и гости: 0