roboforum.ru

Технический форум по робототехнике.

ардуино+микрофон+мотор

Как собрать и запрограммировать робота на Arduino(Freeduino, Roboduino, Seeduino ...). Используем Wiring и Processing.

Re: ардуино+микрофон+мотор

Сообщение Ворон » 25 фев 2010, 02:25

olesya писал(а):http://grathio.com/2009/11/secret-knock-detecting-door-lock.html это сикрет нок

а амплифаер я еще пока не спаяла - я думаю:) как что куда и зачем:)

удобная схемка предварительного усилительного каскада на микрофон, но она нужна по моему мнению для полноценной обработки звука...для схемы дунул-крутится излишняя..

Добавлено спустя 2 минуты 6 секунд:
неа это разделитльный конденсатор (электролитически ,подключеный на делительнапряжения (резистивный)

Олеся искренне советую найти тут на форуме ветку по Протеус, это электронный симулятор электрических схем и деталей, и в нем покапаться вам это очень поможет))
Последний раз редактировалось Ворон 25 фев 2010, 02:27, всего редактировалось 1 раз.
Ворон
 
Сообщения: 1054
Зарегистрирован: 24 ноя 2008, 19:43
Откуда: Казань

Re: ардуино+микрофон+мотор

Сообщение olesya » 25 фев 2010, 02:28

а какой нужен для схемы дунул - крутится?

Добавлено спустя 2 минуты 1 секунду:
Ворон писал(а): ну так требуется что мотор враЩался , а размер амплитуды и будет сила с которой дуют)))а с какой детальки снимется эта амплитуда АЦП входом не суть важно не так ли?
Я не знаю по этому и спрашиваю.
olesya
 
Сообщения: 30
Зарегистрирован: 16 фев 2010, 17:48
Откуда: London

Re: ардуино+микрофон+мотор

Сообщение Ворон » 25 фев 2010, 02:28

нужна программа отслеживающая размер колебаний на входе АЦП...
Ворон
 
Сообщения: 1054
Зарегистрирован: 24 ноя 2008, 19:43
Откуда: Казань

Re: ардуино+микрофон+мотор

Сообщение galex1981 » 25 фев 2010, 02:34

Можно на операционном усилителе каскад сделать а с выхода сигнал на АЦП
if(!Operate) Read(pDatasheet);
Аватара пользователя
galex1981
 
Сообщения: 4363
Зарегистрирован: 04 дек 2008, 22:44
Откуда: Камышин
Skype: galk-aleksandr1
прог. языки: Kotlin, Java, C, C++, Assm, BasCom, VB, php
ФИО: Галкин Александр Владимирович

Re: ардуино+микрофон+мотор

Сообщение olesya » 25 фев 2010, 02:40

мх-мх, а можно на языке чайников что такое программа отслеживающая размер колебаний на входе АЦП и Можно на операционном усилителе каскад сделать а с выхода сигнал на АЦП?
olesya
 
Сообщения: 30
Зарегистрирован: 16 фев 2010, 17:48
Откуда: London

Re: ардуино+микрофон+мотор

Сообщение Angel71 » 25 фев 2010, 02:48

galex1981,



Ворон писал(а):ну так требуется что мотор враЩался , а размер амплитуды и будет сила с которой дуют)))а с какой детальки снимется эта амплитуда АЦП входом не суть важно не так ли?

:) по сути да :oops: единственно мы воспринимаем её в логарифмической зависимости, хотя пожалуй это и не существенно в данном случае
Аватара пользователя
Angel71
 
Сообщения: 10668
Зарегистрирован: 18 апр 2009, 22:18
Предупреждения: -1

Re: ардуино+микрофон+мотор

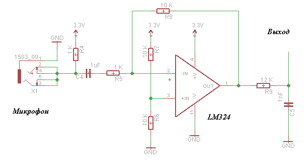
Сообщение galex1981 » 25 фев 2010, 02:49

Схема на операционном усилителе:
Вложения
1234.PNG
if(!Operate) Read(pDatasheet);
Аватара пользователя
galex1981
 
Сообщения: 4363
Зарегистрирован: 04 дек 2008, 22:44
Откуда: Камышин
Skype: galk-aleksandr1
прог. языки: Kotlin, Java, C, C++, Assm, BasCom, VB, php
ФИО: Галкин Александр Владимирович

Re: ардуино+микрофон+мотор

Сообщение Angel71 » 25 фев 2010, 02:55

olesya,
vois_image012.gif
Аватара пользователя
Angel71
 
Сообщения: 10668
Зарегистрирован: 18 апр 2009, 22:18
Предупреждения: -1

Re: ардуино+микрофон+мотор

Сообщение olesya » 25 фев 2010, 03:00

у меня нет детальки лм324

а тот который я покупала усилитель то ли не работает то ли я не туда все подключала. в смысле проводки которые от него идут gnd, in, gnd, out, +, -
olesya
 
Сообщения: 30
Зарегистрирован: 16 фев 2010, 17:48
Откуда: London

Re: ардуино+микрофон+мотор

Сообщение galex1981 » 25 фев 2010, 03:03

Необязательно LM324 - можно любой другой. Это типовая схема подключения операционного усилителя
if(!Operate) Read(pDatasheet);
Аватара пользователя
galex1981
 
Сообщения: 4363
Зарегистрирован: 04 дек 2008, 22:44
Откуда: Камышин
Skype: galk-aleksandr1
прог. языки: Kotlin, Java, C, C++, Assm, BasCom, VB, php
ФИО: Галкин Александр Владимирович

Re: ардуино+микрофон+мотор

Сообщение Angel71 » 25 фев 2010, 03:06

olesya, там у вас на усилителе еще "крутилка" есть (это та, которая "потенциометр"). он громкость регулирует
Аватара пользователя
Angel71
 
Сообщения: 10668
Зарегистрирован: 18 апр 2009, 22:18
Предупреждения: -1

Re: ардуино+микрофон+мотор

Сообщение olesya » 25 фев 2010, 03:10

galex1981, это все схема одного усилителя? тогда мне кажется та которую я выкладывала гораздо проще

Angel71, да есть крутилка и я знаю что она для громкости. Но во-первых у меня не получается вообще усилитель подключить, а во вторых когда все это засунется в "коробочку в которой будет проек там будет видно только микрофон
olesya
 
Сообщения: 30
Зарегистрирован: 16 фев 2010, 17:48
Откуда: London

Re: ардуино+микрофон+мотор

Сообщение Angel71 » 25 фев 2010, 03:13

в коробочке и в коробочке, это не проблема. отрегулируете и больше его трогать не обязательно.
Аватара пользователя
Angel71
 
Сообщения: 10668
Зарегистрирован: 18 апр 2009, 22:18
Предупреждения: -1

Re: ардуино+микрофон+мотор

Сообщение olesya » 25 фев 2010, 03:18

ок, но у меня не получается его подключить, я в проводах путаюсь
olesya
 
Сообщения: 30
Зарегистрирован: 16 фев 2010, 17:48
Откуда: London

Re: ардуино+микрофон+мотор

Сообщение galex1981 » 25 фев 2010, 03:20

Так нарисуй отдельно на бумаге по инструкции какой куда провод или стикеры на провода разные наклей
if(!Operate) Read(pDatasheet);
Аватара пользователя
galex1981
 
Сообщения: 4363
Зарегистрирован: 04 дек 2008, 22:44
Откуда: Камышин
Skype: galk-aleksandr1
прог. языки: Kotlin, Java, C, C++, Assm, BasCom, VB, php
ФИО: Галкин Александр Владимирович

Пред.След.

Вернуться в Arduino и другие Xduino

Кто сейчас на конференции

Сейчас этот форум просматривают: нет зарегистрированных пользователей и гости: 0

cron