Вопросы новичка.

Как собрать и запрограммировать робота на Arduino(Freeduino, Roboduino, Seeduino ...). Используем Wiring и Processing.

Re: Вопросы новичка.

Сообщение Angel71 » 08 ноя 2017, 20:04

пока ещё не на всех заводах по производству светодиодов работают мудаки. но в принцице для куба решаемо. для жёсткости проволока или спица на несколько рядов или на каждый. провод подобрать по толщине и цвету, допустим взять мгтф. ноги срезаются до нужной длины. паять одну из ног сразу на проволоку/спицу (спицы для вязания бывают из материалов, к которые плохо с пайкой дружат) или как крепить после создания сетки, другой момент. остальные выводы акуратно (как и с обычными кубами можно использовать просверленную деревяшку) припаять к проводам. по остальным двум осям такиеже проволки/спицы для жёсткости, допустим только две по краям или +езё одну по средине.
Аватара пользователя
Angel71
 
Сообщения: 10668
Зарегистрирован: 18 апр 2009, 22:18

Re: Вопросы новичка.

Сообщение dimamichev » 10 ноя 2017, 18:20

Ещё небольшой скетч-эффект.

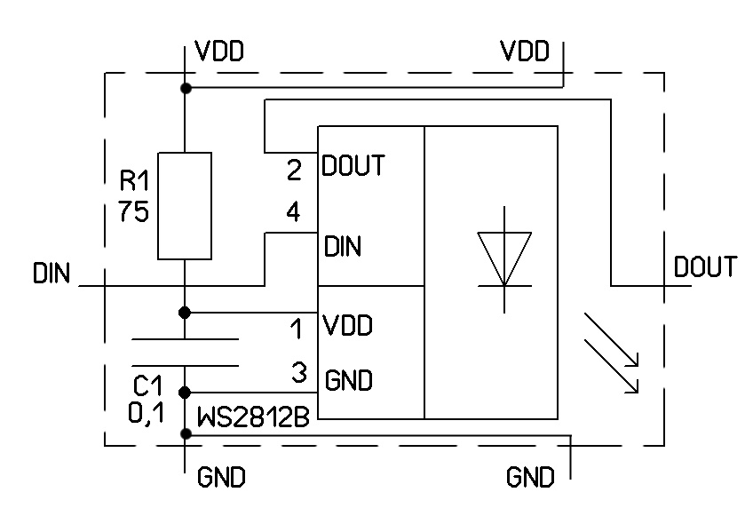
Рассмотрел поближе модуль с ws2812b,прозвонил тестером - схема немного интересная получилась.
Вложения
схема ячейка.jpg
модуль с WS2812B.jpg
Аватара пользователя
dimamichev
 
Сообщения: 1386
Зарегистрирован: 03 янв 2013, 16:27

Re: Вопросы новичка.

Сообщение dimamichev » 14 ноя 2017, 18:36

Во! Нашёл похожее. Особенно впечатляет подоконник, во второй части ролика. "Голые" ws2812b смотрятся компактней, но их явно тяжко паять. Да и по цене - что модуль, что отдельный пиксель.
http://thevideos.us/watch/ixRvfWgBMO8
Аватара пользователя
dimamichev
 
Сообщения: 1386
Зарегистрирован: 03 янв 2013, 16:27

Re: Вопросы новичка.

Сообщение dimamichev » 18 ноя 2017, 14:57

Наигрался с кубиком...Вариант с ws2812b, наверное самый доступный и реализуемый (на таблетках по 5 рублей, а не на сморчках по 10 :D-хотя и очень красивы ), расширение куба до 9*9*9 рационально за счёт смены уно на мегу...
Возникло желание (многие варианты кубов из интернета не управляемые) сделать на 2-3 потенциометрах регуляторы частоты переключения, смены режимов мигания,цветов и яркости свечения.Поэтому, вероятно придётся менять схему скетчей - цикл в цикле цикла с delay на какую то другую.
Аватара пользователя
dimamichev
 
Сообщения: 1386
Зарегистрирован: 03 янв 2013, 16:27

Re: Вопросы новичка.

Сообщение Madf » 20 ноя 2017, 13:20

Ну отлично, паяльником работать вроде научился, переходи на умение писать код (ибо "delay" - это смешно).
Памяти в "уно" предостаточно.
Madf
 
Сообщения: 3298
Зарегистрирован: 03 янв 2012, 12:55
Откуда: Москва
прог. языки: VB6, BASCOM, ASM...

Re: Вопросы новичка.

Сообщение dimamichev » 23 ноя 2017, 20:24

Такой пульт попробовал... с регулировкой частоты переключений и выбором программ. Для "переменников" достаточно устраивать опрос А0, А1 перед каждым delay(n); (в каждом режиме переключений их всего 1,2). А вот с УЗ датчиком и микрофоном трюк не пройдёт. Там, думаю, вместо delay(n); такую связку ставить - y2=millis();metka:y1=millis();if(y1-y2>=n){//пиши, если надо дополнительные команды перед следующим фрагментом кода//} else {//снимай данные с А0-А4, пиши команды по результатам данных// goto metka;}
Вложения
IMG_7146.JPG
IMG_7145.JPG
Аватара пользователя
dimamichev
 
Сообщения: 1386
Зарегистрирован: 03 янв 2013, 16:27

Re: Вопросы новичка.

Сообщение dimamichev » 25 ноя 2017, 17:38

Вместо delay (T1); пишем fun (T1);...по сигналу с акустического датчика псевдослучайно выбирается программа переключения (6 режимов) и темп (шаг 10мс до 100мс - значение Т) (при желании можно прописать уровень яркости куба). Воощем Новогодняя переключалка-хлопалка уже есть. :D
Код: Выделить всё
////////////////////////////////////////   ФУНКЦИИ ОПИСАНИЕ   //////////////////////////////////////////////////////////////////
void fun (int T1)
{
  y2=millis();metka6:y1=millis();if(y1-y2>=T1){}
else {if(digitalRead(10)==LOW){n=random(10,T);N=random(0,6);} goto metka6;}// вместо задержки времени через delay
}
////////////////////////////////////////////////////////////////////////////////////////////////////////////////////
Аватара пользователя
dimamichev
 
Сообщения: 1386
Зарегистрирован: 03 янв 2013, 16:27

Re: Вопросы новичка.

Сообщение dimamichev » 26 ноя 2017, 13:46

Микрофон смонтировал...грустно...Есть замысел продолжить кубоводство на pl9823 под управлением той же библиотеки что для ws2812b, но смущает схема (плюс резистор, плюс кондёр на каждый светодиод). Краем глаза заметил, что есть ещё в природе pl9834 с интересным включением (стрелка справа). Кто нибудь пробовал их использовать на практике? Как они управляются? Есть ли библиотека под управление? Или хоть какая то информация "по русски"? Пока "тяготюсь" на такие:
https://ru.aliexpress.com/item/5-1000pc ... eLevelAB=3
Вложения
HT1gdRoFFJcXXagOFbXD.jpg
IMG_7150.JPG
Аватара пользователя
dimamichev
 
Сообщения: 1386
Зарегистрирован: 03 янв 2013, 16:27

Re: Вопросы новичка.

Сообщение dimamichev » 01 дек 2017, 20:46

Вот, вроде дядька не по даташиту всё сделал...без резисторов и конденсаторов, значит можно рискнуть.
Аватара пользователя
dimamichev
 
Сообщения: 1386
Зарегистрирован: 03 янв 2013, 16:27

Re: Вопросы новичка.

Сообщение dimamichev » 10 дек 2017, 16:22

Пришли умные светодиоды, оказались коротконогими, посему решил городить огород с резисторами и конденсаторами как и для ws2812b - спаял пробный слой. Смонтировал поликарбонатный скворечник под ёлку на про мини 16Кб, 5В,ws2812b и акустическим переключателем.
Вложения
IMG_7163.JPG
IMG_7156.JPG
IMG_7161.JPG
IMG_7160.JPG
Аватара пользователя
dimamichev
 
Сообщения: 1386
Зарегистрирован: 03 янв 2013, 16:27

Re: Вопросы новичка.

Сообщение dimamichev » 28 дек 2017, 22:32

Вот такой куб с ручным управлением планируется"отскетчить"...
Вложения
IMG_7183.JPG
Аватара пользователя
dimamichev
 
Сообщения: 1386
Зарегистрирован: 03 янв 2013, 16:27

Re: Вопросы новичка.

Сообщение dimamichev » 01 янв 2018, 22:56

Новогодняя мигалка.
Аватара пользователя
dimamichev
 
Сообщения: 1386
Зарегистрирован: 03 янв 2013, 16:27

Re: Вопросы новичка.

Сообщение Madf » 02 янв 2018, 11:56

отражатели стекла всё портят (имхо)
Madf
 
Сообщения: 3298
Зарегистрирован: 03 янв 2012, 12:55
Откуда: Москва
прог. языки: VB6, BASCOM, ASM...

Re: Вопросы новичка.

Сообщение dimamichev » 02 янв 2018, 18:51

Без поликарбонатного колпака, на ws2812b скетч так работает...
Аватара пользователя
dimamichev
 
Сообщения: 1386
Зарегистрирован: 03 янв 2013, 16:27

Re: Вопросы новичка.

Сообщение dimamichev » 08 янв 2018, 19:03

Утомился кубами (ясно с ними всё :D ), хочу теперь с сервоприводами и библиотекой "серво" заняться применительно к жукам-паукам. Начать с простого на двух сервах, как в видео.
https://www.youtube.com/watch?v=jZtFp__QuTc
Нашёл только этот ролик, странно, на 3 сервах и ИК управлении роликов про пауков много. Кто в курсе, подскажите какой угол между плоскостями серв надо брать?
Аватара пользователя
dimamichev
 
Сообщения: 1386
Зарегистрирован: 03 янв 2013, 16:27

Пред.След.

Вернуться в Arduino и другие Xduino

Кто сейчас на конференции

Сейчас этот форум просматривают: нет зарегистрированных пользователей и гости: 0

cron