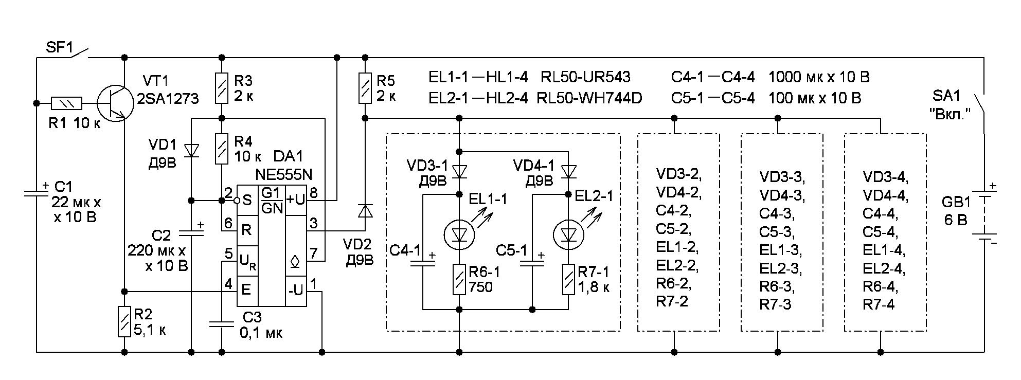
![]() |
roboforum.ruТехнический форум по робототехнике. |
|
.//////////////////////////////////////////////////////////////////////////////////////////////////////////////////////////////
//
// Arduino UNO
//
////////////////////////
//
//программа для управления алфавитом - исправленная //
int tabl[12]={540,1410,1355,1795,2130,1960,1245,540,2015,1355,1190,2070}; //ПРИВЕТ ДРУГ
int x=0;
int i=1;//счётчик, max значение определяет длительность удержания угла поворота
void setup()
{
pinMode(7,OUTPUT);//управляющий канал сервопривода
digitalWrite(7,LOW);
}
void loop()
{
x=x+1;//переход с буквы на букву
if(x>=12){x=0;}//условие повтора фразы
for (i=1;i<=75;i++)
{
digitalWrite(7, HIGH);
delayMicroseconds(tabl[x]);//длительность импульса
digitalWrite(7, LOW);
delayMicroseconds(10000-tabl[x]);//длительность паузы из 2 частей
delayMicroseconds(10000);
}
}
//
// Конец /
//
////////////////////////////////////////////////////////////////////////////////////////////////////////////////////////
dimamichev писал(а): можно использовать и в образовании, и в медицине
dimamichev писал(а):Не, я так быстро не могу...

/////////////////////////////////////////////////////////////////////////////////////////////////////////////////////////////
//
// Arduino UNO
//
////////////////////////
//
//программа для светодиодной матрицы 8*8 и max7219 //
#include "LedControl.h"//подключаем данную библиотеку
int i=0;int j=0;
int tabl[8][8]={0,0,0,0,0,0,0,0,
0,1,1,0,0,1,1,0,
1,0,0,1,1,0,0,1,
1,0,0,0,0,0,0,1,
0,1,0,0,0,0,1,0,
0,0,1,0,0,1,0,0,
0,0,0,1,1,0,0,0,
0,0,0,0,0,0,0,0};// храним картинку в массиве
LedControl LC = LedControl(12, 11, 10, 1);// создаём объект класса для 1 индикатора
// при этом выводы 12-DIN 11-CLKC 10-CS //
void setup()
{
LC.shutdown(0, false);//выключаем энергосберегающий режим
LC.setIntensity(0, 12);// устанавливаем интенсивность в 12 единиц между 0 и 15
LC.clearDisplay(0);//очищаем дисплей
}
void loop()
{
LC.setIntensity(0, 12);
for (j=0;j<=7;j++)//цикл в цикле для перебора элементов массива
{
for (i=0;i<=7;i++)
{
LC.setLed(0, i, j, true);//последовательное включение каждого светодиода матрицы
delay(150);
LC.setLed(0, i, j, tabl[i][j]);//включение,оставление включёнными только светодиодов контура картинки
}
}
delay(1000);
for (j=6;j>=0;j=j-6)//цикл биения сердца - переключение изображения картинки
{
LC.shutdown(0, true);
delay(300);
LC.shutdown(0, false);
LC.setIntensity(0, j);// угасание сердца
delay(1000);
}
LC.clearDisplay(0);
}
//
// Конец /
//
////////////////////////////////////////////////////////////////////////////////////////////////////////////////////////Вернуться в Arduino и другие Xduino
Сейчас этот форум просматривают: нет зарегистрированных пользователей и гости: 0