Открыл википедию про акселерометр - кажущееся ускорение,гравитационное ускорение,истинное ускорение...охренеть...ИСО и НЕИСО вам в помощь...
Злоба твоя мне не поможет... Но не об этом "счас"...Вот скетч и "схема" старой моей конструкции на новый лад. Генератор случайных чисел иногда выбрасывает сразу 4 одинаковых числа - человечек не шелохнется ("а по сценарию должен"). Как в программе это легче всего исправить? (простой вопрос - может будет простой ответ по существу?)
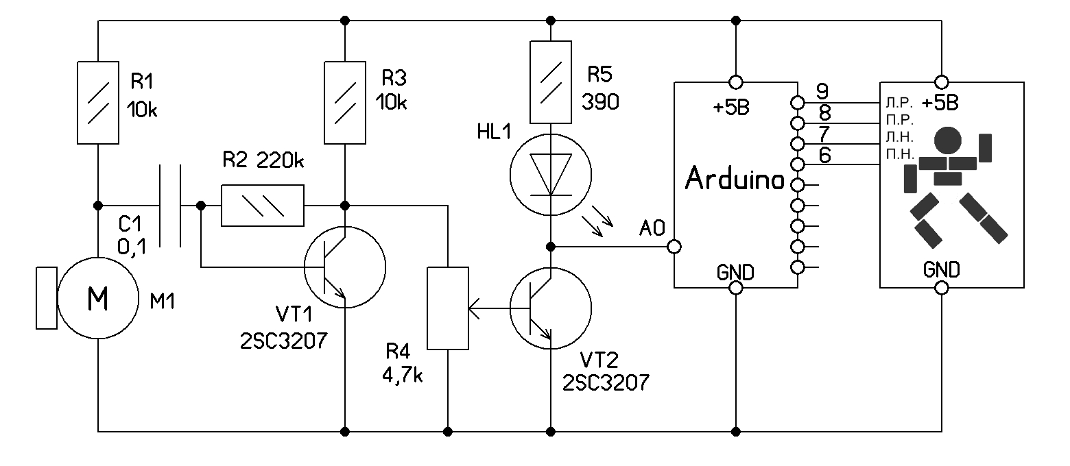
А про вращающиеся диски, грузики на пружинке давно надоело.., а с ардуиной до этого мне ещё далеко...Вот и "алес" ЧЕЛОВЕК мой дорогой...
- Код: Выделить всё • Развернуть
//////////////////////////////////////////////////////////////////////////////////////////////////////////////////////////////
//
// Arduino UNO
//
////////////////////////
//
//Программа акустического переключения танцующего человечка//
unsigned int x=0;
void setup()
{
pinMode(6, OUTPUT); //канал сигнала для левой руки /
digitalWrite(6,LOW);
pinMode(7, OUTPUT); //канал сигнала для правой руки /
digitalWrite(7,LOW);
pinMode(8, OUTPUT); //канал сигнала для левой ноги /
digitalWrite(8,LOW);
pinMode(9, OUTPUT); //канал сигнала для правой ноги /
digitalWrite(9,LOW);
pinMode(A0, INPUT); // подключение датчика/
}
void loop()
{
x=analogRead(A0);
if (x<=650)//если звуковой сигнал получен...
{
digitalWrite(6,random (0,2));//псевдослучайно меняем логическое состояние выходов...
digitalWrite(7,random (0,2));
digitalWrite(8,random (0,2));
digitalWrite(9,random (0,2));
delay(300);
}
}
//
// Конец /
//
/////////////////////////////////////////////////////////////////////////////////////////////////////////////////////////////////


Хватит обзываться...Можно дотошно, надоедливо, аргументированно отстаивать, тем более в теме и физики и инженеры и радиация...
просто вырезать прямоугольнички и прикрыть плату. у рекламщиков можно заказать вырезать из листового пластика дырки, ещё у них есть двухцветные пластики и станки, на которых они его обработать могут. ещё сверху можно краской покрыть, допустим что бы сделать зеркальную поверхность. нужно залить, так полно всего. различные варианты на эпоксидных смолах, силиконовые герметики и т.д. и т.п., к которым ещё добавки можно (как минимум для изменения цвета). некоторые полимеры элементарно переплавлять. если покрутив по сторонам головой в неё ничего светлого не приходит, тогда запомнив волшебное слово "соплемёт" на рынок или по магазинам.