![]() |
roboforum.ruТехнический форум по робототехнике. |
|
//////////////////////////////////////////////////////////////////////////////////////////////////////////////////////////////
//
// Arduino UNO
//
////////////////////////
//
//программа ЭМИ вариант со светодиодами //
unsigned int n=0;
unsigned int x=0;
unsigned int n1=0;
unsigned int x1=0;
long y1=0;
long y2=0;
int i=0;
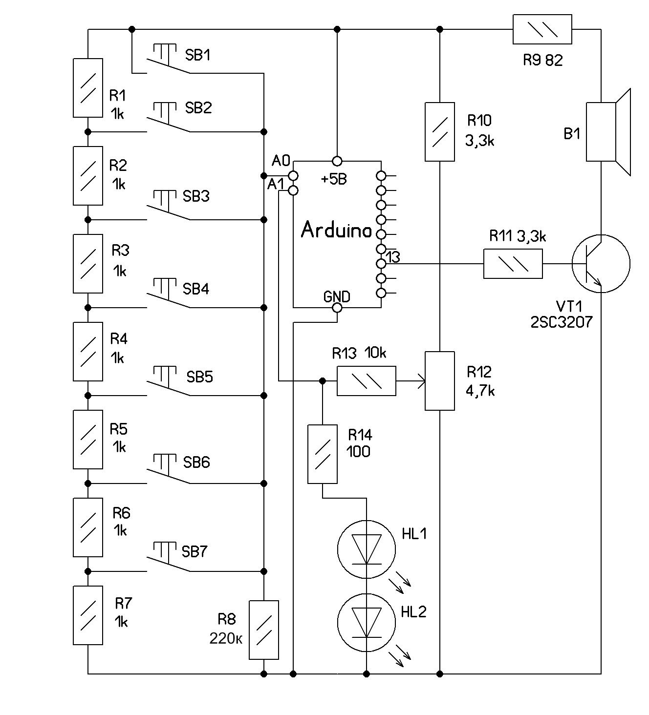
int tabl [8] ={0,261,293,329,349,392,
440,494 }; // зашифрованные данные нот – их частоты
void setup()
{
pinMode(13, OUTPUT);
digitalWrite(13, LOW);
pinMode(A0, INPUT);
}
void loop()
{
x=analogRead(A0); n=map(x, 0, 1025, 0, 8);
if ( n>0) {tone (13, tabl[n]);} // исполнение вызванной ноты
else { noTone(13) ;}
//////////////// /////////////// мигающие светодиоды с регулятором частоты ////////////////////////////////////////
y2=millis(); pinMode(A1, INPUT);x1=analogRead(A1); n1=map(x1, 0, 700, 100, 2000);
pinMode(15, OUTPUT);if (i==1){digitalWrite(15,HIGH);}else{digitalWrite(15,LOW);}
if ( y2-y1>=n1&i==1) {y1=y2;i=0;} if ( y2-y1>=n1&i==0) {y1=y2;i=1;}
////////////////////////////////////////////////////////////////////////////////////////////////////////////////////////////////////
}
//
// Конец /
//
/////////////////////////////////////////////////////////////////////////////////////////////////////////////////////////////////////
;меняем просто 8 на 9 на 10 - и стало быть и т.д. (конечно не забываем про массив с частотами нот). Вообщем можно и 25 кнопок посадить.Angel71 писал(а):Dmitry__, халтурщик

Angel71 писал(а):всё равно нужно правильно определять, что нажата конкретная кнопка, а не эта фигня, где при нажатии нескольких кнопок будет определяться или не та кнопка или вообще непонятно что происходить будет
Angel71 писал(а):дальше не адекватный код, не отлавливающий, что нажато непонятно что и ещё дальше элементарно может сработать то, что срабатывать не должно
x=analogRead(A0); n=map(x, 0, 1025, 0, 8);
if ( n>0) {tone (13, tabl[n]);} // исполнение вызванной ноты
else { noTone(13) ;
Angel71 писал(а):так схема и код сильно связаны.




Тут не асы письками меряются. Ну не видит он на повторенной тобой картинке проблем, и что? Какой совет-то будет? Перепахать 100500 талмудов по электронике? А, ты это уже сделал
. Пройди мимо...

Angel71 писал(а):т.е. не осилил предыдущее сообщение, молодец. на схеме хоть хоть один нормальный блок сначала найди
Angel71 писал(а):перед двумя смайликами хорошо подумал?
Обзывать уважаемого Диму халтурщиком можно, а тебя лошарой нельзя? Я против таких правил 
Вернуться в Arduino и другие Xduino
Сейчас этот форум просматривают: нет зарегистрированных пользователей и гости: 0