roboforum.ru

Технический форум по робототехнике.


2 скорости

Шестерни и колёса, тяги и тросики... Каркасы, скелеты ...

2 скорости

Сообщение varava12 » 11 июл 2010, 09:34

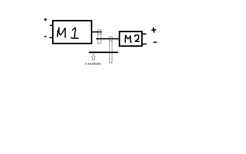
Добрый день всем!появилась идея сделать 2 скорости у машинки. Реализовать хочу так : включается М1 - первая скорость, М2 - вторая. Вопрос заключается в следующем: на сколько велика будет нагрузка на двигатели и аккумулятор что бы вхолостую вращать неработающий в данный момент двигатель. И вообще-целесообразно ли применять такую схему? Какие есть варианты?
Вложения
схема.jpg
varava12
 
Сообщения: 15
Зарегистрирован: 29 май 2010, 21:31

Re: 2 скорости

Сообщение =DeaD= » 11 июл 2010, 09:47

Нецелесообразно. Если М1 более менее нормально будет крутить М2, то наоборот М2 прифигеет крутить М1.
Проект [[Open Robotics]] - Универсальные модули для построения роботов
Аватара пользователя
=DeaD=
 
Сообщения: 24218
Зарегистрирован: 06 окт 2004, 18:01
Откуда: Ебург
прог. языки: C++ / PHP / 1C
ФИО: Антон Ботов

Re: 2 скорости

Сообщение vadinator » 11 июл 2010, 10:21

Может лучше подумать о регулировке скорости одного мотора...
Роботы, уже среди нас...
Прошу прощения за аватар, никак схему динамической индикации не могу настроить :)
Аватара пользователя
vadinator
 
Сообщения: 979
Зарегистрирован: 19 янв 2010, 14:51
Откуда: Петрозаводск
прог. языки: C, FBD, Wiring-Processimg,,,LD, SFC, ST...
ФИО: Вадим

Re: 2 скорости

Сообщение avr123.nm.ru » 11 июл 2010, 10:25

Вместо мотра резистор можно поставить или типа того.

А можно оба мотора на одну шестерню нагрузить.

Но с 1 мотором прикольней.
Читайте !
Аватара пользователя
avr123.nm.ru
отсылающий читать курс
 
Сообщения: 14195
Зарегистрирован: 06 ноя 2005, 04:18
Откуда: Москва
Предупреждения: -8

Re: 2 скорости

Сообщение varava12 » 11 июл 2010, 10:31

avr123.nm.ru писал(а):Вместо мотра резистор можно поставить или типа того.

А можно оба мотора на одну шестерню нагрузить.

Но с 1 мотором прикольней.

Не понял о чём вы?

Добавлено спустя 30 секунд:
vadinator писал(а):Может лучше подумать о регулировке скорости одного мотора...

Если уменьшать скорость уменьшением напряжения-уменьшиться и мощность, а я хочу как бы подобие коробки передач - пониженная и повышенная передачи.

Добавлено спустя 1 минуту 1 секунду:
Может кто знает как по-другому чё нить придумать можно?
varava12
 
Сообщения: 15
Зарегистрирован: 29 май 2010, 21:31

Re: 2 скорости

Сообщение =DeaD= » 11 июл 2010, 10:33

Так изучайте, как делают коробки передач ;)
Проект [[Open Robotics]] - Универсальные модули для построения роботов
Аватара пользователя
=DeaD=
 
Сообщения: 24218
Зарегистрирован: 06 окт 2004, 18:01
Откуда: Ебург
прог. языки: C++ / PHP / 1C
ФИО: Антон Ботов

Re: 2 скорости

Сообщение varava12 » 11 июл 2010, 10:37

А где ж такое найти-то? :)
Последний раз редактировалось blindman 11 июл 2010, 10:51, всего редактировалось 1 раз.
Причина: Излишнее цитирование!!!
varava12
 
Сообщения: 15
Зарегистрирован: 29 май 2010, 21:31

Re: 2 скорости

Сообщение AnyWay » 11 июл 2010, 16:56

varava12 писал(а):Если уменьшать скорость уменьшением напряжения-уменьшиться и мощность, а я хочу как бы подобие коробки передач - пониженная и повышенная передачи.

Можно не уменьшать мощность уменьшением напряжения, а увеличивать мощность увеличением напряжения :D
Ставьте один мотор помощней или, действительно, два мотора на одну шестерню(скорость можно будет изменять переключая их с параллельного на последовательное соединение)
AnyWay
 
Сообщения: 96
Зарегистрирован: 16 мар 2010, 17:42
Откуда: Калуга

Re: 2 скорости

Сообщение Angel71 » 11 июл 2010, 17:59

:crazy: какая ещё коробка передач для электромотора? шим видать просто так придумывали
Аватара пользователя
Angel71
 
Сообщения: 10668
Зарегистрирован: 18 апр 2009, 22:18
Предупреждения: -1

Re: 2 скорости

Сообщение =DeaD= » 11 июл 2010, 18:03

Так с тем же успехом можно сказать "Какая еще коробка передач для бензинового двигателя? Педаль газа видимо просто так придумывали" :crazy:
Проект [[Open Robotics]] - Универсальные модули для построения роботов
Аватара пользователя
=DeaD=
 
Сообщения: 24218
Зарегистрирован: 06 окт 2004, 18:01
Откуда: Ебург
прог. языки: C++ / PHP / 1C
ФИО: Антон Ботов

Re: 2 скорости

Сообщение MegaBIZON » 11 июл 2010, 18:44

не соглашусь. Ваще почти со всеми тут не соглашусь.
У маленткого электромоторчика скорость так быстро возрастает, что нереально поймать рациональный момент для переключения на очередную передачу. Тоесть КПП как таковая электромотору в самом деле ни к чему. Нужна она только моторам низкооборотистым и тяговитым. А это не про электромоторы.
А вот с шимом (на сколько я правильно его понимаю) соглашусь.
.............солнце светит, птички поют, я - зелёный бамбук меня тянет к солнцуЯ - зелёный бамбук, я - зелёный бамбук , меня тянет к солнцу. Я - не огурчик и не лягушка, я - зелёный бамбук. Меня курят...............
Аватара пользователя
MegaBIZON
 
Сообщения: 6285
Зарегистрирован: 12 янв 2007, 00:34
Откуда: Масква

Re: 2 скорости

Сообщение Angel71 » 11 июл 2010, 18:56

:) да не используют [почти] коробки для электромоторов, ни на электрокарах, ни на rc моделях. управляют скоростью вращения именно моторов, а как можно на таком типе мотора управлять скоростью? :roll: шим
Аватара пользователя
Angel71
 
Сообщения: 10668
Зарегистрирован: 18 апр 2009, 22:18
Предупреждения: -1

Re: 2 скорости

Сообщение =DeaD= » 11 июл 2010, 19:22

MegaBIZON писал(а):КПП как таковая электромотору в самом деле ни к чему.

Для игрушечных применений или для всяких погрузчиков - да, а для серьезных применений типа электромобилей - еще как нужна.
Проект [[Open Robotics]] - Универсальные модули для построения роботов
Аватара пользователя
=DeaD=
 
Сообщения: 24218
Зарегистрирован: 06 окт 2004, 18:01
Откуда: Ебург
прог. языки: C++ / PHP / 1C
ФИО: Антон Ботов

Re: 2 скорости

Сообщение Angel71 » 11 июл 2010, 19:38

:) не на всех электромобилях есть кпп, на то есть свои причины. в данном случае, она имхо наф не впала. 2 мотора идея тоже не из лучших.
Аватара пользователя
Angel71
 
Сообщения: 10668
Зарегистрирован: 18 апр 2009, 22:18
Предупреждения: -1

Re: 2 скорости

Сообщение =DeaD= » 11 июл 2010, 19:40

Angel71 писал(а)::) не на всех электромобилях есть кпп

Вот это уже совсем другое дело :) кстати, а на каких серьезных электромобилях, по типу автомобилей общего пользования, её нету?

А тут конечно не надо для игрушечных применений :)
Проект [[Open Robotics]] - Универсальные модули для построения роботов
Аватара пользователя
=DeaD=
 
Сообщения: 24218
Зарегистрирован: 06 окт 2004, 18:01
Откуда: Ебург
прог. языки: C++ / PHP / 1C
ФИО: Антон Ботов

След.

Вернуться в Механика

Кто сейчас на конференции

Сейчас этот форум просматривают: нет зарегистрированных пользователей и гости: 4