Дешевая микросерва TG9e (обзор, параметры, переделка)

Шестерни и колёса, тяги и тросики... Каркасы, скелеты ...

Дешевая микросерва TG9e (обзор, параметры, переделка)

Сообщение Michael_K » 09 апр 2010, 17:59

Итак, я только что получил посылочку. В посылочке, помимо всего прочего, пришли вот такие сервы:
TG9e на Хоббисити

Так как я вижу, что существует сильный дефицит информации о сервах,
(начиная с важных размеров, кончая электрическими параметрами, устройством и т.п.),
то в этой теме я постараюсь описать ее максимально подробно.

Самые первые фотки и видео:
P4090011.JPG

P4090003.JPG

P4090010.JPG



Сервы пришли в пакетиках. Комплект на картинке:
P4090006.JPG


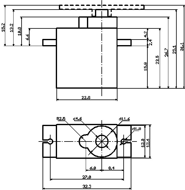
Размеры снял штангеном.
TG9e.jpg

ВНИМАНИЕ!!! Размеры ТОЛЬКО для справки.
Корпус сделан экструзией и имеет не совсем перпендикулярные стенки,
поэтому размер вдоль сервы "гуляет" на пару "десяток".
Проверка и сообщения об ошибках приветствуются.

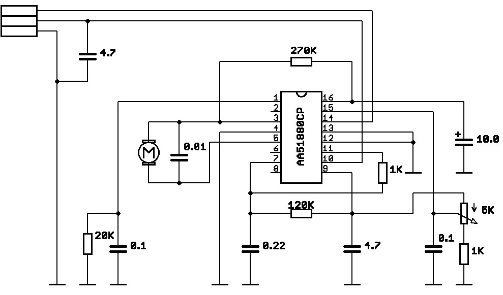
Серва собрана на микросхеме AA51880
Даташит:
AA51880.PDF
(285.71 КиБ) Скачиваний: 0


Плата:
P4090005.JPG

P4090007.JPG


Схема (мог наглючить), номиналы емкостей - практически "на глаз" :wink:
TG9e_sch.jpg


Редуктор:
P4100015.JPG


Сразу же обнаружилась мелкая неприятность. Выходная шестерня насажена на вал потенциомера
"на трении". Вал потенциометра не имеет шлица - только довольно мелкую накатку.
Потенциометр вынимается в сторону редуктора.

Шестерни:
P4100016.JPG

Четырехступенчатая передача:

9/48 - 10/38 - 8/32 - 8/32

5.33 * 3.8 * 4 * 4 = 324.26666666

Очевидно, можно попробовать выкинуть шестеренку, чтобы ускорить серву в 3.8 * 4 = 15.2 раза.
Получим порядка полутора тысяч оборотов в минуту при моменте сто грамм на сантиметр...
Это может пригодиться для мелкой "живности".

______________________________

Я решил начать с переделки сервы для постоянного вращения.
Для этого разбираем ее:
disassembled.JPG


Откусываем ноги потенциометра, отпаиваем провода потенциометра от платы.
Аккуратно спиливаем движок и ограничители хода с оси потенциометра.
На плату допаиваем два резистора (мне под руку попались двухкилоомные).
Вот что у меня получилось:
modified1.JPG

Плата с одной стороны.
Виден срез движка потенциометра (вправо-вниз от оси).
Дополнительный резистор - самый левый на плате с маркировкой "202" - 2 килоома.

modified2.JPG

Плата с другой стороны. Еще один "лишний" резистор на плате слева-сверху.
Пришлось зачистить маску прямо на дорожке, чтобы его припаять.

Откусываем ограничитель хода с последней шестеренки.
Мне пришлось еще чуть-чуть подчистить лезвием.
На фотке шестерня уже без ограничителя.
modified3.JPG


Собираем:


Что не понравилось. Практически невозможно поймать "стоячее" положение.
Оно плавает. Серва может медленно крутиться в одну сторону в среднем положении,
потом постоять и начать ползти в другую сторону.

Следующим шагом будет попытка увеличить мертвую зону и зону управления скоростью.

______________________________

Итак, чтобы увеличить мертвую зону и надежно попадать в стоячее положение,
нужно увеличивать резистор, который идет с ноги 11 на ногу 7.
На плате он стоИт рядом с восьмой ногой микросхемы. Я заменил его на 4K7.
Стоячее положение стало получаться надежно. В принципе на этом можно было бы остановиться.

Но хотелось еще получить более плавное управление скоростью.
Для этого пришлось уменьшить резистор идущий с ноги 3 на ногу 16.
На плате он стоит рядом с 16-й ногой микросхемы.
Я впаял ему в параллель сто килоом.

При этом уползло (сместилось) среднее положение.
Пришлось подобрать резисторный делитель (который я поставил вместо потенциометра).
Результат - на видео.
В данном примере ширина импульса изменяется примерно от 600 микросекунд до 2100
(это соответствует максимальным скоростям в одну и в другую сторону).


В следующем опыте я попробую ускорить серву, выкинув одну шестеренку.

______________________________

Опыт с выкидыванием шестеренки прошел неудачно.
Этот моторчик просто не в состоянии крутить выходной вал сервы с таким малым передаточным числом.
(Вернее крутит, но только на больших скоростях - плавно управлять скоростью при этом не получается
- дергается).

Надо сказать, что было предприняты три попытки склеивания-расклеивания шестерней,
использованы все типы смазки, которые нашлись под рукой (от "мономолекулярного"
силиконового спрея до банальной графитки), "притирочные" прогоны и т.п.

Оказалось, что основным тормозом является вовсе не потенциометр (как я думал вначале),
а банальное трение выходной шестерни о корпус сервы...

Тем не менее, несмотря на все издевательства, серва выжила, за что была возвращена в
"первоначальный" (то есть до склеивания шестерней) вид.

Напоследок маленькое видео, оригинальная и модифицированная сервы
крутятся от одного и того же сигнала.


Завтра попробую снять электрические характеристики.
Последний раз редактировалось Michael_K 10 апр 2010, 23:56, всего редактировалось 23 раз(а).
Аватара пользователя
Michael_K
 
Сообщения: 6028
Зарегистрирован: 07 окт 2009, 00:29
Откуда: СПб

Re: Дешевая микросерва TG9e (обзор, параметры, переделка)

Сообщение Myp » 09 апр 2010, 18:25

вот тока на днях разобрал такую и сфоткал
тока руки никак не дойдут фотки на форум залить :)
<telepathmode>На вопросы отвечает Бригадир Телепатов!</telepathmode>
Всё уже придумано до нас!
Аватара пользователя
Myp
скрытый хозяин вселенной :)
 
Сообщения: 18018
Зарегистрирован: 18 сен 2006, 12:26
Откуда: Тверь по прозвищу Дверь
прог. языки: псевдокод =) сила в алгоритме!
ФИО: глубокоуважаемый Фёдор Анатольевич

Re: Дешевая микросерва TG9e (обзор, параметры, переделка)

Сообщение Angel71 » 09 апр 2010, 18:39

а что в комплекте к ней было? она в пакетике или в каробке? :oops: и какие чипы в ней?
Аватара пользователя
Angel71
 
Сообщения: 10668
Зарегистрирован: 18 апр 2009, 22:18

Re: Дешевая микросерва TG9e (обзор, параметры, переделка)

Сообщение =DeaD= » 09 апр 2010, 18:45

Насколько помню из описания на хоббисити - серва отличается малой надежностью - т.е. типа при жестких посадках авиамоделей или при других биениях по ней - легко выходит из строя, зато дешевле её не бывает :)
Проект [[Open Robotics]] - Универсальные модули для построения роботов
Аватара пользователя
=DeaD=
 
Сообщения: 24218
Зарегистрирован: 06 окт 2004, 18:01
Откуда: Ебург
прог. языки: C++ / PHP / 1C
ФИО: Антон Ботов

Re: Дешевая микросерва TG9e (обзор, параметры, переделка)

Сообщение Michael_K » 09 апр 2010, 19:26

Angel71 писал(а):а что в комплекте к ней было? она в пакетике или в каробке?

Обновил первый пост
Angel71 писал(а):и какие чипы в ней?

Не все сразу :)
Аватара пользователя
Michael_K
 
Сообщения: 6028
Зарегистрирован: 07 окт 2009, 00:29
Откуда: СПб

Re: Дешевая микросерва TG9e (обзор, параметры, переделка)

Сообщение avr123.nm.ru » 09 апр 2010, 20:43

Задумка хорошая, но информация в интернете есть и даже на русском языке - в статьях по аппаратуре для моделистов на http://rcdesign.ru
Читайте !
Аватара пользователя
avr123.nm.ru
отсылающий читать курс
 
Сообщения: 14195
Зарегистрирован: 06 ноя 2005, 04:18
Откуда: Москва

Re: Дешевая микросерва TG9e (обзор, параметры, переделка)

Сообщение Angel71 » 09 апр 2010, 21:27

кроме обзорных статей там почти ничего нет
Аватара пользователя
Angel71
 
Сообщения: 10668
Зарегистрирован: 18 апр 2009, 22:18

Re: Дешевая микросерва TG9e (обзор, параметры, переделка)

Сообщение Michael_K » 09 апр 2010, 21:44

avr123.nm.ru писал(а):информация в интернете есть и даже на русском языке


К сожалению, даже на ходовые сервы очень трудно
найти даже элементарные установочные и габаритные размеры.
(расстояние между крепежными отверстиями, скажем).

Точно так же трудно найти и элементарные электрические параметры
(ну к примеру, пиковый потребляемый ток).

Я просто хочу чуть-чуть заполнить эту пустоту.
Если вы можете предоставить конкретную дополнительную информацию,
вместо того чтобы давать ссылки "в никуда", то, думаю, все будут только рады.
Аватара пользователя
Michael_K
 
Сообщения: 6028
Зарегистрирован: 07 окт 2009, 00:29
Откуда: СПб

Re: Дешевая микросерва TG9e (обзор, параметры, переделка)

Сообщение avr123.nm.ru » 09 апр 2010, 22:53

Michael_K писал(а):
avr123.nm.ru писал(а):информация в интернете есть и даже на русском языке


К сожалению, даже на ходовые сервы очень трудно
найти даже элементарные установочные и габаритные размеры.
(расстояние между крепежными отверстиями, скажем).


Ну мой курс то наверно все знают, там есть задача про управлением группой сервоприводов и в самом начале параметры сервы популярной и эскизы
http://proavr.narod.ru/z13.htm
А главное даны 2 могучих источника по сервам где есь и их параметры и эскизы.

Добавлено спустя 43 секунды:
Angel71 писал(а):кроме обзорных статей там почти ничего нет

Имеющий глаза - да увидит !
Читайте !
Аватара пользователя
avr123.nm.ru
отсылающий читать курс
 
Сообщения: 14195
Зарегистрирован: 06 ноя 2005, 04:18
Откуда: Москва

Re: Дешевая микросерва TG9e (обзор, параметры, переделка)

Сообщение Michael_K » 10 апр 2010, 01:44

Понимаю, что апы запрещены, однако в первом топике инфы чуточку добавилось :wink:
Аватара пользователя
Michael_K
 
Сообщения: 6028
Зарегистрирован: 07 окт 2009, 00:29
Откуда: СПб

Re: Дешевая микросерва TG9e (обзор, параметры, переделка)

Сообщение Michael_K » 10 апр 2010, 21:01

Добавлена переделка для более уверенного управления скоростью. Типа, ап.
Схема исправлена - была ошибка.
Аватара пользователя
Michael_K
 
Сообщения: 6028
Зарегистрирован: 07 окт 2009, 00:29
Откуда: СПб

Re: Дешевая микросерва TG9e (обзор, параметры, переделка)

Сообщение pashteet » 11 апр 2010, 13:19

Отличный обзор :good:
Аватара пользователя
pashteet
 
Сообщения: 930
Зарегистрирован: 28 авг 2009, 12:50
Откуда: Волжский
Skype: pashok0988
ФИО: Павел Петрович

Re: Дешевая микросерва TG9e (обзор, параметры, переделка)

Сообщение TrashVigor » 13 апр 2010, 22:43

У меня TG серва, с металлическим редуктором вес 19г. 2.2кг/см. У нее от 90 до -90, ширина импульсов от 400мс до 2500мс
GIRUGAMESH!
Аватара пользователя
TrashVigor
 
Сообщения: 134
Зарегистрирован: 11 июл 2008, 22:43
Откуда: Воронежск
прог. языки: С, Delphi, Asm

Re: Дешевая микросерва TG9e (обзор, параметры, переделка)

Сообщение bezspeshki » 14 апр 2010, 03:51

Скажите, можно использовать такую машинку для поворотного механизма? На небольшом валу установлена шестеренка, в передаче с шестеренкой, установленной на выходе этой машинки? Применить вот к этому например: http://www.pilotage-rc.ru/catalogue/85_/85_40/RC6401/ Я понимаю, можно закрепить вместо качалки маленькую шестерню, и сделать из этого всего передачу? В задаче чтобы вал поворачивался на 120 гр. за 3-4 секунды, т.е. машинка делает за это время примерно одно вращение. Подскажите пожалуйста, получится из этого что-нибудь? или использовать лучше что-то другое? спасибо!
bezspeshki
 
Сообщения: 11
Зарегистрирован: 21 фев 2010, 21:34
Откуда: Москва

Re: Дешевая микросерва TG9e (обзор, параметры, переделка)

Сообщение TrashVigor » 14 апр 2010, 12:11

Чесн говоря не понятна ваша задача, сервомашинка итак поворачивается на 180 градусов, чтобы за 3-4 секунды поворачивалась это можно сделать прогамно смотря куда вам все это надо.
GIRUGAMESH!
Аватара пользователя
TrashVigor
 
Сообщения: 134
Зарегистрирован: 11 июл 2008, 22:43
Откуда: Воронежск
прог. языки: С, Delphi, Asm

След.

Вернуться в Механика

Кто сейчас на конференции

Сейчас этот форум просматривают: нет зарегистрированных пользователей и гости: 0

cron