setar писал(а):Во всех вышеприведенных документах нет главного - исследования влияния применения ШИМ на срок службы элемента пельтье в часах.
Как так? У тебя за месяц сдох, а у TI 5 месяцев при 50% ШИМе без изменений?
по одной ссылке описывается эксперимент в 2500 часов, то есть почти 4 месяца, по второй ссылке тестили 5 месяцев.
в обоих случаях разницы в состоянии не заметили, что при питании постоянным током, что при питании шимом, что при импульсном режиме 0.1 Гц.
During five months, two
Peltier modules with the same efficiency performances were continuously submitted to a constant current
drive of 1.4 A. One Peltier module was with PWM current, and the other one was with constant current
...
After this month of aging, the efficiency tests were performed again and showed no performance
difference. The observed loss of efficiency actually corresponded to the degradation of the thermal paste
(which permits to improve the thermal bonding) between the Peltier module and the temperature sensors.
The same test was then performed four months afterward. The following are the results:
• PWM current: The ΔT between the cold side and the ambient temperature does not change. The
results stay the same over the time.
• Linear current: The ΔT between the cold side remains the exact same.
Добавлено спустя 5 минут 43 секунды:Dmitry__ писал(а):Поэтому достаточно одного дросселя...
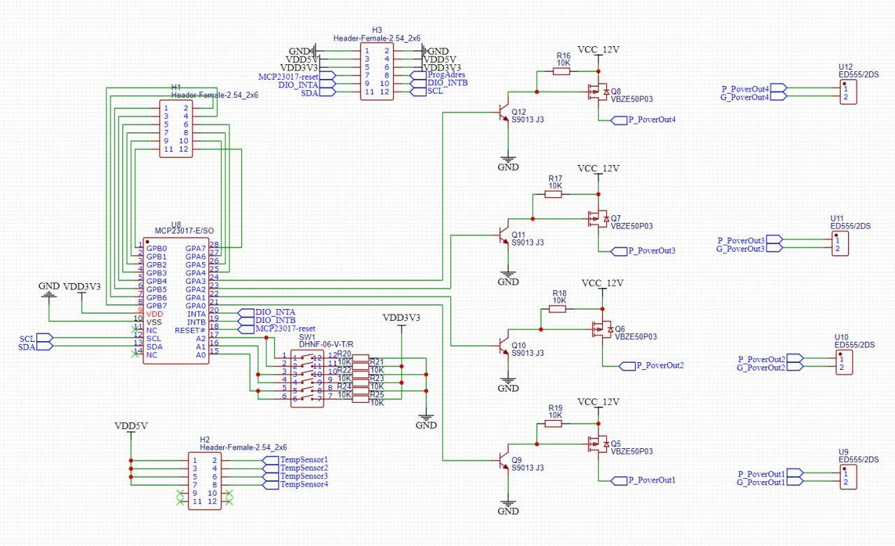
Если взять модуль эдак на 10 ампер да шим например 10%, какой там дроссель нужен, с ручками для переноски?

ЗЫ
в документе производителя пишут про эффективность а не про срок жизни.
т.к. когда модуль ШИМится у него падает КПД, то есть на 50% ШИМ половину времени модуль работает, забирая тепло с холодной стороны, а другую половину времени тепло спокойно течёт обратно, без электрического подпора.
На определённом проценте ШИМ модуль превратится в грелку, будут греться обе стороны модуля.