Здравствуйте!
1) Во-первых, кто-нибудь измерял, какой ток потребляет вход 4.3 В у NXT мотора? Я так понимаю, от него питается схема, которая внутри мотора.
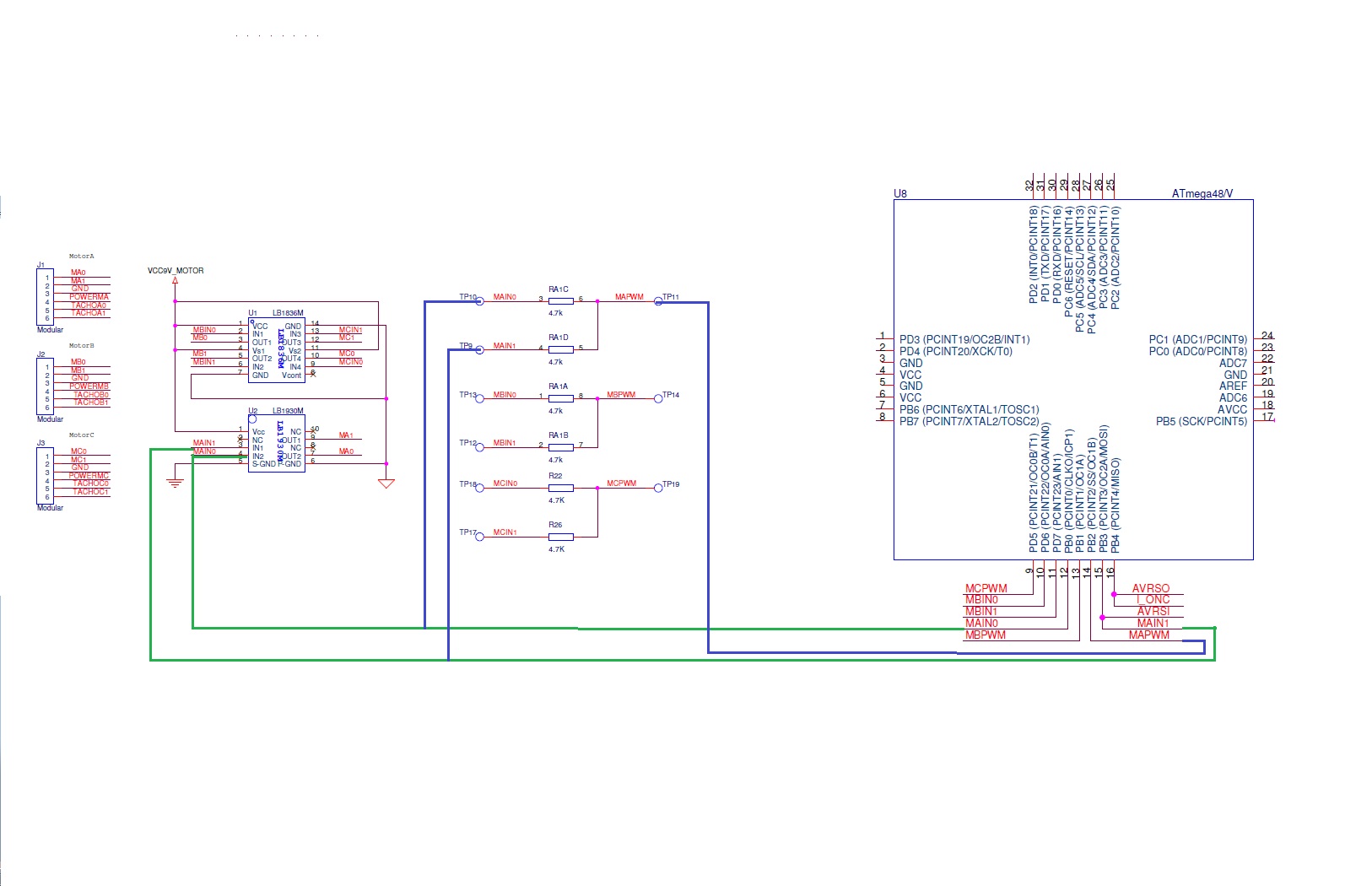
2) И еще по поводу управления мотором.
В общем сигналы MAIN0 и MAIN1, которые управляют мотором, идут от ATMega к драйверу шагового двигателя. Но от меги идет еще сигнал ШИМ MAPWM, и получается этот сигнал подключен параллельно через резисторы к тем же входам на драйвере, что и сигналы MAIN0, MAIN1. Как тогда осуществляется такое управление?

. Рассматривал уже всякие варианты, но надо понизить для каждого из 8 входов по отдельности, ставить стабилизаторы слишком громоздко.