2 вопроса про мотор

SpyBotics , NXT , и другие конструкторы лего.
Сборка, программирование и обмен опытом.
Самодельные роботы для школьных соревнований.

2 вопроса про мотор

Сообщение ubiq » 12 мар 2011, 10:03

Здравствуйте!

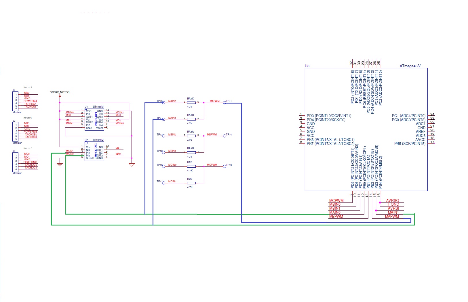
1) Во-первых, кто-нибудь измерял, какой ток потребляет вход 4.3 В у NXT мотора? Я так понимаю, от него питается схема, которая внутри мотора.
2) И еще по поводу управления мотором.
В общем сигналы MAIN0 и MAIN1, которые управляют мотором, идут от ATMega к драйверу шагового двигателя. Но от меги идет еще сигнал ШИМ MAPWM, и получается этот сигнал подключен параллельно через резисторы к тем же входам на драйвере, что и сигналы MAIN0, MAIN1. Как тогда осуществляется такое управление?
Вложения
1.jpg
ubiq
 
Сообщения: 3
Зарегистрирован: 12 мар 2011, 09:49

Re: 2 вопроса про мотор

Сообщение ubiq » 13 мар 2011, 08:38

С первым вопросом разобрался, кажется, что 20mA.
Теперь другой вопрос: какой ток потребляет вход микроконтроллера, когда на него поступает сигнал? Интересует конкретно ATMega48PA, в даташите не нашел.
ubiq
 
Сообщения: 3
Зарегистрирован: 12 мар 2011, 09:49

Re: 2 вопроса про мотор

Сообщение avr123.nm.ru » 13 мар 2011, 12:46

Практически нулевой.
Читайте !
Аватара пользователя
avr123.nm.ru
отсылающий читать курс
 
Сообщения: 14195
Зарегистрирован: 06 ноя 2005, 04:18
Откуда: Москва

Re: 2 вопроса про мотор

Сообщение ubiq » 13 мар 2011, 16:20

avr123.nm.ru писал(а):Практически нулевой.

Если там почти нулевой ток, помогите мне расчитать параметры элементов делителя напряжения, а именно резистора и стабилитрона. Необходимо подавать сигнал 24 В на вход микроконтроллера, то есть надо понизить его до 5В. Хочу, чтобы ничего не сгорело при этом :). Рассматривал уже всякие варианты, но надо понизить для каждого из 8 входов по отдельности, ставить стабилизаторы слишком громоздко.
ubiq
 
Сообщения: 3
Зарегистрирован: 12 мар 2011, 09:49

Re: 2 вопроса про мотор

Сообщение vadinator » 13 мар 2011, 16:34

Поставьте резистор 1кОм и стабилитрон от 4,5В до 4,9В... ток через резистор не будет превышать 20 мА...
Но здесь лучше уточнить...откуда берутся 24 вольта и не требуется ли опторазвязка?

Добавлено спустя 2 минуты 10 секунд:
Закон Лома...тьфу ты...ОМА :)
Роботы, уже среди нас...
Прошу прощения за аватар, никак схему динамической индикации не могу настроить :)
Аватара пользователя
vadinator
 
Сообщения: 979
Зарегистрирован: 19 янв 2010, 14:51
Откуда: Петрозаводск
прог. языки: C, FBD, Wiring-Processimg,,,LD, SFC, ST...
ФИО: Вадим


Вернуться в LEGO роботы

Кто сейчас на конференции

Сейчас этот форум просматривают: нет зарегистрированных пользователей и гости: 1

cron