roboforum.ru

Технический форум по робототехнике.


Разработка Open Robotics: Модуль акселерометра

Правила форума
Правила раздела OpenRobotics

Re: Разработка Open Robotics: Модуль акселерометра

Сообщение RoboTok » 14 фев 2009, 19:18

У меня проблемы с запайкой чипов с шагом ног меньше 0.65мм, а 0.8 можно запаять без проблем...
И вообще, я бы лучше на плату главную присобачил этот чип.
Аватара пользователя
RoboTok
 
Сообщения: 1060
Зарегистрирован: 04 фев 2008, 13:18
Откуда: Москва
прог. языки: PHP

Re: Разработка Open Robotics: Модуль акселерометра

Сообщение =DeaD= » 14 фев 2009, 19:57

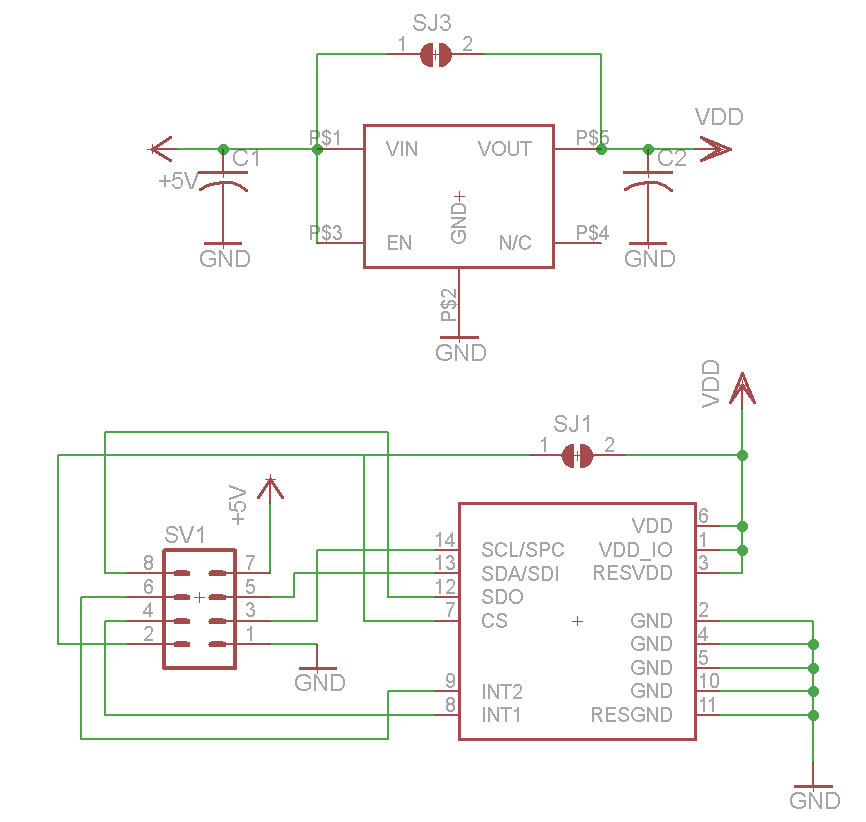
Схемка

Добавлено спустя 1 минуту 23 секунды:
RoboTok писал(а):И вообще, я бы лучше на плату главную присобачил этот чип.

Нет уж, не надо нам этого, роботы разные бывают, не всегда там где нужен акселерометр помещается главная плата, тем более акселерометров может быть несколько штук в роботе.
Вложения
accel.jpg
Проект [[Open Robotics]] - Универсальные модули для построения роботов
Аватара пользователя
=DeaD=
 
Сообщения: 24218
Зарегистрирован: 06 окт 2004, 18:01
Откуда: Ебург
прог. языки: C++ / PHP / 1C
ФИО: Антон Ботов

Re: Разработка Open Robotics: Модуль акселерометра

Сообщение blindman » 14 фев 2009, 20:09

=DeaD=, а ты уверен, что можно так со стабилизатором поступать? И еще - не ясно назначение разъема. На правую половину I2C . А остальные выводы почему в воздухе висят? Как минимум CS надо кверху подтянуть.

Добавлено спустя 6 минут 18 секунд:
А, там джампер на CS стоит. Вот его просто на резистор поменять и все
Проект [[Open Robotics]] - универсальные модули для построения роботов
Модули Open Robotics можно приобрести в магазине shop.roboforum.ru

Day OFF? You must be pulling my leg! Stop making humor before someone sees you, fool!

Аватара пользователя
blindman
 
Сообщения: 4130
Зарегистрирован: 29 апр 2008, 21:15
Откуда: Хабаровск
прог. языки: C,C++,Assembler,PHP,Javascript,Ruby, SPIN,Java(?)
ФИО: Андрей Юрьевич

Re: Разработка Open Robotics: Модуль акселерометра

Сообщение =DeaD= » 14 фев 2009, 20:15

blindman писал(а):=DeaD=, а ты уверен, что можно так со стабилизатором поступать?

Если про джампер замыкающий его вход и выход, то это не со стабилизатором так поступать, а чтобы можно было его не запаивать и питать сразу от 3.3В.

blindman писал(а):И еще - не ясно назначение разъема. На правую половину I2C . А остальные выводы почему в воздухе висят?

Остальные выводы на всякий случай выведены, если кому-нибудь понадобятся.

blindman писал(а):Как минимум CS надо кверху подтянуть.
А, там джампер на CS стоит. Вот его просто на резистор поменять и все

Считается, что в случае использования линии CS за подтягивание её кверху отвечает головной модуль, джампер в этом случае выпаивается обратно. Или так нельзя?

Добавлено спустя 2 минуты 16 секунд:
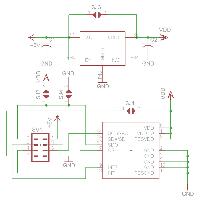
Вот так выглядит платка:
Вложения
accel-brd.jpg
Проект [[Open Robotics]] - Универсальные модули для построения роботов
Аватара пользователя
=DeaD=
 
Сообщения: 24218
Зарегистрирован: 06 окт 2004, 18:01
Откуда: Ебург
прог. языки: C++ / PHP / 1C
ФИО: Антон Ботов

Re: Разработка Open Robotics: Модуль акселерометра

Сообщение blindman » 14 фев 2009, 20:22

В случае I2C на CS должна быть единица. И левая часть разъема ваще не подключена. Нафига с джампером пляски? поставь туда резистор килоом на 5 - и все дела.
Проект [[Open Robotics]] - универсальные модули для построения роботов
Модули Open Robotics можно приобрести в магазине shop.roboforum.ru

Day OFF? You must be pulling my leg! Stop making humor before someone sees you, fool!

Аватара пользователя
blindman
 
Сообщения: 4130
Зарегистрирован: 29 апр 2008, 21:15
Откуда: Хабаровск
прог. языки: C,C++,Assembler,PHP,Javascript,Ruby, SPIN,Java(?)
ФИО: Андрей Юрьевич

Re: Разработка Open Robotics: Модуль акселерометра

Сообщение =DeaD= » 14 фев 2009, 22:17

Вот новый релиз, вычитал еще, что SDO надо подцеплять либо к VCC, либо к GND, таким образом можно указать i2c-адрес акселерометра один из двух возможных. Резистор можно поставить на место джампера, они по площадкам почти 1 в 1, но если ставить резистор, то надо всю плату потрошить.

И вообще - вон люди ничего на плате не делают и по 20 баксов продают - http://www.robotshop.ca/PDF/sfe-lis302d ... ematic.pdf :)

Добавлено спустя 38 секунд:
PS: Забыл отметить - размеры платки 16.5 * 16.5 мм

Добавлено спустя 31 секунду:
2FireFly: Тебе как такой вариант? Размеры проходят?

Добавлено спустя 15 минут 53 секунды:
Последнюю версию выложил
Вложения
OR-3DAccel.zip
(18.06 КиБ) Скачиваний: 15
accel-brd.jpg
accel.jpg
Проект [[Open Robotics]] - Универсальные модули для построения роботов
Аватара пользователя
=DeaD=
 
Сообщения: 24218
Зарегистрирован: 06 окт 2004, 18:01
Откуда: Ебург
прог. языки: C++ / PHP / 1C
ФИО: Антон Ботов

Re: Разработка Open Robotics: Модуль акселерометра

Сообщение FireFly » 14 фев 2009, 22:21

RoboTok писал(а):У меня проблемы с запайкой чипов с шагом ног меньше 0.65мм, а 0.8 можно запаять без проблем...
И вообще, я бы лучше на плату главную присобачил этот чип.

на главной плате еме делать нефиг, распаять 0,8 выводной элемент - два пальца... а у этой заразы все на пузе и сама микра КРАЙНЕ нежная к перегреву, статике и т.п. - убить легко можно (а палюбому хрень недешевая).
плата по размерам нормуль - под конкретный проект под нее можно сделать "кроватку" - бует держаться на одном разъеме насмерть :)
Домашняя робототехника - RoboZone.SU
горючее...- пиво... много... :)
Аватара пользователя
FireFly
 
Сообщения: 1576
Зарегистрирован: 19 июн 2005, 18:27
Откуда: Камышин

Re: Разработка Open Robotics: Модуль акселерометра

Сообщение =DeaD= » 14 фев 2009, 22:38

Поправил от DRC-ошибок
Вложения
accel-brd.jpg
OR-3DAccel.zip
(18.13 КиБ) Скачиваний: 18
Проект [[Open Robotics]] - Универсальные модули для построения роботов
Аватара пользователя
=DeaD=
 
Сообщения: 24218
Зарегистрирован: 06 окт 2004, 18:01
Откуда: Ебург
прог. языки: C++ / PHP / 1C
ФИО: Антон Ботов

Re: Разработка Open Robotics: Модуль акселерометра

Сообщение FireFly » 15 фев 2009, 00:41

хм... здаецо мну, что под края корпуса акселя попадают переходные отверстия, что имхо не есть гуд :(
Домашняя робототехника - RoboZone.SU
горючее...- пиво... много... :)
Аватара пользователя
FireFly
 
Сообщения: 1576
Зарегистрирован: 19 июн 2005, 18:27
Откуда: Камышин

Re: Разработка Open Robotics: Модуль акселерометра

Сообщение Сергей » 15 фев 2009, 00:42

а чо не гуд то? попадут и попадут
Сергей
 
Сообщения: 3744
Зарегистрирован: 29 дек 2004, 23:15
Откуда: Санкт-Петербург
прог. языки: C, C++, C#, Asm
ФИО: Кашликов Сергей

Re: Разработка Open Robotics: Модуль акселерометра

Сообщение FireFly » 15 фев 2009, 01:30

Сергей писал(а):а чо не гуд то? попадут и попадут

а ты уверен, что микра ровно сядет на плату?
Домашняя робототехника - RoboZone.SU
горючее...- пиво... много... :)
Аватара пользователя
FireFly
 
Сообщения: 1576
Зарегистрирован: 19 июн 2005, 18:27
Откуда: Камышин

Re: Разработка Open Robotics: Модуль акселерометра

Сообщение Сергей » 15 фев 2009, 01:53

да сядет на плату, эти переходные отверстия не сильно выпуклые, я недавно паял похожий корпус и ничо
Сергей
 
Сообщения: 3744
Зарегистрирован: 29 дек 2004, 23:15
Откуда: Санкт-Петербург
прог. языки: C, C++, C#, Asm
ФИО: Кашликов Сергей

Re: Разработка Open Robotics: Модуль акселерометра

Сообщение blindman » 15 фев 2009, 06:56

Под корпусами переходных отверстий нет. А вот головке винта может мешать корпус стабилизатора. Предлагаю крепежные отверстия сделать под М2.
Проект [[Open Robotics]] - универсальные модули для построения роботов
Модули Open Robotics можно приобрести в магазине shop.roboforum.ru

Day OFF? You must be pulling my leg! Stop making humor before someone sees you, fool!

Аватара пользователя
blindman
 
Сообщения: 4130
Зарегистрирован: 29 апр 2008, 21:15
Откуда: Хабаровск
прог. языки: C,C++,Assembler,PHP,Javascript,Ruby, SPIN,Java(?)
ФИО: Андрей Юрьевич

Re: Разработка Open Robotics: Модуль акселерометра

Сообщение =DeaD= » 15 фев 2009, 09:01

Переделал крепёж под М2

Добавлено спустя 26 минут 15 секунд:
А вот по поводу прямого вставания на плату - пока себе плохо представляю как это гарантировать... :pardon:
Вложения
accel-brd.jpg
OR-3DAccel.zip
(18.12 КиБ) Скачиваний: 18
Проект [[Open Robotics]] - Универсальные модули для построения роботов
Аватара пользователя
=DeaD=
 
Сообщения: 24218
Зарегистрирован: 06 окт 2004, 18:01
Откуда: Ебург
прог. языки: C++ / PHP / 1C
ФИО: Антон Ботов

Re: Разработка Open Robotics: Модуль акселерометра

Сообщение Duhas » 15 фев 2009, 11:01

а шелк на переходных тоже можна ?
«Как сердцу выразить себя? … Мысль изреченная есть ложь!»
В этом мире меня подводит доброта и порядочность...
"двое смотрят в лужу, один видит лужу, другой отраженные в ней звезды"
Аватара пользователя
Duhas
 
Сообщения: 6338
Зарегистрирован: 15 сен 2007, 13:03
Откуда: Красноярск
прог. языки: ASM(МК), C(PC)
ФИО: Гагарский Андрей Александрович

Пред.След.

Вернуться в Разработка модулей

Кто сейчас на конференции

Сейчас этот форум просматривают: нет зарегистрированных пользователей и гости: 0

cron