У меня проблемы с запайкой чипов с шагом ног меньше 0.65мм, а 0.8 можно запаять без проблем...
И вообще, я бы лучше на плату главную присобачил этот чип.
RoboTok писал(а):И вообще, я бы лучше на плату главную присобачил этот чип.
blindman писал(а):=DeaD=, а ты уверен, что можно так со стабилизатором поступать?
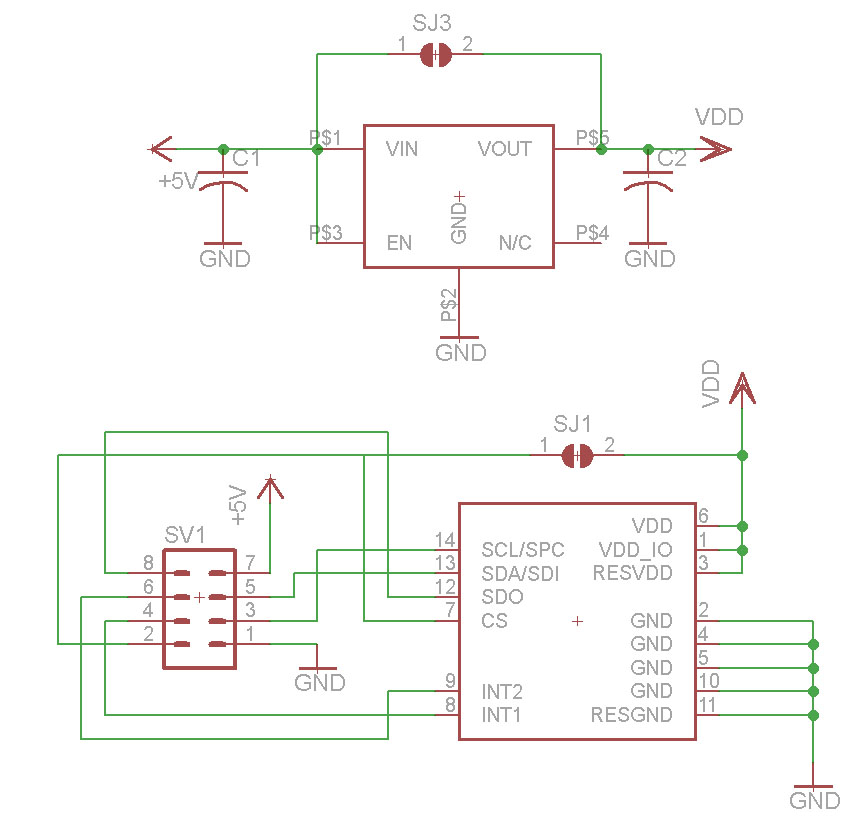
blindman писал(а):И еще - не ясно назначение разъема. На правую половину I2C . А остальные выводы почему в воздухе висят?
blindman писал(а):Как минимум CS надо кверху подтянуть.
А, там джампер на CS стоит. Вот его просто на резистор поменять и все

RoboTok писал(а):У меня проблемы с запайкой чипов с шагом ног меньше 0.65мм, а 0.8 можно запаять без проблем...
И вообще, я бы лучше на плату главную присобачил этот чип.


Сергей писал(а):а чо не гуд то? попадут и попадут

Вернуться в Разработка модулей
Сейчас этот форум просматривают: нет зарегистрированных пользователей и гости: 2