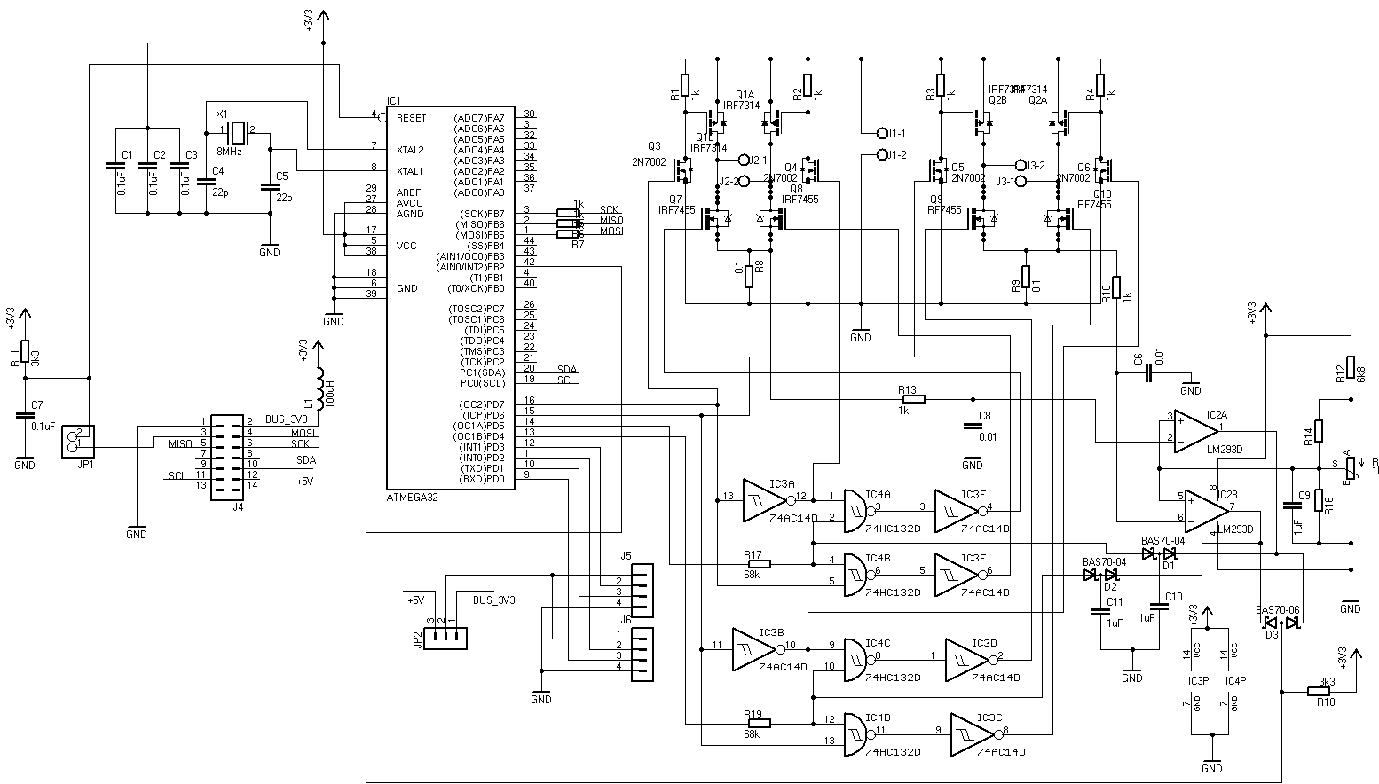
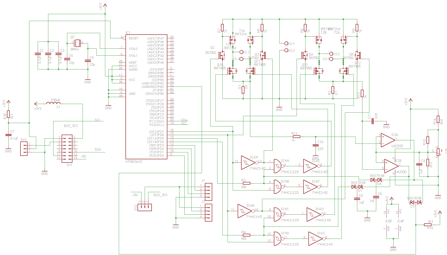
Всем большое спасибо за помощь. К сожалению, я не электронщик, а плата не резиновая. Все что хотелось бы , или могло быть потенциально полезным, все равно не войдет. И так уже пришлось логотип RoboBus убрать

![]() |
roboforum.ruТехнический форум по робототехнике. |
|

=DeaD= писал(а):АЦП это конечно хорошо, но мы вроде железный вариант контроля перегрузки по току хотели сделать, а не программный...
Duhas писал(а): заводим прерывание на контроллер ...
Duhas писал(а):может уничтожить нафиг вообще железные задержки? заводим прерывание на контроллер и им внсим задержки...
blindman писал(а):Предлагаю зафиксировать схему в таком варианте.
Вернуться в Разработка модулей
Сейчас этот форум просматривают: нет зарегистрированных пользователей и гости: 0