Предлагаю вот такую схему.
Добавлено спустя 2 минуты 38 секунд:
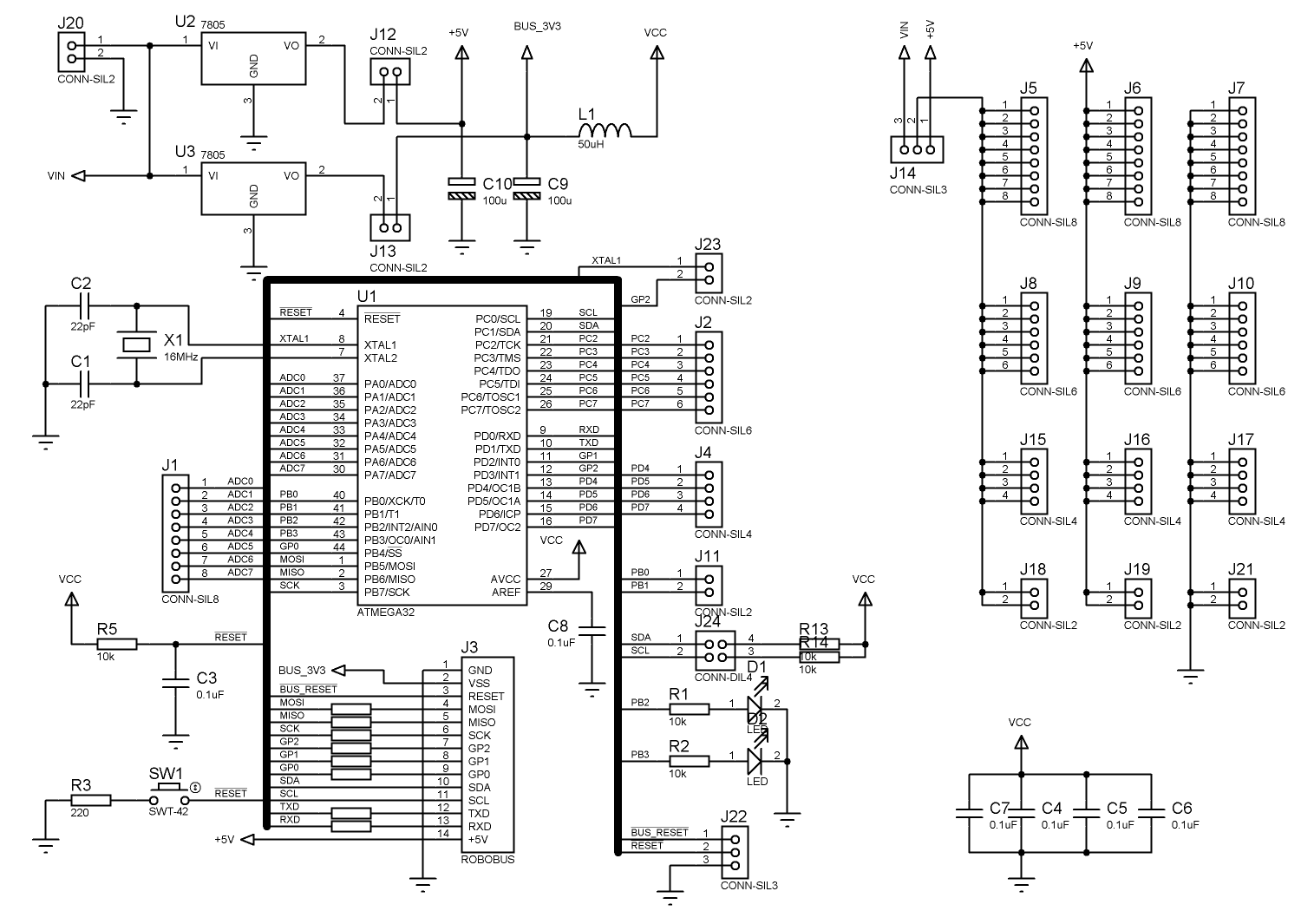
Размер платы 61х61 мм (2.4 х 2.4 "). Мк в корпусе DIP в такой размер вряд ли получится поставить, надо наверно миллиметров на 15 шире будет
![]() |
roboforum.ruТехнический форум по робототехнике. |
|
=DeaD= писал(а):Signal, POWER, GND, 5V? Если нет - может так сделать, чтобы сигнальные провода удобнее подводить было?


=DeaD= писал(а):И плату сделать чуть побольше - чтобы на ней подписать номера портов, а то запаришься их искать потом, отсчитывая от края 14-й
blindman писал(а):Выводные только разъемы и кварц. Смысл ставить выводные электролиты ?
blindman писал(а):2 пина особо погоды не сделают наверно - на шине они по-моему нужнее. А шестиногу все-таки специальный вариант с оптимальным для него расположением разъемов?

blindman писал(а):Там тогда можно у светодиодов пины отобрать.Но можно в принципе и вывести. По размеру как-то огранициваемся или как получится? Если добавить 2 пина - надо выше миллиметров на 5 минимум делать, сверху место оставлено чтоб относительно широкие провода питания и землю подвести.

blindman писал(а):Еще один момент - на шине резисторы последовательные прописали, может имеет смысл их иметь и на тех, что на штыри выведены?



Надо новые с буквой А использовать.=DeaD= писал(а): Мега16 по паспорту на 3.3В непотянет на 16МГц.
Вернуться в Разработка модулей
Сейчас этот форум просматривают: нет зарегистрированных пользователей и гости: 0