Помогите разобраться в электросхеме авто

Вопросы не попавшие в другие категории.

Помогите разобраться в электросхеме авто

Сообщение Master » 28 дек 2010, 14:34

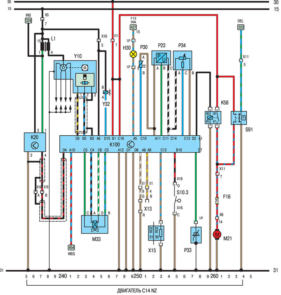
Не могу разобраться куда подключается второй конец лампочки Н30
sh17.jpg

это так называемая "лампа счастья" если она горит значит есть проблемы с одним из датчиков двигателя.

Машина Opel kadett 1.4i 1990г, двигатель C14NZ.
схема отсюдава
http://automn.ru/opel-kadett/opel-15392 ... -1538.html
если что остальная часть схему тут
http://automn.ru/opel-kadett/opel-15391 ... -1538.html
Аватара пользователя
Master
 
Сообщения: 4468
Зарегистрирован: 21 дек 2006, 19:56
Откуда: Украина, г.Одесса
прог. языки: Delphi и С

Re: Помогите разобраться в электросхеме авто

Сообщение yak-40 » 28 дек 2010, 14:40

Да вроде всё понятно, одним концом на контроллер (А5) другим на предохранитель F13 (20А)
В чём вопрос-то?
- Этот человек - не человек! это робот!
- Как? уже делают?!
- Делают!!!
Аватара пользователя
yak-40
 
Сообщения: 3037
Зарегистрирован: 23 окт 2007, 22:03
Откуда: Москва
прог. языки: С
ФИО: Евгений Яковец

Re: Помогите разобраться в электросхеме авто

Сообщение Master » 28 дек 2010, 14:52

Спасибо Кэп :D
Я имел ввиду дальше куда это идет, просто у меня весь блок предохранителей сгорел и был заменен на универсальную рейку с предохранителями и там уже никто не знает какой за что отвечает. По идее дальше идет или на массу или на питание. Если на питание меня смущает можно туда 12В давать или нельзя.
Аватара пользователя
Master
 
Сообщения: 4468
Зарегистрирован: 21 дек 2006, 19:56
Откуда: Украина, г.Одесса
прог. языки: Delphi и С

Re: Помогите разобраться в электросхеме авто

Сообщение $ilent » 28 дек 2010, 15:00

Предохранитель на массу ни когда не подключается. Предохранитель ставится в начале "цепи".
$ilent
 

Re: Помогите разобраться в электросхеме авто

Сообщение yak-40 » 28 дек 2010, 15:04

Если это лампа счастья, то сто пудов на + аккумулятора через предохранитель.
А в этой схеме не показано, потому-что не идёт ни на 15, ни на 30 шину.
Ищи в другой части схемы.
- Этот человек - не человек! это робот!
- Как? уже делают?!
- Делают!!!
Аватара пользователя
yak-40
 
Сообщения: 3037
Зарегистрирован: 23 окт 2007, 22:03
Откуда: Москва
прог. языки: С
ФИО: Евгений Яковец

Re: Помогите разобраться в электросхеме авто

Сообщение Master » 28 дек 2010, 18:35

В других схемах тоже нет :( , в них тоже полно похожих выводочков с надписью что идет это в блок предохранителей.
Аватара пользователя
Master
 
Сообщения: 4468
Зарегистрирован: 21 дек 2006, 19:56
Откуда: Украина, г.Одесса
прог. языки: Delphi и С

Re: Помогите разобраться в электросхеме авто

Сообщение yak-40 » 28 дек 2010, 18:58

Значит надо искать схему блока предохранителей.
- Этот человек - не человек! это робот!
- Как? уже делают?!
- Делают!!!
Аватара пользователя
yak-40
 
Сообщения: 3037
Зарегистрирован: 23 окт 2007, 22:03
Откуда: Москва
прог. языки: С
ФИО: Евгений Яковец

Re: Помогите разобраться в электросхеме авто

Сообщение Master » 29 дек 2010, 00:25

А де их взять, они же не дают схемы чтобы можно было проводку собрать.
Ладно буду подрубать на +12, буду надеяться что ниче не сгорит. :)

Добавлено спустя 37 секунд:
Тем более если там предохранитель на 20 А, то точно вряд ли что-то сгорит.
Аватара пользователя
Master
 
Сообщения: 4468
Зарегистрирован: 21 дек 2006, 19:56
Откуда: Украина, г.Одесса
прог. языки: Delphi и С

Re: Помогите разобраться в электросхеме авто

Сообщение $ilent » 29 дек 2010, 01:18

Главное чтоб не наши предохранители стояли. А товедь замечал я за ними "Всё горит, а они стоят". :(
$ilent
 

Re: Помогите разобраться в электросхеме авто

Сообщение Master » 29 дек 2010, 15:34

Вопрос не много уже на другую тему, но тоже про авто. Я тут снимал акум на зарядку и измерил сопротивление между клемами + и масса на авто (не на аккумуляторе) и получилось 3 Ома, это что получается у меня авто потребляет 4А, когда стоит или это сопротивление каких нибудь конденсаторов? Потому что акум не разряжается даже после длительного простоя.
Аватара пользователя
Master
 
Сообщения: 4468
Зарегистрирован: 21 дек 2006, 19:56
Откуда: Украина, г.Одесса
прог. языки: Delphi и С

Re: Помогите разобраться в электросхеме авто

Сообщение Myp » 29 дек 2010, 16:16

ты бы лучше замерял потребляемый ток в заглушенном авто. а что ты мерял омметром это науке не известно))))
<telepathmode>На вопросы отвечает Бригадир Телепатов!</telepathmode>
Всё уже придумано до нас!
Аватара пользователя
Myp
скрытый хозяин вселенной :)
 
Сообщения: 18018
Зарегистрирован: 18 сен 2006, 12:26
Откуда: Тверь по прозвищу Дверь
прог. языки: псевдокод =) сила в алгоритме!
ФИО: глубокоуважаемый Фёдор Анатольевич

Re: Помогите разобраться в электросхеме авто

Сообщение Duhas » 29 дек 2010, 23:56

ну эти 3 ома при подключении к ним 12 вольт могут измениться.. реле сработает и т.д. ...
«Как сердцу выразить себя? … Мысль изреченная есть ложь!»
В этом мире меня подводит доброта и порядочность...
"двое смотрят в лужу, один видит лужу, другой отраженные в ней звезды"
Аватара пользователя
Duhas
 
Сообщения: 6338
Зарегистрирован: 15 сен 2007, 13:03
Откуда: Красноярск
прог. языки: ASM(МК), C(PC)
ФИО: Гагарский Андрей Александрович


Вернуться в Обо всём

Кто сейчас на конференции

Сейчас этот форум просматривают: нет зарегистрированных пользователей и гости: 2