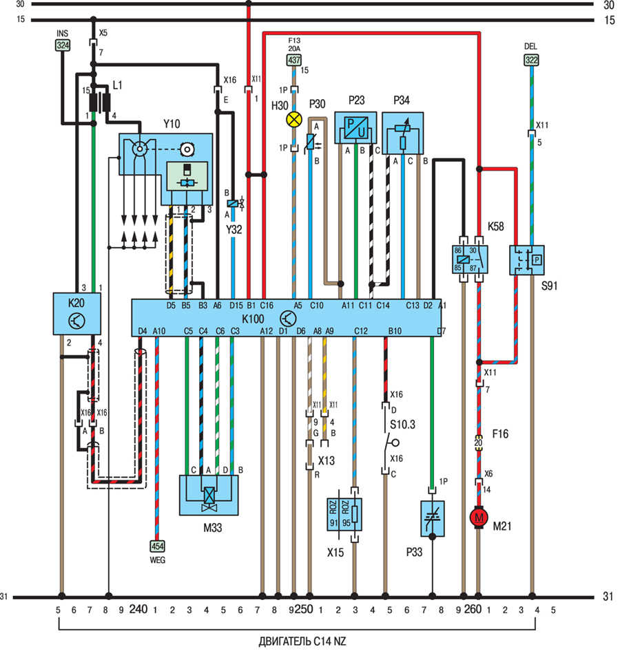
Не могу разобраться куда подключается второй конец лампочки Н30
это так называемая "лампа счастья" если она горит значит есть проблемы с одним из датчиков двигателя.
Машина Opel kadett 1.4i 1990г, двигатель C14NZ.
схема отсюдава
если что остальная часть схему тут

, в них тоже полно похожих выводочков с надписью что идет это в блок предохранителей.