А есть где посмотреть примерчики? Ну или словесное описание хотя бы. ![]() |
roboforum.ruТехнический форум по робототехнике. |
|
А есть где посмотреть примерчики? Ну или словесное описание хотя бы.avr123.nm.ru писал(а):Что дарить ?


Это не актуальноvadinator писал(а):главное логотип avr123 наклеить
даешь лого "С.М." 
не выражаться ! гетинг реал - Достижение цели ? Реализация ?EdGull писал(а):гетингреалу
я бы от острова не отказался.
как говориться "сделай себе подарок"
"natal" уже в продаже, продукт получил название kinect. цена примерно 240$ (вообще она должна стоить примерно 150$).
уже есть проект openkinect
кто еще ничего не попросил на нг?
)
, а ниже тетя за HP ( специально для Dead )
он же одноэкранный и не сенсорный
непорядокRadist писал(а):Идея понравиласьА есть где посмотреть примерчики? Ну или словесное описание хотя бы.
Щяс пока нет возможности протравить плату, как будет возможность так я и буду писать о прогрессе их создания(с фотографиями).
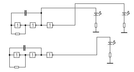
и стал делать сам. Сделаю - тоже покажу. Но словесное описание могу дать. Это маленький робот с пузом, головой, руками и ногами. На голове 3 светодиода: 2 глаза и нос. Спереди на пузе литиевая батарейка, на спине схемка: 2 генератора НЧ. Глаза будут мигать в противофазе, нос - с более низкой частотой. Предусмотрен выключатель. Руки и ноги - из резисторов. Робота можно поставить и придать ему произвольную позу, а можно за уши повесить на елку/шею. Функция робота - приносить радость.
Radist писал(а):Я не дождался ответа, украл идеюи стал делать сам. Сделаю - тоже покажу. Но словесное описание могу дать. Это маленький робот с пузом, головой, руками и ногами. На голове 3 светодиода: 2 глаза и нос. Спереди на пузе литиевая батарейка, на спине схемка: 2 генератора НЧ. Глаза будут мигать в противофазе, нос - с более низкой частотой. Предусмотрен выключатель. Руки и ноги - из резисторов. Робота можно поставить и придать ему произвольную позу, а можно за уши повесить на елку/шею. Функция робота - приносить радость.
Честно говоря мне понравилась ваша идея на счёт такого "пузатого робота-ёлочной игрушки" очень хочется на него будет поглядеть и на схемы тоже.
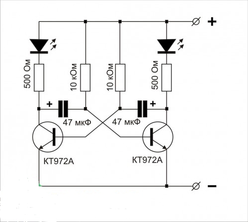
Можно сделать глаза на основе мультивибратора, я как раз такой делал:
Я то хочу сделать роботов которые за светом едут, но чтоб у них дизайн был так сказать по роботичнее чтоли. Редуктор не закрытый будет, чтобы было видно всё как работает, провода питания чтобы переплитались. Будет выглядеть сложно и красиво 

Сейчас этот форум просматривают: нет зарегистрированных пользователей и гости: 2