Ну, по крайней мере я смеялся...
Прикупил как-то давно такую заряжалку и к ней 3 штуки таких батареек.
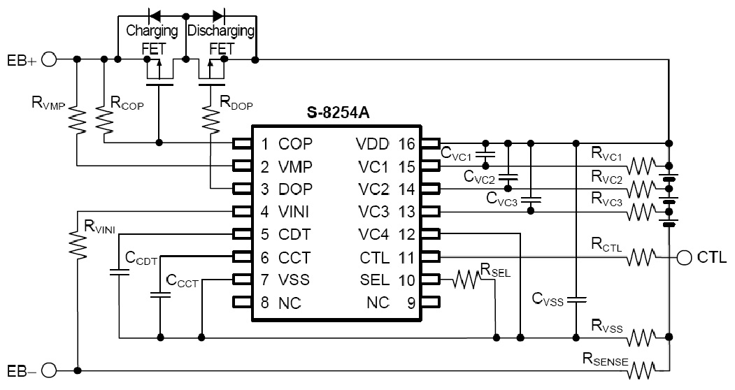
Долго они у меня валялись, решил пустить в дело. Припаял к платке, контейнеры для акумов, все собрал, включил - не работает. Выхода нет. Хотя батарейки вроде заряжены. Ну, мыж инженеры. Нарыл схемку в инете, стал в нее осциллографом тыкать:
Тыкал тыкал, тык-мык, тык-мык.....
Потом дотыкался до того, что наконец замерил точное напряжение на батарейке: 4.2v, блин. И только тогда удосужился разглядеть ее внимательно. Вместо 3.7V 4000mAh - 4.2V 4200mAh! Я даже не знал, что такие бывают! Вот я баклан, полдня провозился....

4,2в это да, блин. есть режим заряда для использования, т.е. вплоть до полного, как в данном случае. а есть режим заряда для хранения, в котором заряжают примерно в пределах 60-90% (от банки зависит + разные производители, как банок, так и электроники, немного расходятся во взглядах).


