roboforum.ru

Технический форум по робототехнике.

Схема ультразвукового сонара для робота-пылесоса BroomBot

Схема ультразвукового сонара для робота-пылесоса BroomBot

Сообщение EdGull » 11 окт 2008, 13:10

Здесь общаются только разработчики данной схемы.

За основу взята вот эта схема

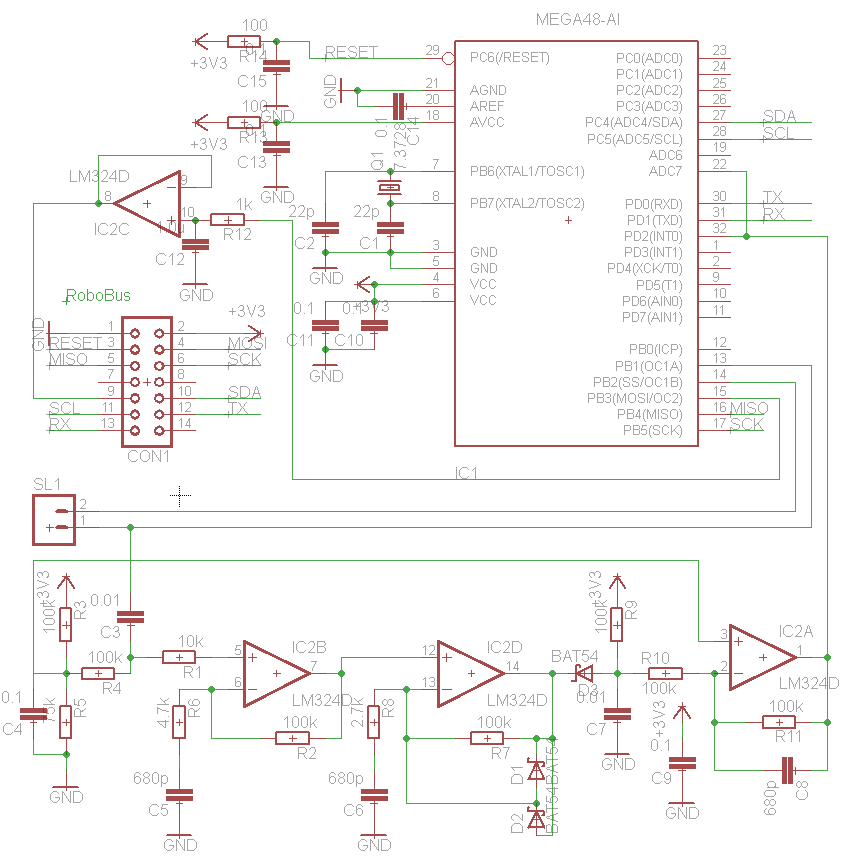
Изображение

вот с этим ДШ

download/file.php?id=6130

Вот что получилось в первом приближении

Sonar 1.0.PNG


Добавлено спустя 10 минут:
Пока исходим из того что будет MA40MF14-5B
Аватара пользователя
EdGull
 
Сообщения: 10211
Зарегистрирован: 28 дек 2004, 20:33
Откуда: Тольятти
Skype: Ed_Gull
прог. языки: Bascom AVR Basic
ФИО: Гуль Эдуард Викторович

Re: Схема ультразвукового сонара для робота-пылесоса BroomBot

Сообщение steel_monkey » 13 окт 2008, 22:21

Почти собрал макет. Будут некоторые отличия от исходной схемы:
1. В делителе 72 КОм вместо 75 ( не было нужного)
2. В обратной связи первых двух каскадов стоят не 680 пФ, а 1 нФ ( не было 680 , если принципиально -потом поправлю. или они этим сопретивление в цепи ОС увеличивают?).
3. В ОС второго каскада стоит не 2.7 КОм, а 3 ( в принципе, это даже лучше- не будет LM-ка заваливаться).
4. У меня нет LM324, поэтому использую LM358, и третий каскад делаю на другом опере: AD820 (хороший низкошумящий опер с полосой 1.8 МГц).
5. Диоды : Шоттки BAT54S
6. В ОС третьего опера будет не савсем точно 680 пФ ( около 700). Если нужно, потом тоже подправлю.
7. Сначала сравню результаты с питание от 5 Вольт. Потом, чтобы не переводить питание контроллера на 3.3, просто поставлю какую-нибудь железную логику сарии АС и запитаю от 3.3 Вольт. Для имитации нагрузочной способности меги просто запараллелю ноги.

Ну и сравню результаты ( моя система без накачки максом, откровенно говоря, слабовата. Потом может быть добавлю логарифмический усилитель- давно хотел, но сделал только ограничитель амплитуды на диодах).

Добавлено спустя 1 минуту 8 секунд:
Где они там бандпасс нашли?
Аватара пользователя
steel_monkey
 
Сообщения: 346
Зарегистрирован: 14 июл 2007, 23:38
Откуда: SPb
прог. языки: немного албанский

Re: Схема ультразвукового сонара для робота-пылесоса BroomBot

Сообщение steel_monkey » 17 окт 2008, 21:39

Собрал. Усиление большое- слабые и сильные эхо имеют одну и ту же амплитуду, спасибо логарифмическому усилителю. Использую свой макет на MA40B8 R и S, качаю передатчик пятью вольтами от ног меги. У моего усилителя-приемника в этом включении сигнал намного слабее. Только вот по абсолютной величине сигнал слабоват, но это, возможно, следствие замен номиналов. Да и кондеры многие пленочные.
Попробую найти точные номиналы, и еще посмотрю скопом сигнал.
Последний раз редактировалось steel_monkey 18 окт 2008, 11:01, всего редактировалось 1 раз.
Аватара пользователя
steel_monkey
 
Сообщения: 346
Зарегистрирован: 14 июл 2007, 23:38
Откуда: SPb
прог. языки: немного албанский

Re: Схема ультразвукового сонара для робота-пылесоса BroomBot

Сообщение EdGull » 17 окт 2008, 21:56

а чё тебе до их аплетуды?
тебе ж мерить время надо.
Аватара пользователя
EdGull
 
Сообщения: 10211
Зарегистрирован: 28 дек 2004, 20:33
Откуда: Тольятти
Skype: Ed_Gull
прог. языки: Bascom AVR Basic
ФИО: Гуль Эдуард Викторович

Re: Схема ультразвукового сонара для робота-пылесоса BroomBot

Сообщение steel_monkey » 18 окт 2008, 11:03

Сегодня возьму 680 пикофарад, поставлю.
Слабый сигнал - низкий С/Ш, ну и со всеми вытекающими.
Аватара пользователя
steel_monkey
 
Сообщения: 346
Зарегистрирован: 14 июл 2007, 23:38
Откуда: SPb
прог. языки: немного албанский

Re: Схема ультразвукового сонара для робота-пылесоса BroomBot

Сообщение =DeaD= » 16 янв 2009, 09:52

А чем всё закончилось? :oops:
Проект [[Open Robotics]] - Универсальные модули для построения роботов
Аватара пользователя
=DeaD=
 
Сообщения: 24218
Зарегистрирован: 06 окт 2004, 18:01
Откуда: Ебург
прог. языки: C++ / PHP / 1C
ФИО: Антон Ботов


Вернуться в Электроника

Кто сейчас на конференции

Сейчас этот форум просматривают: нет зарегистрированных пользователей и гости: 0

cron