RoboBus.RU спецификация шины MiniBot'а

Re: RoboBus.RU спецификация шины MiniBot'а

Сообщение Mazayac » 29 сен 2008, 10:31

Под рукой - только Микрочиповские изделия :)
Попробую соорудить цепочку из резистора и стабилитрона на управляющий вход.
Аватара пользователя
Mazayac
 
Сообщения: 377
Зарегистрирован: 25 апр 2008, 17:40
Откуда: Нижний Новгород
ФИО: Непочатов Алексей Николаевич

Re: RoboBus.RU спецификация шины MiniBot'а

Сообщение blindman » 14 окт 2008, 05:27

Библиотека Eagle с разъемом RoboBus и логотипом для плат.
Вложения
RoboBus.zip
(2.78 КиБ) Скачиваний: 84
Проект [[Open Robotics]] - универсальные модули для построения роботов
Модули Open Robotics можно приобрести в магазине shop.roboforum.ru

Day OFF? You must be pulling my leg! Stop making humor before someone sees you, fool!

Аватара пользователя
blindman
 
Сообщения: 4130
Зарегистрирован: 29 апр 2008, 21:15
Откуда: Хабаровск
прог. языки: C,C++,Assembler,PHP,Javascript,Ruby, SPIN,Java(?)
ФИО: Андрей Юрьевич

Re: RoboBus.RU спецификация шины MiniBot'а

Сообщение =DeaD= » 14 окт 2008, 09:08

Кстати, надо наверное написать какой стороной ставить разъемы на плату лучше, чтобы кабель не пришлось перекручивать от модуля к модулю.
Проект [[Open Robotics]] - Универсальные модули для построения роботов
Аватара пользователя
=DeaD=
 
Сообщения: 24218
Зарегистрирован: 06 окт 2004, 18:01
Откуда: Ебург
прог. языки: C++ / PHP / 1C
ФИО: Антон Ботов

Re: RoboBus.RU спецификация шины MiniBot'а

Сообщение blindman » 14 окт 2008, 09:16

Надо ставить так, чтобы разъем с прямыми контактами распологался ключом внутрь. Тогда при необходимости можно ставить угловой разъем с сохранением распиновки
Вложения
x.png
x.png (1.65 КиБ) Просмотров: 5484
Проект [[Open Robotics]] - универсальные модули для построения роботов
Модули Open Robotics можно приобрести в магазине shop.roboforum.ru

Day OFF? You must be pulling my leg! Stop making humor before someone sees you, fool!

Аватара пользователя
blindman
 
Сообщения: 4130
Зарегистрирован: 29 апр 2008, 21:15
Откуда: Хабаровск
прог. языки: C,C++,Assembler,PHP,Javascript,Ruby, SPIN,Java(?)
ФИО: Андрей Юрьевич

Re: RoboBus.RU спецификация шины MiniBot'а

Сообщение blindman » 28 окт 2008, 07:47

Если модуль может выступать мастером SPI, настоятельно рекомендуется предусмотреть возможность подключения сигнала RESET от МК к земле через джампер.

Это не поможет при программировании. Например, на шине висят 2 МК, один из них мастер SPI. Перед программированием второго МК заземляем RESET первого, начинаем программировать второй - и первый тоже отвечает на запросы программатора.
Надо искать другое решение.
Проект [[Open Robotics]] - универсальные модули для построения роботов
Модули Open Robotics можно приобрести в магазине shop.roboforum.ru

Day OFF? You must be pulling my leg! Stop making humor before someone sees you, fool!

Аватара пользователя
blindman
 
Сообщения: 4130
Зарегистрирован: 29 апр 2008, 21:15
Откуда: Хабаровск
прог. языки: C,C++,Assembler,PHP,Javascript,Ruby, SPIN,Java(?)
ФИО: Андрей Юрьевич

Re: RoboBus.RU спецификация шины MiniBot'а

Сообщение =DeaD= » 28 окт 2008, 08:35

Разве МК при заземлённом RESET отвечает на запросы программатора?

Добавлено спустя 28 секунд:
Сделать тогда разрыв в SCK линии можно джампером или еще в какой.
Проект [[Open Robotics]] - Универсальные модули для построения роботов
Аватара пользователя
=DeaD=
 
Сообщения: 24218
Зарегистрирован: 06 окт 2004, 18:01
Откуда: Ебург
прог. языки: C++ / PHP / 1C
ФИО: Антон Ботов

Re: RoboBus.RU спецификация шины MiniBot'а

Сообщение blindman » 28 окт 2008, 09:11

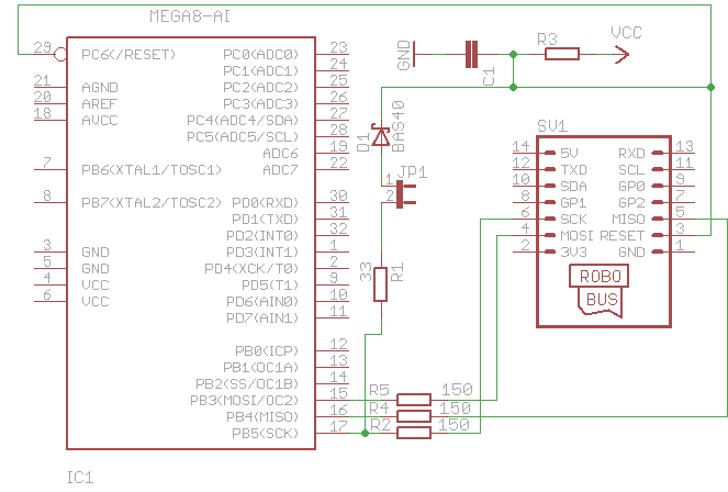
Возможно вот так. В нормальнм режиме джампер замкнут. Если надо программировать девайс, джампер выдергиваем. У тех МК, где джампер установлен, при выставлении 0 на линии RESET на SCK также будет 0 - что не даст им войти в режим программирования.

Правда могут быть проблемы с программаторами, которые линию RESET включают через резистор - на SCK не будет четкого нуля.
Вложения
reset.png
Проект [[Open Robotics]] - универсальные модули для построения роботов
Модули Open Robotics можно приобрести в магазине shop.roboforum.ru

Day OFF? You must be pulling my leg! Stop making humor before someone sees you, fool!

Аватара пользователя
blindman
 
Сообщения: 4130
Зарегистрирован: 29 апр 2008, 21:15
Откуда: Хабаровск
прог. языки: C,C++,Assembler,PHP,Javascript,Ruby, SPIN,Java(?)
ФИО: Андрей Юрьевич

Re: RoboBus.RU спецификация шины MiniBot'а

Сообщение =DeaD= » 28 окт 2008, 09:28

А просто разрыв в SCK не поможет разве?
Проект [[Open Robotics]] - Универсальные модули для построения роботов
Аватара пользователя
=DeaD=
 
Сообщения: 24218
Зарегистрирован: 06 окт 2004, 18:01
Откуда: Ебург
прог. языки: C++ / PHP / 1C
ФИО: Антон Ботов

Re: RoboBus.RU спецификация шины MiniBot'а

Сообщение blindman » 28 окт 2008, 09:49

Хмм. Поможет. Просто джампер в SCK , и у МК SCK к земле подтянуть чтоб в воздухе не висел. Но это не очень удобно - в главном модуле SCK в рабочем состоянии всегда должен быть подключен к шине, и при программировании переферии нужно будет установить джампер на переферийном модуле и снять на главном, а после программирования установить на главном и перезапустить его. В той схеме что я предлагаю всего на 1 диод больше, но при этом она проще в работе - снял джампер на нужном модуле - и программируй его сколько угодно, причем после каждого программирования вся система будет перезапускаться.
Проект [[Open Robotics]] - универсальные модули для построения роботов
Модули Open Robotics можно приобрести в магазине shop.roboforum.ru

Day OFF? You must be pulling my leg! Stop making humor before someone sees you, fool!

Аватара пользователя
blindman
 
Сообщения: 4130
Зарегистрирован: 29 апр 2008, 21:15
Откуда: Хабаровск
прог. языки: C,C++,Assembler,PHP,Javascript,Ruby, SPIN,Java(?)
ФИО: Андрей Юрьевич

Re: RoboBus.RU спецификация шины MiniBot'а

Сообщение =DeaD= » 28 окт 2008, 11:44

Может быть ну его? Сделать просто джампер на SCK и всё? Часто ли надо программировать модули которые по SPI общаются? да еще чтобы больше 2 модулей было? (если 2 модуля - у одного только джампер снимаем на время программирования и всё). Или ты хочешь чтобы поставил джампер и до переключения на следующий модуль его не трогать? Тогда да, согласен - на порядок удобней :)
Проект [[Open Robotics]] - Универсальные модули для построения роботов
Аватара пользователя
=DeaD=
 
Сообщения: 24218
Зарегистрирован: 06 окт 2004, 18:01
Откуда: Ебург
прог. языки: C++ / PHP / 1C
ФИО: Антон Ботов

Re: RoboBus.RU спецификация шины MiniBot'а

Сообщение blindman » 28 окт 2008, 12:10

Если например главный модуль управляет SPI дисплеем через RoboBus, то у него SCK должен быть подключен всегда, иначе управлять не сможет. Если при этом на шине присутствует еще один модуль, то чтобы его запрограммировать, нужно будет на главном джампер скинуть. А после программирования на место вернуть, и перезапустить всю систему. Слишком много телодвижений.
Проект [[Open Robotics]] - универсальные модули для построения роботов
Модули Open Robotics можно приобрести в магазине shop.roboforum.ru

Day OFF? You must be pulling my leg! Stop making humor before someone sees you, fool!

Аватара пользователя
blindman
 
Сообщения: 4130
Зарегистрирован: 29 апр 2008, 21:15
Откуда: Хабаровск
прог. языки: C,C++,Assembler,PHP,Javascript,Ruby, SPIN,Java(?)
ФИО: Андрей Юрьевич

Re: RoboBus.RU спецификация шины MiniBot'а

Сообщение =DeaD= » 28 окт 2008, 12:14

Согласен. Надо как-то оптимизировать. :good:
Проект [[Open Robotics]] - Универсальные модули для построения роботов
Аватара пользователя
=DeaD=
 
Сообщения: 24218
Зарегистрирован: 06 окт 2004, 18:01
Откуда: Ебург
прог. языки: C++ / PHP / 1C
ФИО: Антон Ботов

Re: RoboBus.RU спецификация шины MiniBot'а

Сообщение blindman » 28 окт 2008, 17:17

Предлагаю параграф Требования к принципиальным схемам модулей изложить в следующей редакции:

  1. Сигнал RESET от МК должен быть через джампер выведен на пин 3 системной шины;
  2. Сигнал XTAL1 от МК рекомендуется через джампер вывести на пин 7 системной шины;
  3. Модуль рекомендуется проектировать таким образом, чтобы в рабочем режиме при поступлении на линию RESET уровня логического нуля, МК не входил в режим программирования. Это может быть обеспечено, например, удержанием вывода SCK МК в состоянии логического нуля независимо от напряжения на соответствующей линии шины.
  4. Модуль рекомендуется проектировать таким образом, чтобы иметь возможность перевода в режим программирования, например, перестановкой джампера. В режиме программирования вывод SCK МК не должен удерживаться в состоянии логического нуля.
Проект [[Open Robotics]] - универсальные модули для построения роботов
Модули Open Robotics можно приобрести в магазине shop.roboforum.ru

Day OFF? You must be pulling my leg! Stop making humor before someone sees you, fool!

Аватара пользователя
blindman
 
Сообщения: 4130
Зарегистрирован: 29 апр 2008, 21:15
Откуда: Хабаровск
прог. языки: C,C++,Assembler,PHP,Javascript,Ruby, SPIN,Java(?)
ФИО: Андрей Юрьевич

Re: RoboBus.RU спецификация шины MiniBot'а

Сообщение =DeaD= » 28 окт 2008, 18:06

3 и 4 как-то очень путанно. Это только вкупе 3 и 4 применяется или можно сделать 3, но не сделать 4 и наоборот?

Добавлено спустя 2 минуты 32 секунды:
Может быть так?

Рекоммендуется проектировать модуль таким образом, чтобы выставлением джампера "запрет программирования модуля" можно было заблокировать переход МК модуля в режим программирования при поступлении на вход RESET логического нуля.

Это позволит отлаживать и перепрограммировать только нужный модуль при использовании шины SPI без каких-либо физических действий по возврату системы из режима программирования.
Проект [[Open Robotics]] - Универсальные модули для построения роботов
Аватара пользователя
=DeaD=
 
Сообщения: 24218
Зарегистрирован: 06 окт 2004, 18:01
Откуда: Ебург
прог. языки: C++ / PHP / 1C
ФИО: Антон Ботов

Re: RoboBus.RU спецификация шины MiniBot'а

Сообщение blindman » 28 окт 2008, 18:11

И так и так смысл понятен но как-то многословно. Надо подумать как покороче сформулировать
Проект [[Open Robotics]] - универсальные модули для построения роботов
Модули Open Robotics можно приобрести в магазине shop.roboforum.ru

Day OFF? You must be pulling my leg! Stop making humor before someone sees you, fool!

Аватара пользователя
blindman
 
Сообщения: 4130
Зарегистрирован: 29 апр 2008, 21:15
Откуда: Хабаровск
прог. языки: C,C++,Assembler,PHP,Javascript,Ruby, SPIN,Java(?)
ФИО: Андрей Юрьевич

Пред.След.

Вернуться в Электроника

Кто сейчас на конференции

Сейчас этот форум просматривают: нет зарегистрированных пользователей и гости: 2