Необходимо изготовить детали (металл) [МСК]

Предложение о работе и сотрудничестве на коммерческой основе

Необходимо изготовить детали (металл) [МСК]

Сообщение leprud » 20 авг 2013, 19:51

Приветствую. Необходимо изготовить детали в (на данный момент) единичном экземпляре (некоторые детальки и 2-4 экземпляра).
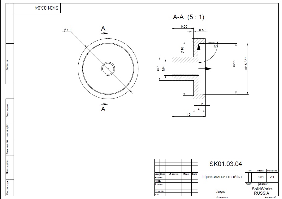
Пара примеров во вложении.
Из вашего материала.
Чертежи доступны как в pdf, так и в SW2013 (вместе с 3д объектами)

Желательно - Москва.

Со сроками и примерными ценами, прошу писать в личку
Вложения
010304.jpg
010303.jpg
leprud
 
Сообщения: 174
Зарегистрирован: 16 май 2013, 09:26
Откуда: Moscow
прог. языки: декларативные

Re: Необходимо изготовить детали (металл) [МСК]

Сообщение leprud » 03 сен 2013, 02:57

Все еще нужно... :(
leprud
 
Сообщения: 174
Зарегистрирован: 16 май 2013, 09:26
Откуда: Moscow
прог. языки: декларативные

Re: Необходимо изготовить детали (металл) [МСК]

Сообщение avr123.nm.ru » 03 сен 2013, 05:42

В поиске или на avito.ru посмотрите - там много предложений токарей и фрезеровщиков. В НАМИ в цехе ЗОК могут сделать ВСЕ! Это Завод опытных Конструкций.
Читайте !
Аватара пользователя
avr123.nm.ru
отсылающий читать курс
 
Сообщения: 14195
Зарегистрирован: 06 ноя 2005, 04:18
Откуда: Москва

Re: Необходимо изготовить детали (металл) [МСК]

Сообщение leprud » 04 сен 2013, 12:29

Готов обсудить изготовление сразу нескольких комплектов (2-3-4).
leprud
 
Сообщения: 174
Зарегистрирован: 16 май 2013, 09:26
Откуда: Moscow
прог. языки: декларативные


Вернуться в Вакансии/Работа/Трудоустройство/Заказы

Кто сейчас на конференции

Сейчас этот форум просматривают: нет зарегистрированных пользователей и гости: 1

cron