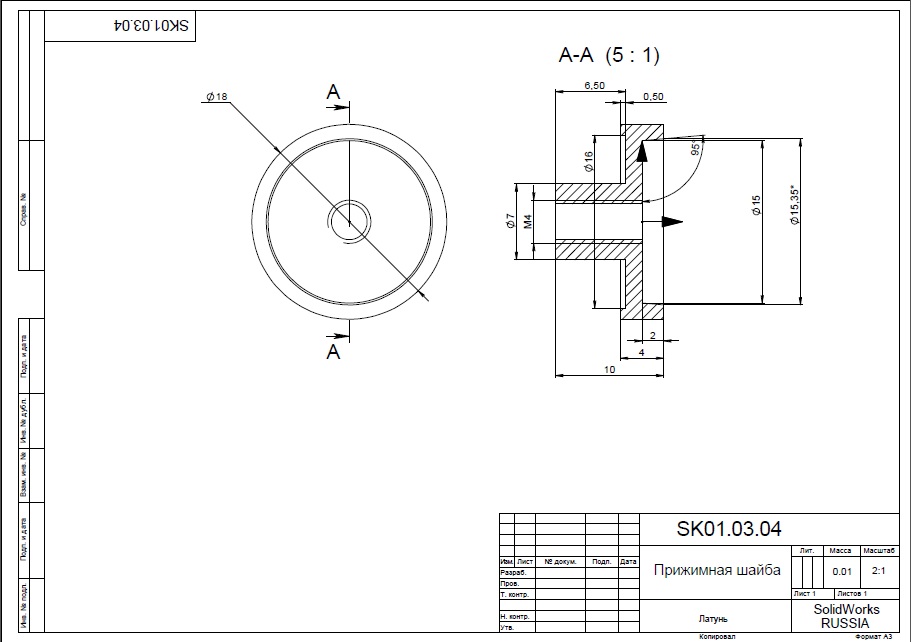
Приветствую. Необходимо изготовить детали в (на данный момент) единичном экземпляре (некоторые детальки и 2-4 экземпляра).
Пара примеров во вложении.
Из вашего материала.
Чертежи доступны как в pdf, так и в SW2013 (вместе с 3д объектами)
Желательно - Москва.
Со сроками и примерными ценами, прошу писать в личку

