roboforum.ru

Технический форум по робототехнике.


Умер LPC2478

ARM7, ARM9, ARM11 etc.

Умер LPC2478

Сообщение -= Александр =- » 19 окт 2010, 13:09

Сабж. Неделю назад работал, щас подключаю - житаг его не обнаруживает. :cry:
Кто умеет через ком-порт их прошивать? Может я каким-то образом его залочил или повесил вместе с житагом... :shock:
Кварц кстати не генерит вообще... Менять пробовал - не помогает.
Ниндзя - круче всех. Они умеют ходить по воде, делить на ноль и угадывать шаффл в АйПоде.
Аватара пользователя
-= Александр =-
Мастер Самоделкин
 
Сообщения: 3678
Зарегистрирован: 11 окт 2004, 19:20
Откуда: Россия, СПб
прог. языки: C/C++, Python, asm
ФИО: Курмис Александр Андреевич

Re: Умер LPC2478

Сообщение galex1981 » 19 окт 2010, 13:12

Погоди, рано еще его оплакивать. Не обязательно умер. Во-первых вопрос: Какая отладочная плата или плата собственного производства? Если собственного приведи плиз схему, я подскажу как его через Ком-порт прошивать
if(!Operate) Read(pDatasheet);
Аватара пользователя
galex1981
 
Сообщения: 4363
Зарегистрирован: 04 дек 2008, 22:44
Откуда: Камышин
Skype: galk-aleksandr1
прог. языки: Kotlin, Java, C, C++, Assm, BasCom, VB, php
ФИО: Галкин Александр Владимирович

Re: Умер LPC2478

Сообщение Сергей » 19 окт 2010, 13:21

Пайку проверить надо. Особенно когда JTAG часто подключаешь - силой жмешь, что не есть хорошо для платы.
Сергей
 
Сообщения: 3744
Зарегистрирован: 29 дек 2004, 23:15
Откуда: Санкт-Петербург
прог. языки: C, C++, C#, Asm
ФИО: Кашликов Сергей

Re: Умер LPC2478

Сообщение -= Александр =- » 19 окт 2010, 13:36

Пайку грел воздушкой - не помогло.
Плата своя. Вот схема...
Есть такая мысль: пока плата лежала - остатки флюса могли закиснуть... Щас промывал - но пока бесполезно.

Добавлено спустя 9 минут 39 секунд:
Еще мысль: его могло статикой убить?
Вложения
PA-01_Control.pdf
(269.73 КиБ) Скачиваний: 0
Ниндзя - круче всех. Они умеют ходить по воде, делить на ноль и угадывать шаффл в АйПоде.
Аватара пользователя
-= Александр =-
Мастер Самоделкин
 
Сообщения: 3678
Зарегистрирован: 11 окт 2004, 19:20
Откуда: Россия, СПб
прог. языки: C/C++, Python, asm
ФИО: Курмис Александр Андреевич

Re: Умер LPC2478

Сообщение galex1981 » 19 окт 2010, 13:43

Если на плате нормально проц стоит, то вряд ли статикой убило
if(!Operate) Read(pDatasheet);
Аватара пользователя
galex1981
 
Сообщения: 4363
Зарегистрирован: 04 дек 2008, 22:44
Откуда: Камышин
Skype: galk-aleksandr1
прог. языки: Kotlin, Java, C, C++, Assm, BasCom, VB, php
ФИО: Галкин Александр Владимирович

Re: Умер LPC2478

Сообщение -= Александр =- » 19 окт 2010, 13:51

Плата кстати многослойка - земли там дофига...
Ниндзя - круче всех. Они умеют ходить по воде, делить на ноль и угадывать шаффл в АйПоде.
Аватара пользователя
-= Александр =-
Мастер Самоделкин
 
Сообщения: 3678
Зарегистрирован: 11 окт 2004, 19:20
Откуда: Россия, СПб
прог. языки: C/C++, Python, asm
ФИО: Курмис Александр Андреевич

Re: Умер LPC2478

Сообщение galex1981 » 19 окт 2010, 13:52

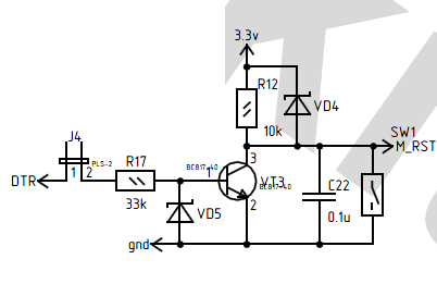
Ну во-первых ты должен простенькую схему-дополнение собрать, я ее тут привожу. DTR идет на переходник UART-COM или UART-USB. Перемычка должна быть замкнута. M_RST идет на ногу RESET МК. Далее подключаешь свою плату переходником к COM/USB. Далее запускаешь прогу FlashMagic от NXP и выбрав Ком-порт сможешь прошить свой проц если он живой.
Вложения
FlashMagic.rar
(5.69 МиБ) Скачиваний: 0
uart.PNG
if(!Operate) Read(pDatasheet);
Аватара пользователя
galex1981
 
Сообщения: 4363
Зарегистрирован: 04 дек 2008, 22:44
Откуда: Камышин
Skype: galk-aleksandr1
прог. языки: Kotlin, Java, C, C++, Assm, BasCom, VB, php
ФИО: Галкин Александр Владимирович

Re: Умер LPC2478

Сообщение -= Александр =- » 19 окт 2010, 14:00

А просто руками ресет на землю замкнуть не прокатит?
Ниндзя - круче всех. Они умеют ходить по воде, делить на ноль и угадывать шаффл в АйПоде.
Аватара пользователя
-= Александр =-
Мастер Самоделкин
 
Сообщения: 3678
Зарегистрирован: 11 окт 2004, 19:20
Откуда: Россия, СПб
прог. языки: C/C++, Python, asm
ФИО: Курмис Александр Андреевич

Re: Умер LPC2478

Сообщение galex1981 » 19 окт 2010, 14:04

Попробуй, у меня проц LPC2368 - не прокатило
if(!Operate) Read(pDatasheet);
Аватара пользователя
galex1981
 
Сообщения: 4363
Зарегистрирован: 04 дек 2008, 22:44
Откуда: Камышин
Skype: galk-aleksandr1
прог. языки: Kotlin, Java, C, C++, Assm, BasCom, VB, php
ФИО: Галкин Александр Владимирович

Re: Умер LPC2478

Сообщение -= Александр =- » 19 окт 2010, 15:07

Проблему решил - внешняя микросхема держала ресет. Теперь Н-жтаг его обнаружил. Но при попытке прошить вылазит вот это:
Error: Can't halt target and make it enter DEBUG state.
Что это может значить?
Ниндзя - круче всех. Они умеют ходить по воде, делить на ноль и угадывать шаффл в АйПоде.
Аватара пользователя
-= Александр =-
Мастер Самоделкин
 
Сообщения: 3678
Зарегистрирован: 11 окт 2004, 19:20
Откуда: Россия, СПб
прог. языки: C/C++, Python, asm
ФИО: Курмис Александр Андреевич

Re: Умер LPC2478

Сообщение galex1981 » 19 окт 2010, 15:48

Выдает типа: не могу остановить устройство и перейти в режим отладки. Может быть теперь он не может переключить Reset?
if(!Operate) Read(pDatasheet);
Аватара пользователя
galex1981
 
Сообщения: 4363
Зарегистрирован: 04 дек 2008, 22:44
Откуда: Камышин
Skype: galk-aleksandr1
прог. языки: Kotlin, Java, C, C++, Assm, BasCom, VB, php
ФИО: Галкин Александр Владимирович

Re: Умер LPC2478

Сообщение -= Александр =- » 19 окт 2010, 15:59

Ресет он переключает - проверил.
Пробовал кварцы менять - через раз или так или неверное ID выдает. Похоже копец ему пришел... (
Ниндзя - круче всех. Они умеют ходить по воде, делить на ноль и угадывать шаффл в АйПоде.
Аватара пользователя
-= Александр =-
Мастер Самоделкин
 
Сообщения: 3678
Зарегистрирован: 11 окт 2004, 19:20
Откуда: Россия, СПб
прог. языки: C/C++, Python, asm
ФИО: Курмис Александр Андреевич

Re: Умер LPC2478

Сообщение -= Александр =- » 21 окт 2010, 12:10

В общем так и не понял что с ним было, но прошивка через ком заставила его работать!
Ниндзя - круче всех. Они умеют ходить по воде, делить на ноль и угадывать шаффл в АйПоде.
Аватара пользователя
-= Александр =-
Мастер Самоделкин
 
Сообщения: 3678
Зарегистрирован: 11 окт 2004, 19:20
Откуда: Россия, СПб
прог. языки: C/C++, Python, asm
ФИО: Курмис Александр Андреевич


Вернуться в ARM

Кто сейчас на конференции

Сейчас этот форум просматривают: нет зарегистрированных пользователей и гости: 0

cron