USB я так понял будет родной от МК?
Как дела обстоят с написанием драйвера для PC и на стороне МК?
![]() |
roboforum.ruТехнический форум по робототехнике. |
|
Vooon писал(а):запаять сетевой контроллер было не просто, сложно точно поставить было.

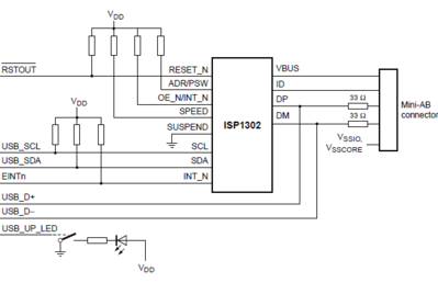
чтот я совсем в даташите на STM32F105/STM32F107 даже упоминания не видел, что нужна внешняя микра для otg. зато в даташите вот такое есть:USB 2.0 full-speed device/host/OTG controller with on-chip PHY that supports HNP/SRP/ID with 1.25 Kbytes of dedicated SRAM
или я чтот пропустил?Michael_K писал(а):Там максимум ключ-монитор питания ставят. И все.
"непонятно"
не не не, всё как и сказал Michael_K. глянул схемки с офсайта (благо эти милые люди альтиум уважают, а то я в другом софте уже разучился работать) ST по схемам только микра защиты от статики и супервизор питанияAngel71 писал(а):ST по схемам только микра защиты от статики и супервизор питания

Сейчас этот форум просматривают: нет зарегистрированных пользователей и гости: 0