ARM

ARM7, ARM9, ARM11 etc.

ARM

Сообщение -= Александр =- » 04 июн 2007, 20:29

Думаю настало время... ARM - что это такое и с чем его едят ? Обсуждаем тут.
Знаю что есть

Всё для ARM - http://arm2day.narod.ru
Там и программы - компилятор Си с симулятором, и примеры программ, и FAQ и даже доступ к макетке, компилеру и примерам на удаленном компьютере.. И простейший программатор-отладчик ARM JTAG Wigler.

Вот БОЛЬШОЙ список примеров исходников для ARM - там есть и разная память, компоненты и различные интерфейсы ...
http://www.keil.com/download/list/arm.htm

но пока не вчитывался...

Кто что знает - пишем сюда, будем вместе разбираться. Я только седня получил посылочку TMS470 и очень уж хочется его освоить.

Как получить до 10 штук нахаляву - читаем тут: viewtopic.htm?t=2096
Мне дошло меньше чем за неделю!

=== avr123 === Keil uVision - Kullanım Video Настройка проекта и симуляция - YouTube
http://www.youtube.com/watch?v=PmLUUaLSJbE
Аватара пользователя
-= Александр =-
Мастер Самоделкин
 
Сообщения: 3678
Зарегистрирован: 11 окт 2004, 19:20
Откуда: Россия, СПб
прог. языки: C/C++, Python, asm
ФИО: Курмис Александр Андреевич

Сообщение -= Александр =- » 05 июн 2007, 00:32

ARM вообще-то 32-битный и на нем можно запускать ОС, программить с использованием классов, решать всякие масштабные задачи ...

< avr123 добавил : >

ARM LPC2xxx SuperPak.rar
http://stream.ifolder.ru/6989907 Размер: 7.60 Мб

Это материалы для быстрого старта в изучении этих микроокнтроллеров. Cодержание.
1. Статьи по ARM LPC2xxx на русском.
2. Примеры МОРЕ исходников и проектов для KEIL для GCC и для KEIL-PROTEUS
3. Методичка для студентов питерского университета - лабораторные с LPC2148 USB
4. Русский даташит lpc2104 lpc2105 lpc2106
5. скачать - "Книга ARM7 LPC2000 компании Philips Вводный курс"

Интересные конкурсные проекты на ARM можно найти на
http://www.circuitcellar.com/designstel ... nners.html

Из моего опыта:

1. Советую использовать для ARM компилятор Keil.com с великолепнейшим симулятором !
http://www.keil.com/uvision/db_anl_logicanalyzer.asp

2. Поработать в KEIL с LPC и другими ARM можно на удаленном ПК через интернет - http://www.arm2day.narod.ru

3. Для связи ПК с МК программа H-JTAG и схему адаптера с их сайта - http://www.hjtag.com/QA.html

4. Схему макетки для ARM и доку как с ней работать скачать на http://www.keil.com
Там мощнейшая база данный с ответами на ТЫСЯЧИ вопросов юзеров с примерами кода !

5. Русскоязычные советы и ответы по ARM есть на http://www.arm2day.narod.ru
там же схемы USB JTAG модно найти.

6. Советую скачать книгу - Guide To The Philips ARM7 LPC21xx Hitex (10 Мб PDF)
http://www.hitex.co.uk/arm/lpc2000book/ ... dpage.html
Аватара пользователя
-= Александр =-
Мастер Самоделкин
 
Сообщения: 3678
Зарегистрирован: 11 окт 2004, 19:20
Откуда: Россия, СПб
прог. языки: C/C++, Python, asm
ФИО: Курмис Александр Андреевич

Сообщение Vooon » 05 июн 2007, 00:50

АРМ может справится и с видео(но не все) и програмно МП3 декодировать...

есть 3 разновидности АРМов, это АРМ7, АРМ9, АРМ11
под них есть порты линукса (и не только)
Аватара пользователя
Vooon
Site Admin
 
Сообщения: 3339
Зарегистрирован: 09 фев 2006, 15:36
Откуда: Москва
Skype: vooon341
прог. языки: Python, C, Bash, JavaScript, C++, PHP
ФИО: Владимир Ермаков

Сообщение -= Александр =- » 05 июн 2007, 02:09

Есть пачка конкретных вопросов:

1)Интерфейс программирования.
Он одинаковый для всех АРМ или у каждого производителя свой?
Подойдет ли JTAG от STK-500? - очень уж хочется сделать универсальный программатор AVR USB STK-500...

avr123 собрал и использовал H-JTAG (http://www.hjtag.com/index.html) работает прекрасно, бесплатный и простой

2)Среда разработки?

avr123 советую KEIL.com - великолепная среда с супер симулятором !
Аватара пользователя
-= Александр =-
Мастер Самоделкин
 
Сообщения: 3678
Зарегистрирован: 11 окт 2004, 19:20
Откуда: Россия, СПб
прог. языки: C/C++, Python, asm
ФИО: Курмис Александр Андреевич

Сообщение Vooon » 05 июн 2007, 02:24

-= Александр =- писал(а):Есть пачка конкретных вопросов:

1)Интерфейс программирования.
Он одинаковый для всех АРМ или у каждого производителя свой?
Подойдет ли JTAG от STK-500? - очень уж хочется сделать универсальный программатор AVR USB STK-500...

2)Среда разработки?


1) JTAG, но он там другой. есть еще интерфейсы, но они вроде разные

2) IAR, GCC
Аватара пользователя
Vooon
Site Admin
 
Сообщения: 3339
Зарегистрирован: 09 фев 2006, 15:36
Откуда: Москва
Skype: vooon341
прог. языки: Python, C, Bash, JavaScript, C++, PHP
ФИО: Владимир Ермаков

Сообщение -= Александр =- » 05 июн 2007, 15:09

Сергей, а какой лучше юзать программатор? Есть схемки для USB? А то покупать готовый как всегда жаба душит...
Аватара пользователя
-= Александр =-
Мастер Самоделкин
 
Сообщения: 3678
Зарегистрирован: 11 окт 2004, 19:20
Откуда: Россия, СПб
прог. языки: C/C++, Python, asm
ФИО: Курмис Александр Андреевич

Сообщение Сергей » 05 июн 2007, 15:23

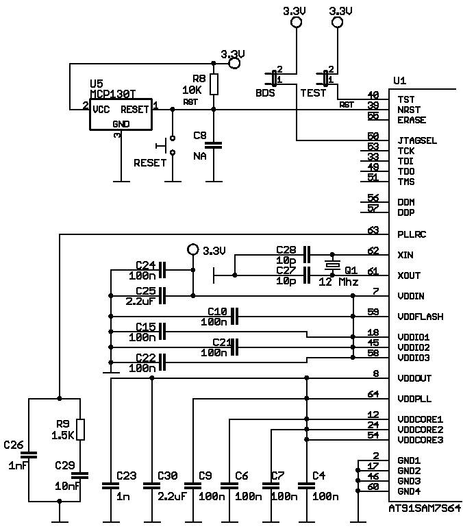
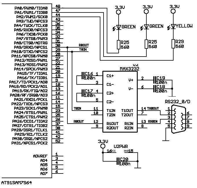
Как я понял в АТ91 есть такое место в памяти где загружена SAMBA(насколько я понимаю - это прошивка), можно сделать так, что в процессор загрузится она и можно подключать к компу и прошивать. Но чтобы прошить еще раз, ну жно опять загрузить samb'у в него. Я загружаю - путем перемычки на плате.(Плата, как я уже упоминал гдето, от OLIMEX).
[off] Схему подключения USB пока не нашел у себя, но зато нашел несколько схем для АТ91.[/off]
Вложения
image036.jpg
image034.jpg
Сергей
 
Сообщения: 3744
Зарегистрирован: 29 дек 2004, 23:15
Откуда: Санкт-Петербург
прог. языки: C, C++, C#, Asm
ФИО: Кашликов Сергей

Сообщение -= Александр =- » 05 июн 2007, 22:58

Так SAMBA уже по-дефолту в нем есть? Или ее тоже надо прошивать?
И через что происходит прошивание?
Аватара пользователя
-= Александр =-
Мастер Самоделкин
 
Сообщения: 3678
Зарегистрирован: 11 окт 2004, 19:20
Откуда: Россия, СПб
прог. языки: C/C++, Python, asm
ФИО: Курмис Александр Андреевич

Сообщение Сергей » 05 июн 2007, 23:11

В чипе уже стоит самба, если почитать даташит то можно увидеть вот что:
[off]ЗЫ: прошивание происходит через USB, что с одной стороны удобно, но с другой - не очень. Схема примерно такая:
МК выключен, ставим перемычку, включаем, ждем несколько секунд(гдето было написано что лучше ждать 10 сек), выключаем МК, снимаем перемычку, включаем, подсоединяем к компу(если в первый раз, то дрова должны установицца, если нет - то должен появицца знакчок подлюченного юсб устройства). Все, через специальную прогу SAMBA-PROG прошиваем bin файл в процессор. Вследствии этого самба внутри МК затирается на новую прошивку. Теперь прежде чем прошить заного - нужно сделать все сначала, с выключения МК... и тд. Так как у мну нет возможности приобрести или спаять жтаг, то пользуюсь пока таким методом. Жалко протеус умеет только ядро ARM7 симулить.. кста, в протеусе есть пример с ОС на этом ядре, только нужен не слабй комп чтобы это просимулировать.[/off]
Вложения
smb.JPG
smb.JPG (27.58 КиБ) Просмотров: 35152
Сергей
 
Сообщения: 3744
Зарегистрирован: 29 дек 2004, 23:15
Откуда: Санкт-Петербург
прог. языки: C, C++, C#, Asm
ФИО: Кашликов Сергей

Сообщение The_Kurs » 06 июн 2007, 09:05

Давайте разграничивать обязательно микроконтроллеры AT91 и TMS470. Так как одни более популярные а вторые можно надыбать на халяву, на первые все таки есть информация а вот на вторые что то глухо (((.
В документации на At91 краешком глаза заметил что можно ещё через какой то CAN програмировать.
На странице курса которая указана вначале темы есть ссылка на русское описание AT91SAM7.
А вот TMS470 можно програмировать через ЮСБ ???  И по возможности выложите схемку програматора JTAG под эти два микроконтроллера.
Вложения
AT91 In-System Programmer (ISP).pdf
(346 КиБ) Скачиваний: 241
AT91SAM CAN Bootloader User Notes.pdf
(249.19 КиБ) Скачиваний: 183
The_Kurs
 
Сообщения: 161
Зарегистрирован: 16 фев 2007, 16:33
Откуда: Петропавловск-Камчатский

Сообщение Сергей » 06 июн 2007, 15:06

Начнемс с ЖТАГ. Вот есть так называемый Виглер ака Wiggler. Здесь
Сергей
 
Сообщения: 3744
Зарегистрирован: 29 дек 2004, 23:15
Откуда: Санкт-Петербург
прог. языки: C, C++, C#, Asm
ФИО: Кашликов Сергей

Сообщение -= Александр =- » 06 июн 2007, 16:06

Эх... Опять сказывается отсутствие LPT в моем компутере...  :cry:
Аватара пользователя
-= Александр =-
Мастер Самоделкин
 
Сообщения: 3678
Зарегистрирован: 11 окт 2004, 19:20
Откуда: Россия, СПб
прог. языки: C/C++, Python, asm
ФИО: Курмис Александр Андреевич

Сообщение Сергей » 06 июн 2007, 22:28

[off]А у меня LPT есть  хехе) Но мне всеравно влом паять Виглер... пока устраиввает юсб для прошивки, хотя для отладки всетаки не обойтись без жтаг[/off]
Сергей
 
Сообщения: 3744
Зарегистрирован: 29 дек 2004, 23:15
Откуда: Санкт-Петербург
прог. языки: C, C++, C#, Asm
ФИО: Кашликов Сергей

Сообщение Master » 07 июн 2007, 11:45

Сергей писал(а):Начнемс с ЖТАГ. Вот есть так называемый Виглер ака Wiggler. Здесь

Ссылка не работает открывается пустое окно.
[off]Странно, я жму и все открывается и загружается. Вот http://www.bicotech.com/?page=prod_wiggler&lg=ru<Сергей>
У меня тоже работает <Александр>[/off]
Аватара пользователя
Master
 
Сообщения: 4468
Зарегистрирован: 21 дек 2006, 19:56
Откуда: Украина, г.Одесса
прог. языки: Delphi и С

Сообщение Master » 07 июн 2007, 11:46

-= Александр =- писал(а):Эх... Опять сказывается отсутствие LPT в моем компутере...  :cry:

-= Александр =- купи себе плату расширения с LPT и закрой вопрос, стоит правда в районе 20 у. е.
Аватара пользователя
Master
 
Сообщения: 4468
Зарегистрирован: 21 дек 2006, 19:56
Откуда: Украина, г.Одесса
прог. языки: Delphi и С

След.

Вернуться в ARM

Кто сейчас на конференции

Сейчас этот форум просматривают: нет зарегистрированных пользователей и гости: 1