roboforum.ru

Технический форум по робототехнике.


RoboRF в МиниБоте

Готовая электроника для самодельного робота. Уровень от начинающих до опытных конструкторов.

RoboRF в МиниБоте

Сообщение galex1981 » 29 янв 2009, 00:22

Для начала знакомлюсь с предметной областью: изучаю datasheet ИС C2500 и исходные коды минибота и т. д.
Вложения
v3.0.rar
последняя рабочая версия
(21.17 КиБ) Скачиваний: 39
исх код эда.rar
имеющиеся исходники
(67.28 КиБ) Скачиваний: 78
cc2500.pdf
Даташит на ИС
(1.3 МиБ) Скачиваний: 135
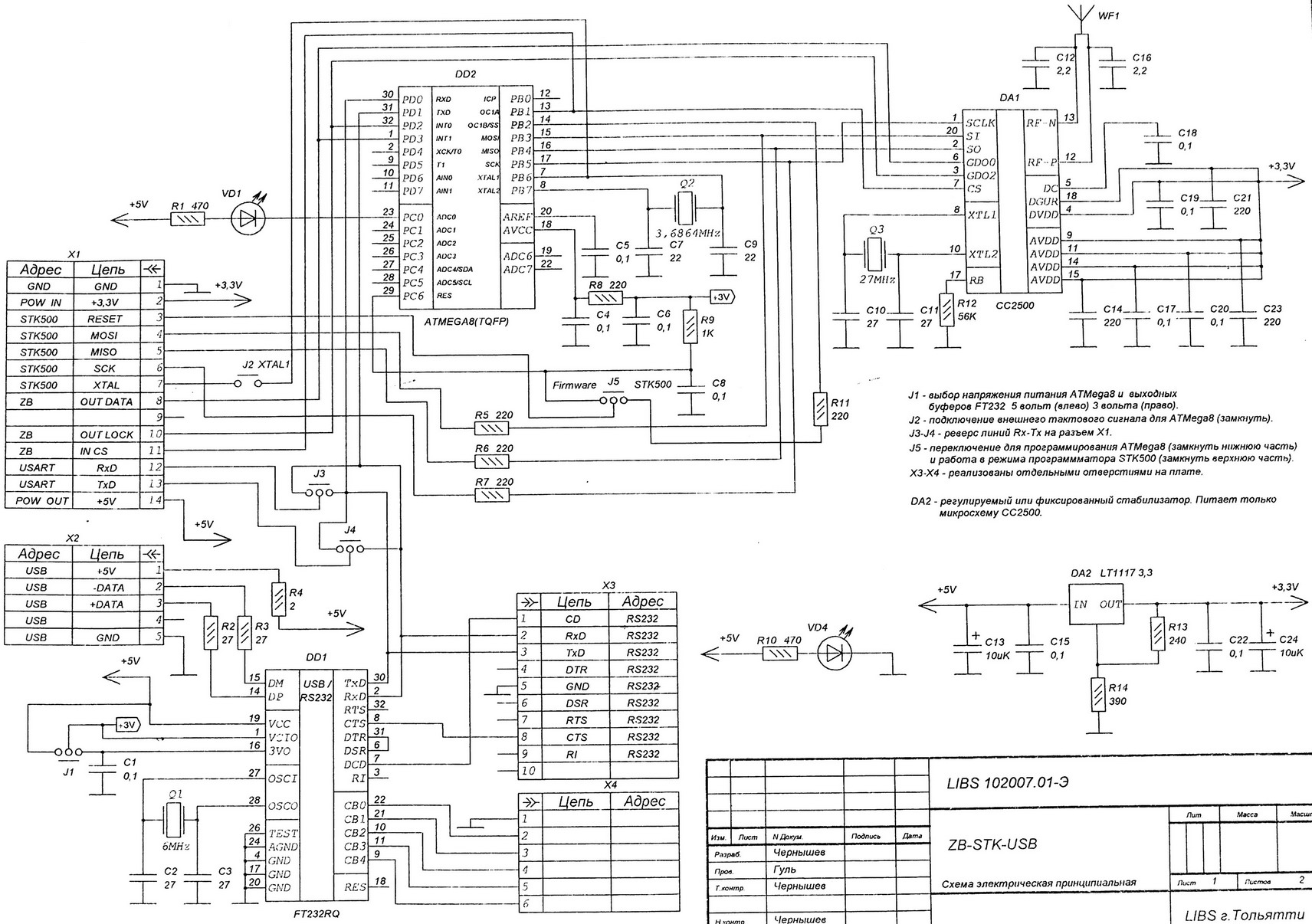
shema.jpg
Схема миниплаты
Последний раз редактировалось galex1981 15 сен 2009, 21:56, всего редактировалось 6 раз(а).
if(!Operate) Read(pDatasheet);
Аватара пользователя
galex1981
 
Сообщения: 4363
Зарегистрирован: 04 дек 2008, 22:44
Откуда: Камышин
Skype: galk-aleksandr1
прог. языки: Kotlin, Java, C, C++, Assm, BasCom, VB, php
ФИО: Галкин Александр Владимирович

Re: Разработка кода общения 2х мегаплат

Сообщение statistic » 29 янв 2009, 00:29

я так понимаю код будет на bascomе?
жизнь это компьютерная игра:сценарий так себе, зато графика потрясающая!
удиви печень:выпей воды!
statistic
 
Сообщения: 266
Зарегистрирован: 04 апр 2008, 13:44
Откуда: г.Петрозаводск

Re: Разработка кода общения 2х мегаплат на СС2500

Сообщение galex1981 » 29 янв 2009, 00:33

Да, код будет разрабатываться на Bascom потом я переделаю его на C
if(!Operate) Read(pDatasheet);
Аватара пользователя
galex1981
 
Сообщения: 4363
Зарегистрирован: 04 дек 2008, 22:44
Откуда: Камышин
Skype: galk-aleksandr1
прог. языки: Kotlin, Java, C, C++, Assm, BasCom, VB, php
ФИО: Галкин Александр Владимирович

Re: Разработка кода общения 2х мегаплат на СС2500

Сообщение avr123.nm.ru » 29 янв 2009, 00:36

galex1981 писал(а):Да, код будет разрабатываться на Bascom потом я переделаю его на C

Интересный ход ! Может лучше сразу на Си написать взяв куски из существующих исходников под cc2500.
Аватара пользователя
avr123.nm.ru
отсылающий читать курс
 
Сообщения: 14195
Зарегистрирован: 06 ноя 2005, 04:18
Откуда: Москва
Предупреждения: -8

Re: Разработка кода общения 2х мегаплат на СС2500

Сообщение galex1981 » 29 янв 2009, 00:38

Я посмотрю как проще будет, пока изучаю предметную область
if(!Operate) Read(pDatasheet);
Аватара пользователя
galex1981
 
Сообщения: 4363
Зарегистрирован: 04 дек 2008, 22:44
Откуда: Камышин
Skype: galk-aleksandr1
прог. языки: Kotlin, Java, C, C++, Assm, BasCom, VB, php
ФИО: Галкин Александр Владимирович

Re: Разработка кода общения 2х мегаплат на СС2500

Сообщение boez » 29 янв 2009, 15:01

Написал ответ в более общую тему, но про минибот и СС2500

viewtopic.php?f=40&t=5072&p=81389#p81389
boez
 
Сообщения: 1981
Зарегистрирован: 27 авг 2008, 10:45
Откуда: Харьков
прог. языки: С/С++

Re: Разработка кода общения 2х мегаплат на СС2500

Сообщение galex1981 » 30 янв 2009, 00:32

Получил некоторые результаты: на основе исходников реализовал простейшую приемопередачу данных - без протокола. Нужно оттестить на реальной плате
Вложения
1.0.rar
код
(14.34 КиБ) Скачиваний: 38
if(!Operate) Read(pDatasheet);
Аватара пользователя
galex1981
 
Сообщения: 4363
Зарегистрирован: 04 дек 2008, 22:44
Откуда: Камышин
Skype: galk-aleksandr1
прог. языки: Kotlin, Java, C, C++, Assm, BasCom, VB, php
ФИО: Галкин Александр Владимирович

Re: Разработка кода общения 2х мегаплат на СС2500

Сообщение EdGull » 30 янв 2009, 00:34

порядок проверки какой?
Аватара пользователя
EdGull
 
Сообщения: 10211
Зарегистрирован: 28 дек 2004, 20:33
Откуда: Тольятти
Skype: Ed_Gull
прог. языки: Bascom AVR Basic
ФИО: Гуль Эдуард Викторович

Re: Разработка кода общения 2х мегаплат на СС2500

Сообщение galex1981 » 30 янв 2009, 00:37

прошиваешь 2 одинаковые платы, проще всего протестить так: подключаешь или через USB или через COM порт (FT232 же есть на плате) к двум компам, запускаешь терминалы, на одном компе вводишь символы, на другом они должны выводиться и наоборот
if(!Operate) Read(pDatasheet);
Аватара пользователя
galex1981
 
Сообщения: 4363
Зарегистрирован: 04 дек 2008, 22:44
Откуда: Камышин
Skype: galk-aleksandr1
прог. языки: Kotlin, Java, C, C++, Assm, BasCom, VB, php
ФИО: Галкин Александр Владимирович

Re: Разработка кода общения 2х мегаплат на СС2500

Сообщение EdGull » 30 янв 2009, 01:04

ок, ща проверим.

Добавлено спустя 19 минут 24 секунды:
нифига, не пересылает.
таблицы напечатало и курсором моргает как партизан

36 - 00001111
3A - 00001111
3B - 00001111
35 - 00001111
36 - 00001111
3A - 00001111
3B - 00001111
34 - 00001111
qqq

qqq это я напечатал
Аватара пользователя
EdGull
 
Сообщения: 10211
Зарегистрирован: 28 дек 2004, 20:33
Откуда: Тольятти
Skype: Ed_Gull
прог. языки: Bascom AVR Basic
ФИО: Гуль Эдуард Викторович

Re: Разработка кода общения 2х мегаплат на СС2500

Сообщение galex1981 » 30 янв 2009, 02:10

ок пересмотрю

Добавлено спустя 1 час 4 минуты 22 секунды:
немного по другому сделал
Вложения
1.01.rar
(14.87 КиБ) Скачиваний: 29
if(!Operate) Read(pDatasheet);
Аватара пользователя
galex1981
 
Сообщения: 4363
Зарегистрирован: 04 дек 2008, 22:44
Откуда: Камышин
Skype: galk-aleksandr1
прог. языки: Kotlin, Java, C, C++, Assm, BasCom, VB, php
ФИО: Галкин Александр Владимирович

Re: Разработка кода общения 2х мегаплат на СС2500

Сообщение EdGull » 30 янв 2009, 09:56

1. если прошить обе платы одинаковыми кодами, то ничего не шлет.
2. я попробывал в один вшить старый код на прием, а во второй твой код. так вот получается что твой код не отсылает.
Аватара пользователя
EdGull
 
Сообщения: 10211
Зарегистрирован: 28 дек 2004, 20:33
Откуда: Тольятти
Skype: Ed_Gull
прог. языки: Bascom AVR Basic
ФИО: Гуль Эдуард Викторович

Re: Разработка кода общения 2х мегаплат на СС2500

Сообщение galex1981 » 30 янв 2009, 21:45

Сделал реализацию отправки сообщения (символа) по каналу прерыванием.
Вложения
1.02.rar
(15.52 КиБ) Скачиваний: 31
if(!Operate) Read(pDatasheet);
Аватара пользователя
galex1981
 
Сообщения: 4363
Зарегистрирован: 04 дек 2008, 22:44
Откуда: Камышин
Skype: galk-aleksandr1
прог. языки: Kotlin, Java, C, C++, Assm, BasCom, VB, php
ФИО: Галкин Александр Владимирович

Re: Разработка кода общения 2х мегаплат на СС2500

Сообщение EdGull » 31 янв 2009, 16:44

постоянно лупит
3A - 11100001
3B - 11100001
35 - 11100001
36 - 11100001
3A - 11100001
3B - 11100001
35 - 11100001
36 - 11100001
3A - 11100001
3B - 11100001
35 - 11100001
36 - 11100001
3A - 11100001
3B - 11100001
35 - 11100001
36 - 11100001
3A - 11100001
3B - 11100001
35 - 11100001


и вставь плиз у себя строчку
Код: Выделить всёРазвернуть
Config Pinb.1 = Output : Zb_cs Alias Portb.1 : Zb_cs = 1       ' для мегаплаты
'Config Pinb.0 = Output : Zb_cs Alias Portb.0 : Zb_cs = 1       ' для МиниБот 2.0

Аватара пользователя
EdGull
 
Сообщения: 10211
Зарегистрирован: 28 дек 2004, 20:33
Откуда: Тольятти
Skype: Ed_Gull
прог. языки: Bascom AVR Basic
ФИО: Гуль Эдуард Викторович

Re: Разработка кода общения 2х мегаплат на СС2500

Сообщение galex1981 » 31 янв 2009, 21:43

Вставил твои строки, вставил свою тестовую строку и кое что переделал

Добавлено спустя 22 минуты 25 секунд:
Вот исправлено....

Добавлено спустя 14 минут 44 секунды:
Если 1.04 не пойдет попробуй 1.05, там я через флаг отключаю прием/передачу

Добавлено спустя 26 минут 21 секунду:
следующая версия...

Добавлено спустя 13 минут:
Отключил левые сообщения, сейчас должен в терминал возвращаться введеный символ

Добавлено спустя 29 минут 22 секунды:
убрал пустое срабатывание :D

Добавлено спустя 34 минуты 40 секунд:
Вставил заглушку

Добавлено спустя 12 минут 54 секунды:
Исходный код
Вложения
temp.rar
(12.97 КиБ) Скачиваний: 29
1.09.rar
(14.39 КиБ) Скачиваний: 30
1.08.rar
(15.4 КиБ) Скачиваний: 29
1.07.rar
(15.29 КиБ) Скачиваний: 28
1.06.rar
(15.14 КиБ) Скачиваний: 28
1.05.rar
(15.64 КиБ) Скачиваний: 28
1.04.rar
(15.52 КиБ) Скачиваний: 29
1.03.rar
(15.51 КиБ) Скачиваний: 30
if(!Operate) Read(pDatasheet);
Аватара пользователя
galex1981
 
Сообщения: 4363
Зарегистрирован: 04 дек 2008, 22:44
Откуда: Камышин
Skype: galk-aleksandr1
прог. языки: Kotlin, Java, C, C++, Assm, BasCom, VB, php
ФИО: Галкин Александр Владимирович

След.

Вернуться в МиниБот — национальный класс роботов

Кто сейчас на конференции

Сейчас этот форум просматривают: нет зарегистрированных пользователей и гости: 0

cron