![]() |
roboforum.ruТехнический форум по робототехнике. |
|
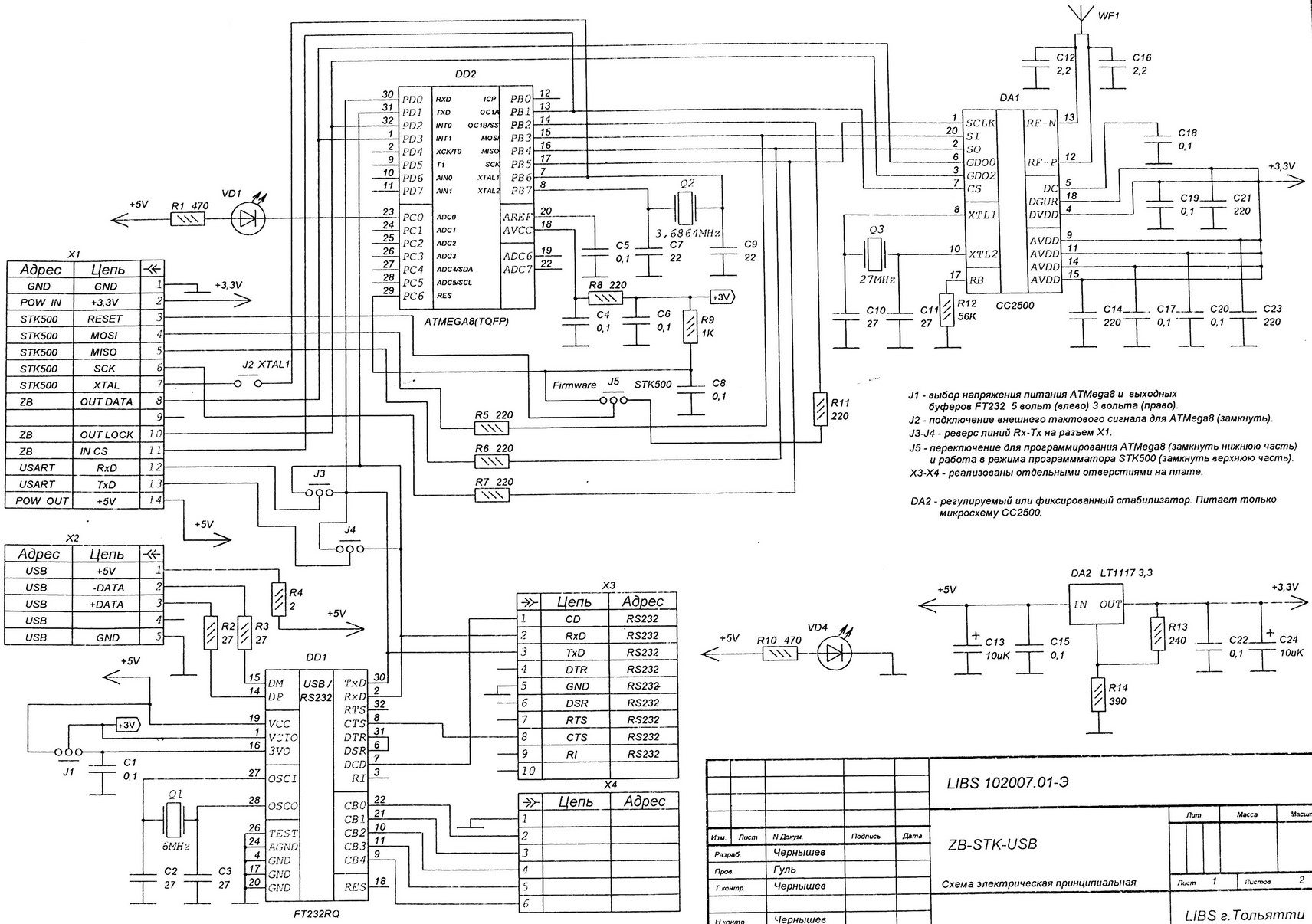
?

Но увы это проволока. А вот печатную диполь так точно не получается пока, но это скорей изобретение велосипеда потому что он ЧИПКОМОМ УЖЕ ПОСЧИТАНА 


Правда диполь из проволоки позволила работать по всему офису несмотря на перекрытия и радио-шум. Антенны на эту частоту под 50 Ом стоят 2 доллара. Если следующей версии железа появится согласующее устройство это будет здорово.


Вернуться в МиниБот — национальный класс роботов
Сейчас этот форум просматривают: нет зарегистрированных пользователей и гости: 0