EdGull писал(а):повторяю в ...надцатый раз, у меня своя лаборатория микроэлекторники
мы занимаемся разработкой и производством электроники которую я придумываю
...
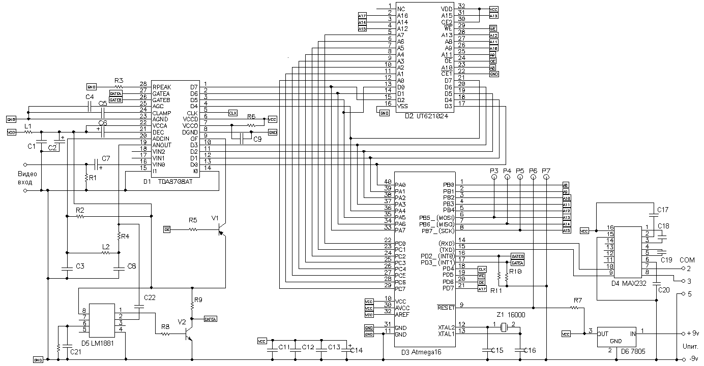
Ну, так может тогда и модуль захвата черно-белого изображения от видеокамеры попробуешь разработать, только желательно что бы МК пошустрее был и памяти на борту хотя бы 16Mb.
