а вы код напишите
и будет нам счастье на наших ботах, ЗВУКОВАЯ КАРТА!!! с нормальным динамиком

![]() |
roboforum.ruТехнический форум по робототехнике. |
|



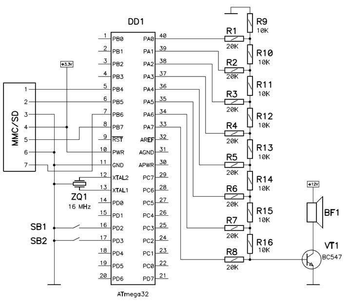
blindman писал(а):Чего там писать-то? Железо давай !!!
Я не стану выкладывать код, который на железке не опробован и не отлажен.
Ты схему - то все равно делай, код рано или поздно напишемMyp писал(а):ну так протэус это же сила!!!
он умеет не тока реальные порты приделывать в виртуальную схему
но и пищать тоже умеет в реале
blindman писал(а):1. Почему C++? Не очень популярный язык для АВРов. Да и смысл вообще его использовать, если там просто функции, завернутые в namespac'ы ?
2. Чем не устроил make?
3. Почему Mercurial, почему не CVS, не Subversion ?
)Вернуться в МиниБот — национальный класс роботов
Сейчас этот форум просматривают: нет зарегистрированных пользователей и гости: 0