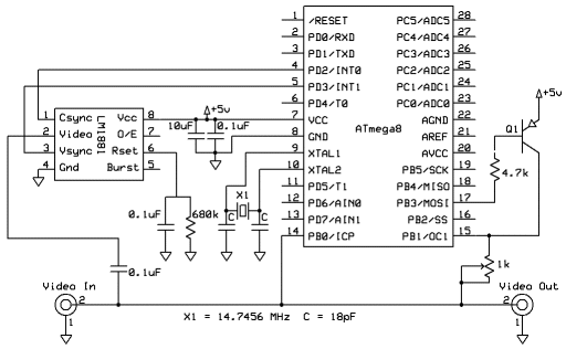
Вот увидел проект на просторах инета http://garydion.com/projects/videoverlay/.
Кто пробовал делать? Есть какие мысли ?


=DeaD= писал(а):Так то к зрению это мало имеет отношения - ну да ладно, это на будущее
это телеметрия 
=DeaD= писал(а):Так это не компьютерное зрениеэто телеметрия
. Мож раздел отдельный сделать по ней чтоб не мусорили ( как я
).Вернуться в Компьютерное зрение
Сейчас этот форум просматривают: нет зарегистрированных пользователей и гости: 0