roboforum.ru

Технический форум по робототехнике.

USB программатор для AVR

Все что связана с заливкой программ в микроконтроллеры.

Сообщение prottoss » 22 янв 2007, 11:45

AVL писал(а):Да, я пытаюсь запрограмировать тагет Аттини13. Смотрю осциллом сигналы на ногах тагета. Сигналы - "как кони". КОДЕВИЖИН должен мне выдать "прочитать Версию фирмваре программатора" или нет. Без тагета, к примеру. Что б определиться на котором этапе у меня это дело не работает и зачем перемычка 1/2 и можно-ли теперь, если Атмега8 уже видится компом саму Атмегу? Сделать апгрейд харда проггера. Я Атмегу 8 прошивал ОМЕГОЙ, а там не все фузы имелись, описанные в доке к проггеру. Может, у меня из-за этого косяк?
Спасибо.
да нет, если Windows программатор правильно видит, значит все нормально... А вы перемечку то переставили в положение J2?
prottoss
 
Сообщения: 41
Зарегистрирован: 17 июл 2006, 16:24
Откуда: Новокузнецк

Сообщение FireFly » 22 янв 2007, 20:25

Собрал программатор, прошил, винда увидела, дрова встали как там и были и.... все.... кодевижен не видит его... фирмваре не считывает... программировать не хочет, пишет, что мол программатор не подключен либо неисправен и тп... :(  фузы проставлены точно по инструкции, перемычка в режиме нормал. Светодиоды молчат.

Где можно искать косяк?
Аватара пользователя
FireFly
 
Сообщения: 1576
Зарегистрирован: 19 июн 2005, 18:27
Откуда: Камышин

Сообщение prottoss » 22 янв 2007, 21:08

FireFly писал(а):Собрал программатор, прошил, винда увидела, дрова встали как там и были и.... все.... кодевижен не видит его... фирмваре не считывает... программировать не хочет, пишет, что мол программатор не подключен либо неисправен и тп... :(  фузы проставлены точно по инструкции, перемычка в режиме нормал. Светодиоды молчат.
Где можно искать косяк?
светодиоды молчат, когда нет обращения к таргету, ищите косяк в своей конструкции
prottoss
 
Сообщения: 41
Зарегистрирован: 17 июл 2006, 16:24
Откуда: Новокузнецк

Сообщение toshas » 22 янв 2007, 22:26

а почему он может не определяться виндой ?

собрал два, один попечатке -= Александр =-
другой на макетке по  упрощенной схеме (фактически просто подключив контроллер к усб) и оба не хотят видиться виндой.
нельзя ли всеже в прошивку добавить еще тестовое мигание светодиодом ?
частота обязательно должна быть 12 Mhz, 8 от внутреннего rc мало ?
Вложения
shematic.png
Аватара пользователя
toshas
 
Сообщения: 90
Зарегистрирован: 31 янв 2006, 14:37
Откуда: Москва

Сообщение prottoss » 22 янв 2007, 22:31

toshas писал(а):а почему он может не определяться виндой ? частота обязательно должна быть 12 Mhz, 8 от внутреннего rc мало ?

1.Частота ОБЯЗАТЕЛЬНО именно 12 МГц
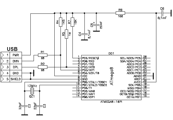
2.Питание на резисторе R4 (который 1,5 кОм от питания до D-) должно быть не более 3,8 вольт - иначе Вы имеете проблемы с хостом - он может "подумать" что устройство не исправно))), что мы и видим на приведенной Вами схеме
prottoss
 
Сообщения: 41
Зарегистрирован: 17 июл 2006, 16:24
Откуда: Новокузнецк

Сообщение toshas » 22 янв 2007, 22:34

спасибо, понятно
ойёй вместо полутора ком поставил 10 в пятой ом )))
пойду переделывать ))
Аватара пользователя
toshas
 
Сообщения: 90
Зарегистрирован: 31 янв 2006, 14:37
Откуда: Москва

Сообщение toshas » 22 янв 2007, 23:07

все нашлось-определилось! ))
спасибо, гораздо быстрее (х100), чем понипрог-переходник-пк
Аватара пользователя
toshas
 
Сообщения: 90
Зарегистрирован: 31 янв 2006, 14:37
Откуда: Москва

Сообщение AVL » 23 янв 2007, 01:43

prottoss писал(а):
AVL писал(а):Да, я пытаюсь запрограмировать тагет Аттини13. Смотрю осциллом сигналы на ногах тагета. Сигналы - "как кони". КОДЕВИЖИН должен мне выдать "прочитать Версию фирмваре программатора" или нет. Без тагета, к примеру. Что б определиться на котором этапе у меня это дело не работает и зачем перемычка 1/2 и можно-ли теперь, если Атмега8 уже видится компом саму Атмегу? Сделать апгрейд харда проггера. Я Атмегу 8 прошивал ОМЕГОЙ, а там не все фузы имелись, описанные в доке к проггеру. Может, у меня из-за этого косяк?
Спасибо.
да нет, если Windows программатор правильно видит, значит все нормально... А вы перемечку то переставили в положение J2?

Да, J2 у меня намертво припаяна и на тагет ресет приходит.
Пробовал я в ТЕРМИНАЛЕ Виндовском поиграться, на КОМ4. так светодиоды мигают время от времени. Меня настораживает тот факт, что КОДЕВИЖИН не вычитывает версию программатора. Или он и не должен вычитывать. Светодиоды перемигнутся и ошибку выдаёт, хотя дрова стают без проблем и комп "бубумкает" чётко.
Ребыта, попробуйте, пожалуйса в КОДЕВИЖИНЕ версию проггера прочитать.
Резисторы до тагета я на 180 Ом поставил, но это ж не должно так кардинально влиять... и на вычитку версии проггера оно ж вообще не влияет. Напряжение на R4 у меня 2.3 вольта. Сопротивление этого резистора 2.8К. Это столь существенно? Ибо онож влияет на обмен с компом, а комп девайс видит чётко.
AVL
 
Сообщения: 16
Зарегистрирован: 20 янв 2007, 12:34
Откуда: Коломыя UA

Сообщение AVL » 23 янв 2007, 01:46

Пробовал также АТини15  шить, тоже тагет не видится, диоды пробуют моргать.
И ещё, R1, R2 я по 27Ом поставил. Ну, самовольничал я но ком пж видит проггер.  Если б не видел, то  тогда я согласен, что "ТАК ДЕЛАТЬ НЕЛЬЗЯ".
Зачем положение J1?
AVL
 
Сообщения: 16
Зарегистрирован: 20 янв 2007, 12:34
Откуда: Коломыя UA

Сообщение prottoss » 23 янв 2007, 10:03

"AVLРезисторы до тагета я на 180 Ом поставил, но это ж не должно так кардинально влиять... и на вычитку версии проггера оно ж вообще не влияет. Напряжение на R4 у меня 2.3 вольта. Сопротивление этого резистора 2.8К. Это столь существенно? Ибо онож влияет на обмен с компом, а комп девайс видит чётко.
резисторы до таргета можете поставить любые - они защищают МК программатора, т.к. он от 3,6 вольт питается. А про R4 я уже говорил выше... И как у Вас на R4 2,3 вольта оказалось то??? Должно быть 3,6 - 3,8 и сопротивление его должно быть (ОДНА ЦЕЛАЯ ПЯТЬ ДЕСЯТЫХ КИЛООМА)
prottoss
 
Сообщения: 41
Зарегистрирован: 17 июл 2006, 16:24
Откуда: Новокузнецк

Сообщение AVL » 23 янв 2007, 11:42

prottoss писал(а):
"AVLРезисторы до тагета я на 180 Ом поставил, но это ж не должно так кардинально влиять... и на вычитку версии проггера оно ж вообще не влияет. Напряжение на R4 у меня 2.3 вольта. Сопротивление этого резистора 2.8К. Это столь существенно? Ибо онож влияет на обмен с компом, а комп девайс видит чётко.
резисторы до таргета можете поставить любые - они защищают МК программатора, т.к. он от 3,6 вольт питается. А про R4 я уже говорил выше... И как у Вас на R4 2,3 вольта оказалось то??? Должно быть 3,6 - 3,8 и сопротивление его должно быть (ОДНА ЦЕЛАЯ ПЯТЬ ДЕСЯТЫХ КИЛООМА)

Поставил R4 на 1.5к Напряжение на 5 ноге   проца поднялось до 2.5Вольта. Причём, 2.5 вольта и на ЮСБ со стороны компа на этой линии.  R1 и R2 у меня 27 Ом, может это влиять, ведь девайс виндой видится ЧЁТКО. Вот что я вычитал в хелпе Кодевижина: "If the programmer is an Atmel STK500, AVRISP, AVRISP MkII or AVRprog (AVR910 application note), then an additional menu command is present: Read|Programmer's Firmware Version. It allows reading the major and minor versions of the above mentioned programmers’ firmware. " А у меня в этом месте прога выдаёт ошибку. Светодиоды при ЭТОМ перемигиваются, при попытке прочитать версию.
Зачем перемычка J1 может кто-то сказать? Ибо я уже третий раз задаю ЭТОТ вопрос и тишина, видать, никто толком не понимает зачем, как и я ....
Вместо R8 у меня перемычка. Это может кардинально влиять?
AVL
 
Сообщения: 16
Зарегистрирован: 20 янв 2007, 12:34
Откуда: Коломыя UA

Сообщение toshas » 23 янв 2007, 12:33

когда таргета нет - при попытке чтения ошибка,
если таргет установлен, то читает : minor version 2 major 37.

вместо R8 у меня перемычка, работает нормально.

попробуй другой порт или компьютер.

J1 : "Все верно - перемычки для модификации прошивки МК программатора ДРУГИМ ПРОГРАММАТОРОМ. J1 - замкнута (MODIFY) - модифицируем прошивку программатора другим программатором, J2 замкнута (NORMAL) - нормально работаем."

если прошил мегу8, то в принципе можно разъем убрать и поставить перемычку, но тогда при перепршивке придется вынимать контроллер
Аватара пользователя
toshas
 
Сообщения: 90
Зарегистрирован: 31 янв 2006, 14:37
Откуда: Москва

Сообщение AVL » 23 янв 2007, 14:11

Toshas, спасибо, понял, что без тагета выдаёт ошибку., хотя, странно ЭТО.
J1 для модификации КАКИМ другим программатором? Веть Атмегу8 я и так вынимаю из панельки для прошивки его  ЛПТ программатором.
Попробую на другом компе и  порте.
AVL
 
Сообщения: 16
Зарегистрирован: 20 янв 2007, 12:34
Откуда: Коломыя UA

Сообщение prottoss » 23 янв 2007, 14:22

AVL писал(а):Toshas, спасибо, понял, что без тагета выдаёт ошибку., хотя, странно ЭТО.
J1 для модификации КАКИМ другим программатором? Веть Атмегу8 я и так вынимаю из панельки для прошивки его  ЛПТ программатором.
Попробую на другом компе и  порте.
Да что не понятного??? Есть разъем ISP - ПРЯМО ЧЕРЕЗ НЕГО ПРОГРАММИРУЕТСЯ МЕГА8 ПРОГРАММАТОРА ПРИ ЗАМКНУТОМ J1 - ЛЮБЫМ_ПРИЛЮБЫМ ПРОГРАММАТОРОМ _ ПРИ ЭТОМ МЕГА8 ИЗ ПРОГРАММАТОРА ВЫНИМАТЬ НЕ НАДО
prottoss
 
Сообщения: 41
Зарегистрирован: 17 июл 2006, 16:24
Откуда: Новокузнецк

Сообщение AVL » 23 янв 2007, 15:28

Вот теперь понял чётко.
AVL
 
Сообщения: 16
Зарегистрирован: 20 янв 2007, 12:34
Откуда: Коломыя UA

Пред.След.

Вернуться в Программаторы

Кто сейчас на конференции

Сейчас этот форум просматривают: нет зарегистрированных пользователей и гости: 0

cron