STK500 на AT90USB82

Все что связана с заливкой программ в микроконтроллеры.

STK500 на AT90USB82

Сообщение EdGull » 21 июн 2010, 09:17

ни кто не встречал схему?
по моему на ней сам бог велел делать STK500
Аватара пользователя
EdGull
 
Сообщения: 10211
Зарегистрирован: 28 дек 2004, 20:33
Откуда: Тольятти
Skype: Ed_Gull
прог. языки: Bascom AVR Basic
ФИО: Гуль Эдуард Викторович

Re: STK500 на AT90USB82

Сообщение avr123.nm.ru » 21 июн 2010, 09:18

На AT90USB162 есть программатор в проекте LUFA.
Читайте !
Аватара пользователя
avr123.nm.ru
отсылающий читать курс
 
Сообщения: 14195
Зарегистрирован: 06 ноя 2005, 04:18
Откуда: Москва

Re: STK500 на AT90USB82

Сообщение EdGull » 21 июн 2010, 09:41

сенкую авр :beer:
вот что нашлось
http://www.busware.de/tiki-index.php?page=BAP


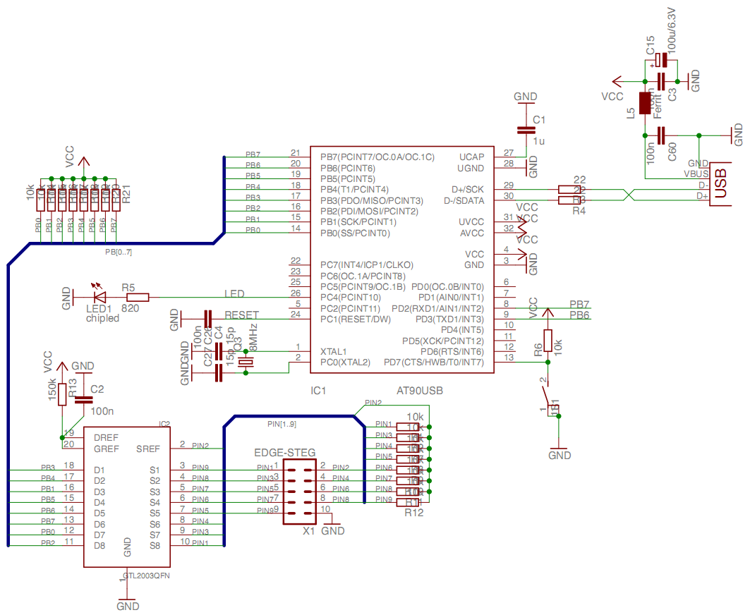
stk500.PNG


AVRISP.rar
(5.25 КиБ) Скачиваний: 0


Добавлено спустя 56 секунд:
только я не понял, нафига туда буфер впендюрили?
Аватара пользователя
EdGull
 
Сообщения: 10211
Зарегистрирован: 28 дек 2004, 20:33
Откуда: Тольятти
Skype: Ed_Gull
прог. языки: Bascom AVR Basic
ФИО: Гуль Эдуард Викторович

Re: STK500 на AT90USB82

Сообщение avr123.nm.ru » 21 июн 2010, 09:47

C жиру бесятся - типа lzk низковольных схем.

Он нужен только на 1 линию не ISP интерфейса - которая двунаправлена. Но тоже полевичками в sot23 решается по схеме Спаркфана.
Читайте !
Аватара пользователя
avr123.nm.ru
отсылающий читать курс
 
Сообщения: 14195
Зарегистрирован: 06 ноя 2005, 04:18
Откуда: Москва

Re: STK500 на AT90USB82

Сообщение galex1981 » 21 июн 2010, 09:48

А не для защиты случаем буфер?
if(!Operate) Read(pDatasheet);
Аватара пользователя
galex1981
 
Сообщения: 4363
Зарегистрирован: 04 дек 2008, 22:44
Откуда: Камышин
Skype: galk-aleksandr1
прог. языки: Kotlin, Java, C, C++, Assm, BasCom, VB, php
ФИО: Галкин Александр Владимирович

Re: STK500 на AT90USB82

Сообщение EdGull » 21 июн 2010, 09:52

не... я так понял они уровни до 1.8В согласовывать умеют
нам это нафиг пока не сплелось
Аватара пользователя
EdGull
 
Сообщения: 10211
Зарегистрирован: 28 дек 2004, 20:33
Откуда: Тольятти
Skype: Ed_Gull
прог. языки: Bascom AVR Basic
ФИО: Гуль Эдуард Викторович

Re: STK500 на AT90USB82

Сообщение galex1981 » 21 июн 2010, 09:59

То есть можно вообще без буфера?

Добавлено спустя 1 минуту 14 секунд:
И еще, я понял так что на схеме AT90USB162?
if(!Operate) Read(pDatasheet);
Аватара пользователя
galex1981
 
Сообщения: 4363
Зарегистрирован: 04 дек 2008, 22:44
Откуда: Камышин
Skype: galk-aleksandr1
прог. языки: Kotlin, Java, C, C++, Assm, BasCom, VB, php
ФИО: Галкин Александр Владимирович

Re: STK500 на AT90USB82

Сообщение EdGull » 21 июн 2010, 13:02

да,
мало того, я сделаю дополнительный вариант питания от программируемой платы

Добавлено спустя 3 часа 2 минуты 29 секунд:
кстати, а исходники под это дело никто не видел?
Аватара пользователя
EdGull
 
Сообщения: 10211
Зарегистрирован: 28 дек 2004, 20:33
Откуда: Тольятти
Skype: Ed_Gull
прог. языки: Bascom AVR Basic
ФИО: Гуль Эдуард Викторович

Re: STK500 на AT90USB82

Сообщение avr123.nm.ru » 21 июн 2010, 14:53

LUFA дока с исходниками должна быть - таков стиль проекта.
Читайте !
Аватара пользователя
avr123.nm.ru
отсылающий читать курс
 
Сообщения: 14195
Зарегистрирован: 06 ноя 2005, 04:18
Откуда: Москва


Вернуться в Программаторы

Кто сейчас на конференции

Сейчас этот форум просматривают: нет зарегистрированных пользователей и гости: 0

cron