roboforum.ru

Технический форум по робототехнике.

STK200/300 vs STK200/300

Все что связана с заливкой программ в микроконтроллеры.

STK200/300 vs STK200/300

Сообщение GHOST_J_D » 29 май 2010, 23:01

http://radioded.ru/content/view/100/1/
http://radiokot.ru/forum/download/file.php?id=14664
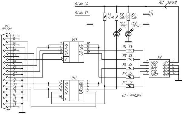
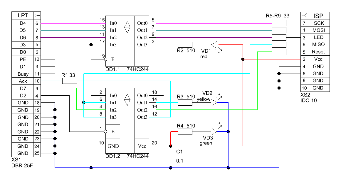
Подскажите пожалуйста, я запутался в конец :(
какая из этих схем правильная?
Вложения
STK200-300 - схема.GIF
резистор R1 подскажите для чего?
s_pic1.jpg
Я стал таким, каким я стал, сожалеть поздно...
Аватара пользователя
GHOST_J_D
 
Сообщения: 74
Зарегистрирован: 19 апр 2010, 08:38
Откуда: SVERDLOVSK
прог. языки: нелюблю
ФИО: Лёха

Re: STK200/300 vs STK200/300

Сообщение galex1981 » 29 май 2010, 23:18

Собирал обе - обе рабочие
if(!Operate) Read(pDatasheet);
Аватара пользователя
galex1981
 
Сообщения: 4363
Зарегистрирован: 04 дек 2008, 22:44
Откуда: Камышин
Skype: galk-aleksandr1
прог. языки: Kotlin, Java, C, C++, Assm, BasCom, VB, php
ФИО: Галкин Александр Владимирович

Re: STK200/300 vs STK200/300

Сообщение avr123.nm.ru » 29 май 2010, 23:40

Советую собрать прогер на USB.
Читайте !
Аватара пользователя
avr123.nm.ru
отсылающий читать курс
 
Сообщения: 14195
Зарегистрирован: 06 ноя 2005, 04:18
Откуда: Москва
Предупреждения: -8

Re: STK200/300 vs STK200/300

Сообщение GHOST_J_D » 30 май 2010, 16:19

Вывод LED на разъеме Х2 у программаторов для чего?
Я стал таким, каким я стал, сожалеть поздно...
Аватара пользователя
GHOST_J_D
 
Сообщения: 74
Зарегистрирован: 19 апр 2010, 08:38
Откуда: SVERDLOVSK
прог. языки: нелюблю
ФИО: Лёха

Re: STK200/300 vs STK200/300

Сообщение galex1981 » 30 май 2010, 18:27

Не пользовался этим выводом...
if(!Operate) Read(pDatasheet);
Аватара пользователя
galex1981
 
Сообщения: 4363
Зарегистрирован: 04 дек 2008, 22:44
Откуда: Камышин
Skype: galk-aleksandr1
прог. языки: Kotlin, Java, C, C++, Assm, BasCom, VB, php
ФИО: Галкин Александр Владимирович

Re: STK200/300 vs STK200/300

Сообщение rig » 30 май 2010, 18:40

Я собирал верхий, Работает стабильно.
LED - Вроде для подачи внешней тактовой частоты.
avr123.nm.ru писал(а):Советую собрать прогер на USB.

НЕ всегда ЮСБ помогает. Недавно прошивал тиньку 13, чистая прошилась без проблем, а вот перепрошиваться не захотела. Выручил СТК200.
Аватара пользователя
rig
 
Сообщения: 1437
Зарегистрирован: 03 авг 2007, 19:43
Откуда: Екатеринбург
прог. языки: Си, асм со словарем

Re: STK200/300 vs STK200/300

Сообщение Александровский » 12 июл 2010, 12:49

помогите разобраться, на верхней схеме красный и зеленый провода служат для питания avr во время программирования?или как? а то я смотрел схему элементарного робота так там к программатору идет всего 5-ть контактов,но у устройства свое питание 5 вольт. Помогите разобраться!!! Зарание спасибо!
Александровский
 
Сообщения: 1
Зарегистрирован: 12 июл 2010, 12:41

Re: STK200/300 vs STK200/300

Сообщение galex1981 » 13 июл 2010, 07:45

Питание AVR это контакты Vcc и GND
if(!Operate) Read(pDatasheet);
Аватара пользователя
galex1981
 
Сообщения: 4363
Зарегистрирован: 04 дек 2008, 22:44
Откуда: Камышин
Skype: galk-aleksandr1
прог. языки: Kotlin, Java, C, C++, Assm, BasCom, VB, php
ФИО: Галкин Александр Владимирович


Вернуться в Программаторы

Кто сейчас на конференции

Сейчас этот форум просматривают: нет зарегистрированных пользователей и гости: 0

cron