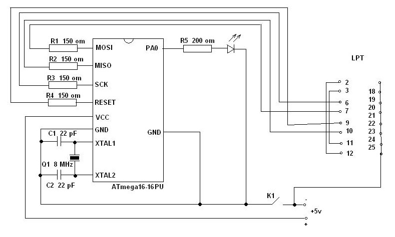
Всем здравствуйте!!! Есть некоторые трудности с ATmega16-16PU.
Питание +5V осуществляется от молекса БП. Прошивал через CodeVisionAVR C Compiler.
Процесс прошивки проходит норм, вроде. Но, тем не менее, ничего с диодом не происходит, не моргает.
Вот код:
#include <mega16.h>
#include <m8_128.h>
#include <delay.h>
void main (void)
{
DDRA = 0xff;
while (1)
{
PORTA.0 = 1;
delay_ms(200);
PORTA.0 = 0;
delay_ms(200);
};
}


