Недавно обсуждалась тема о проблемах использования вышеуказанного программатора. В основном проблемы заключались в отсутствии документации на него. Потому в этой ветке хочу собрать воедино все что с ним связано и объяснить новичкам как пользоваться (кто хочет- может его собрать) программатором и может быть помочь в поиске некоторых неисправностей. Ниже выкладываю схему программатора, прошивку, драйвера USB-COM, внешний вид плат.
Добавлено спустя 1 минуту 47 секунд:
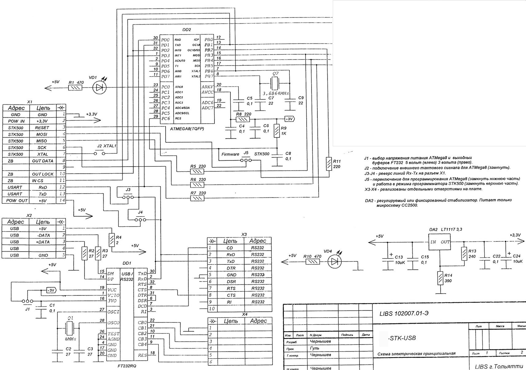
Программатор к компьютеру подключается при помощи разъема MiniUSB (X2 на схеме), к плате прошиваемого контроллера подключается разьемом X1. ISP - интерфейс выводы X1:
1 - GND
2 - VCC (5В 3,3В или 1,8В)
3 - RESET
4 - MOSI
5 - MISO
6 - SCK
Питание ИС FT232 реализовано от USB, питание МК ATMega8 программатора подходит от платы перешиваемого контроллера.
Добавлено спустя 5 минут 28 секунд:
После подключения программатора к ПК, следует установить драйвера FT232. по результату установки появится новый виртуальный COM-порт. Следует зайти в его настройки и выставить скорость передачи 115200 бит/с.
Подключить прошиваемый контроллер к разъему X1, и можно его перешивать, предварительно выбрав STK-500 в списке программаторов.
Добавлено спустя 3 минуты 4 секунды:
По поводу проблем пока даю ссылки: viewtopic.php?f=43&t=5277 - Описание проблемы; и viewtopic.php?f=14&t=5293 - решение проблемы.
