roboforum.ru

Технический форум по робототехнике.

Описание программатора STK-500

Все что связана с заливкой программ в микроконтроллеры.

Описание программатора STK-500

Сообщение galex1981 » 31 янв 2009, 02:09

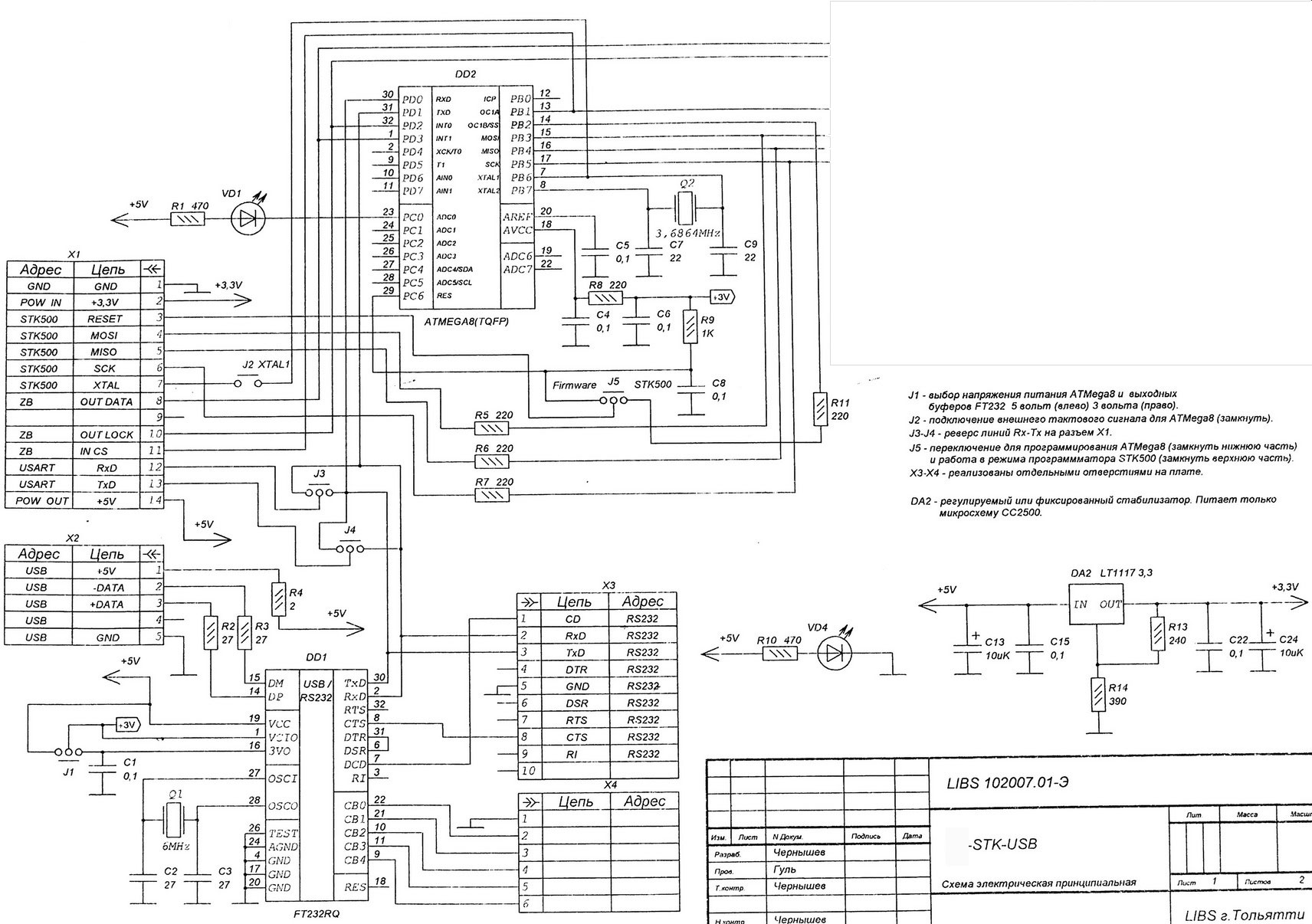
Недавно обсуждалась тема о проблемах использования вышеуказанного программатора. В основном проблемы заключались в отсутствии документации на него. Потому в этой ветке хочу собрать воедино все что с ним связано и объяснить новичкам как пользоваться (кто хочет- может его собрать) программатором и может быть помочь в поиске некоторых неисправностей. Ниже выкладываю схему программатора, прошивку, драйвера USB-COM, внешний вид плат.

Добавлено спустя 1 минуту 47 секунд:
Программатор к компьютеру подключается при помощи разъема MiniUSB (X2 на схеме), к плате прошиваемого контроллера подключается разьемом X1. ISP - интерфейс выводы X1:
1 - GND
2 - VCC (5В 3,3В или 1,8В)
3 - RESET
4 - MOSI
5 - MISO
6 - SCK

Питание ИС FT232 реализовано от USB, питание МК ATMega8 программатора подходит от платы перешиваемого контроллера.

Добавлено спустя 5 минут 28 секунд:
После подключения программатора к ПК, следует установить драйвера FT232. по результату установки появится новый виртуальный COM-порт. Следует зайти в его настройки и выставить скорость передачи 115200 бит/с.
Подключить прошиваемый контроллер к разъему X1, и можно его перешивать, предварительно выбрав STK-500 в списке программаторов.

Добавлено спустя 3 минуты 4 секунды:
По поводу проблем пока даю ссылки: viewtopic.php?f=43&t=5277 - Описание проблемы; и viewtopic.php?f=14&t=5293 - решение проблемы.
Вложения
avrusb500_pre.rar
прошивка
(4.81 КиБ) Скачиваний: 78
FT232.rar
Драйвера на FT232
(1.39 МиБ) Скачиваний: 505
Untitled-2.jpg
Untitled-1.jpg
внешний вид
shema.jpg
Схема программатора
if(!Operate) Read(pDatasheet);
Аватара пользователя
galex1981
 
Сообщения: 4363
Зарегистрирован: 04 дек 2008, 22:44
Откуда: Камышин
Skype: galk-aleksandr1
прог. языки: Kotlin, Java, C, C++, Assm, BasCom, VB, php
ФИО: Галкин Александр Владимирович

Re: Описание программатора STK-500

Сообщение MiBBiM » 31 янв 2009, 15:56

перемычка в положении:
синем - STK-500
красном - программирование меги88
Вложения
stk500_2.jpg
stk500_2.jpg (42.44 КиБ) Просмотров: 8718
Tomorrow will be. Better
Аватара пользователя
MiBBiM
 
Сообщения: 1866
Зарегистрирован: 29 окт 2007, 18:11
Откуда: Пермь
прог. языки: Brainfuck/Basic/Delphi/C++/Lisp/x86asm/JavaScript

Re: Описание программатора STK-500

Сообщение galex1981 » 21 апр 2009, 20:51

У программатора заметил особенность при прошивке больших программ (>16 Кб). Либо при прошивке, либо при верификации могут возникать ошибки чтения/записи и это не значит что МК "битый" и его нужно на свалку. Есть решение данной проблемы:
Я прошиваю МК через AVR Studio. Выбираем как всегда пункт меню: Tools->Program AVR->Connect (Auto Connect) и во вкладке Main где указан режим прошивки (Programming Mode and Target Settings) Settings для уменьшения рабочей частоты ISP. В появившемся окне выбираем из списка меньшую частоту ISP и нажимаем кнопку Write. Проблема решена.

PS: Иногда требуется уменьшить частоту не на один пункт списка а на несколько.
Вложения
freq.JPG
if(!Operate) Read(pDatasheet);
Аватара пользователя
galex1981
 
Сообщения: 4363
Зарегистрирован: 04 дек 2008, 22:44
Откуда: Камышин
Skype: galk-aleksandr1
прог. языки: Kotlin, Java, C, C++, Assm, BasCom, VB, php
ФИО: Галкин Александр Владимирович


Вернуться в Программаторы

Кто сейчас на конференции

Сейчас этот форум просматривают: нет зарегистрированных пользователей и гости: 0

cron