roboforum.ru

Технический форум по робототехнике.

Можно ли заменить К555АП6 на К555АП4 ???

Все что связана с заливкой программ в микроконтроллеры.

Можно ли заменить К555АП6 на К555АП4 ???

Сообщение Grover » 28 фев 2008, 09:42

Хочу собрать простенький программатор STK200.
в нем используется микросхема К555АП6 - это восьмиканальный буфер.
У меня есть К555АП4 - это два 4-х канальных буфера.

Можно ли заменить К555АП6 на К555АП4 ???
Мои странички в интернете: http://groversuper.ucoz.ru
Аватара пользователя
Grover
 
Сообщения: 78
Зарегистрирован: 28 янв 2008, 09:27
Откуда: Россия

Re: Можно ли заменить К555АП6 на К555АП4 ???

Сообщение Victorovych » 28 фев 2008, 11:16

Аватара пользователя
Victorovych
 
Сообщения: 491
Зарегистрирован: 20 сен 2007, 11:44
Откуда: Харьков
Skype: Victorovych_FF
прог. языки: ASM
ФИО: Иван ВикторОвич

Re: Можно ли заменить К555АП6 на К555АП4 ???

Сообщение Grover » 28 фев 2008, 13:14

там написано: "... при соответствующем изменении схемы, любые другие неинвертирующие формирователи с тремя состояниями выходов..."
Это означает открыть даташит на микросхему К555АП4 и смотри на количество состояний выходов = я правильно понял ?
Мои странички в интернете: http://groversuper.ucoz.ru
Аватара пользователя
Grover
 
Сообщения: 78
Зарегистрирован: 28 янв 2008, 09:27
Откуда: Россия

Re: Можно ли заменить К555АП6 на К555АП4 ???

Сообщение Master » 28 фев 2008, 13:58

Правильно, только учитывая стоимость микросхемы не проще ли пойти и купить то что нужно.
Аватара пользователя
Master
 
Сообщения: 4468
Зарегистрирован: 21 дек 2006, 19:56
Откуда: Украина, г.Одесса
прог. языки: Delphi и С

Re: Можно ли заменить К555АП6 на К555АП4 ???

Сообщение Grover » 28 фев 2008, 14:13

Я обошел три магазина (больше не знаю) включая Чип-Дип, таких микросхем и их аналогов нет. бывают, но редко.
Порылся в закромах и нашел эту, вот и хочу заменить.
Мои странички в интернете: http://groversuper.ucoz.ru
Аватара пользователя
Grover
 
Сообщения: 78
Зарегистрирован: 28 янв 2008, 09:27
Откуда: Россия

Re: Можно ли заменить К555АП6 на К555АП4 ???

Сообщение Victorovych » 28 фев 2008, 14:32

Сейчас 555 серия не выпускается, ищи те же буквы 1533 серии или спроси 74hc244, аналог ап5.
Аватара пользователя
Victorovych
 
Сообщения: 491
Зарегистрирован: 20 сен 2007, 11:44
Откуда: Харьков
Skype: Victorovych_FF
прог. языки: ASM
ФИО: Иван ВикторОвич

Re: Можно ли заменить К555АП6 на К555АП4 ???

Сообщение Grover » 28 фев 2008, 15:22

изучил даташиты от к555ап6 (IN74LS245) и к555ап4 (SN54LS241).
Замена возможна, немного меняются пины:

к555ап6 (IN74LS245) к555ап4 (SN54LS241).
pin 1 не трогаем pin 1
pin 2 не трогаем pin 2
pin 3 изменям на pin 4
pin 4 изменям на pin 6
pin 5 изменям на pin 8
pin 15 изменям на pin 12
pin 16 изменям на pin 14
pin 17 изменям на pin 16
pin 18 не трогаем pin 18
pin 19 не трогаем pin 19
pin 20 не трогаем pin 20

остальная схема остается неизменной.

Добавлено спустя 4 минуты 18 секунд:
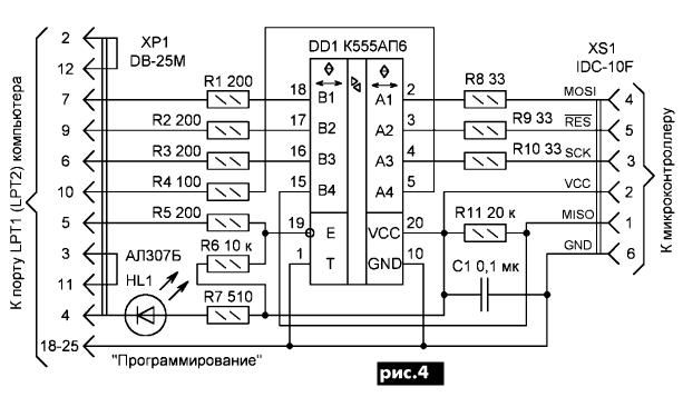
только я собираю вот эту схемку.
отличается только буфером.

.JPG


Добавлено спустя 13 минут 55 секунд:
ап4 от ап5 отличаются только черточкой над буквой G.
"2G for ’LS241 and ’S241 or 2G(над G черта) for all other drivers" - из даташита.

Что означает эта черточка? пин один и тот же - логические схемы тоже одинаковые, разница только в этой черточке.
Мои странички в интернете: http://groversuper.ucoz.ru
Аватара пользователя
Grover
 
Сообщения: 78
Зарегистрирован: 28 янв 2008, 09:27
Откуда: Россия

Re: Можно ли заменить К555АП6 на К555АП4 ???

Сообщение Master » 28 фев 2008, 17:01

Черта означает что этот пин инвертный, т. е. если это енебйл и он с чертой, то нужно подавать на него "0", если же без черты, то "1".
Вот к примеру на аврах Reset с чертой, это значит чтобы его сбросить нада подать ноль на него.
Аватара пользователя
Master
 
Сообщения: 4468
Зарегистрирован: 21 дек 2006, 19:56
Откуда: Украина, г.Одесса
прог. языки: Delphi и С

Re: Можно ли заменить К555АП6 на К555АП4 ???

Сообщение Grover » 28 фев 2008, 17:49

таким образом:
к555ап6 можно заменить на к555ап5 (или 74hc244) с изменениями в схеме.
а вот к555ап4 использовать не получится.

к555ап6, к555ап5 и 74hc244 имеют инвертный енейбл (работает от 0), а к555ап4 работает от 1.

наверняка замена возможна с введение дополнительных элементов, но я этого делать не умею.

Добавлено спустя 2 минуты 4 секунды:
пришла идея:
енейбл меняет направления потока, значит можно просто поменять на схеме входы и выходы?
Мои странички в интернете: http://groversuper.ucoz.ru
Аватара пользователя
Grover
 
Сообщения: 78
Зарегистрирован: 28 янв 2008, 09:27
Откуда: Россия

Re: Можно ли заменить К555АП6 на К555АП4 ???

Сообщение Myp » 28 фев 2008, 17:50

а просто замкнуть чтоб всегда было энэйбл низя ? :oops:
<telepathmode>На вопросы отвечает Бригадир Телепатов!</telepathmode>
Всё уже придумано до нас!
Аватара пользователя
Myp
скрытый хозяин вселенной :)
 
Сообщения: 18018
Зарегистрирован: 18 сен 2006, 12:26
Откуда: Тверь по прозвищу Дверь
прог. языки: псевдокод =) сила в алгоритме!
ФИО: глубокоуважаемый Фёдор Анатольевич

Re: Можно ли заменить К555АП6 на К555АП4 ???

Сообщение Grover » 28 фев 2008, 17:53

не, тогда программатор не будет уходить в Z-состояние
Мои странички в интернете: http://groversuper.ucoz.ru
Аватара пользователя
Grover
 
Сообщения: 78
Зарегистрирован: 28 янв 2008, 09:27
Откуда: Россия

Re: Можно ли заменить К555АП6 на К555АП4 ???

Сообщение Victorovych » 28 фев 2008, 18:44

энабля не меняет направление потока, он выход отключает, если принципиально сделать программатор именно на ап4, повесь на него инвертор, типа ла3 с объединенными входами
Аватара пользователя
Victorovych
 
Сообщения: 491
Зарегистрирован: 20 сен 2007, 11:44
Откуда: Харьков
Skype: Victorovych_FF
прог. языки: ASM
ФИО: Иван ВикторОвич


Вернуться в Программаторы

Кто сейчас на конференции

Сейчас этот форум просматривают: нет зарегистрированных пользователей и гости: 0

cron