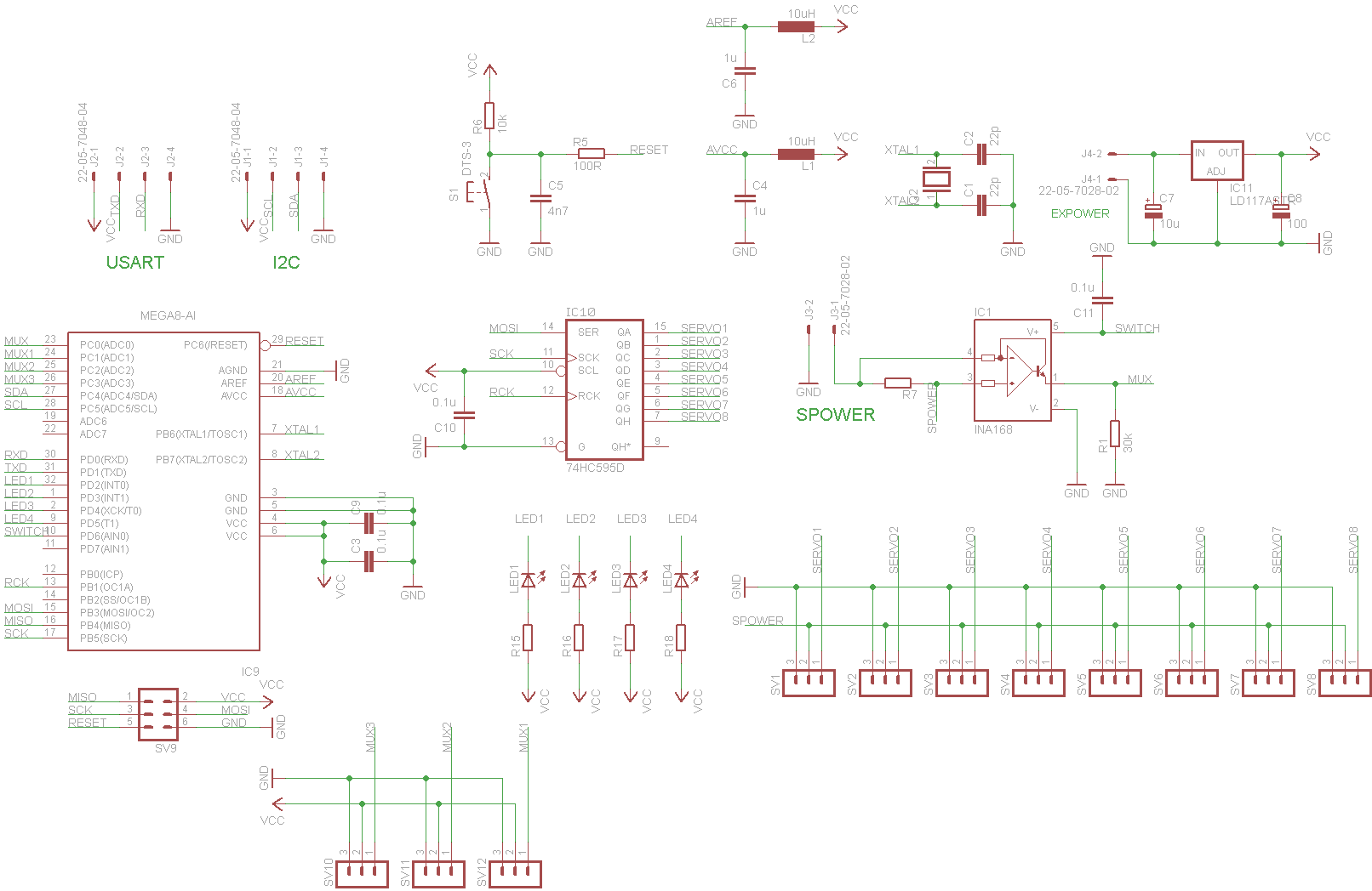
Все делаю в Eagle 5.x.x
Для начала пробовал развести плату, компоненты я примерно расположил, но стандартный аутороутер хреного разводит, либо я неумею его готовить
Посему вопрос, как нужно правильно разводить аутороутером или воообще воспользоваца отдельным?
И еще, делать с маской или без?
Вот тут еще пару ссылок нарыл
Экспорт из Eagle в Gerber
Gerber-файлы
Советы по монтажу
Я так понял, мне необходимо будет перевести из Eagle в Gerber файлы все это дело, правда чото я особо не разобрался что это такое


