Доброго времени суток!
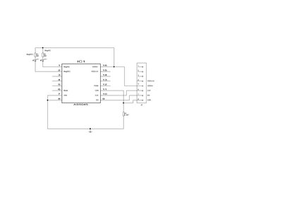
На днях приобрел данный датчик для тестов и ни как не получатся его заставить работать. Пробовал приведенные схемы подключения:


Единственным отличием является лишь другой номинал двух транзисторов не 560 Ом, а 1.5 кОм(рекомендовали в предыдущих постах).
Но всегда получал один и тот же результат:
- светодиод на ножке MagINC горит, когда кладу магнит на чип - тухнет;
- магнит приходится отводить значительно в сторону что бы светодиод отреагировал(есть подозрения что продали не диаметрального намагничивания, покупал в "Чип и Дип");
- светодиод на ножке MagDEC не горит при любых обстоятельствах, на этой ножке показывает 0,31В(если это как-то поможет объяснить ситуацию);
- код брал тут - http://www.madscientisthut.com/forum_php/viewtopic.php?f=11&t=7&sid=2f6aec248b0d2bfd72699015095d6a4b подключал к aduino uno следующим образом: DO - Pin2; CSN - Pin6; CLK - Pin7.
- при просмотре вывода получаю все время это - angle: 0
Может кто сталкивался с такими проблемами? Как проверить пригодность самого чипа? Подскажите куда копать или что делаю не так?
Заранее спасибо.