Готовые светоеды.

Робот на простых аналоговых элементах.

Re: Готовые светоеды.

Сообщение dimamichev » 17 янв 2017, 13:49

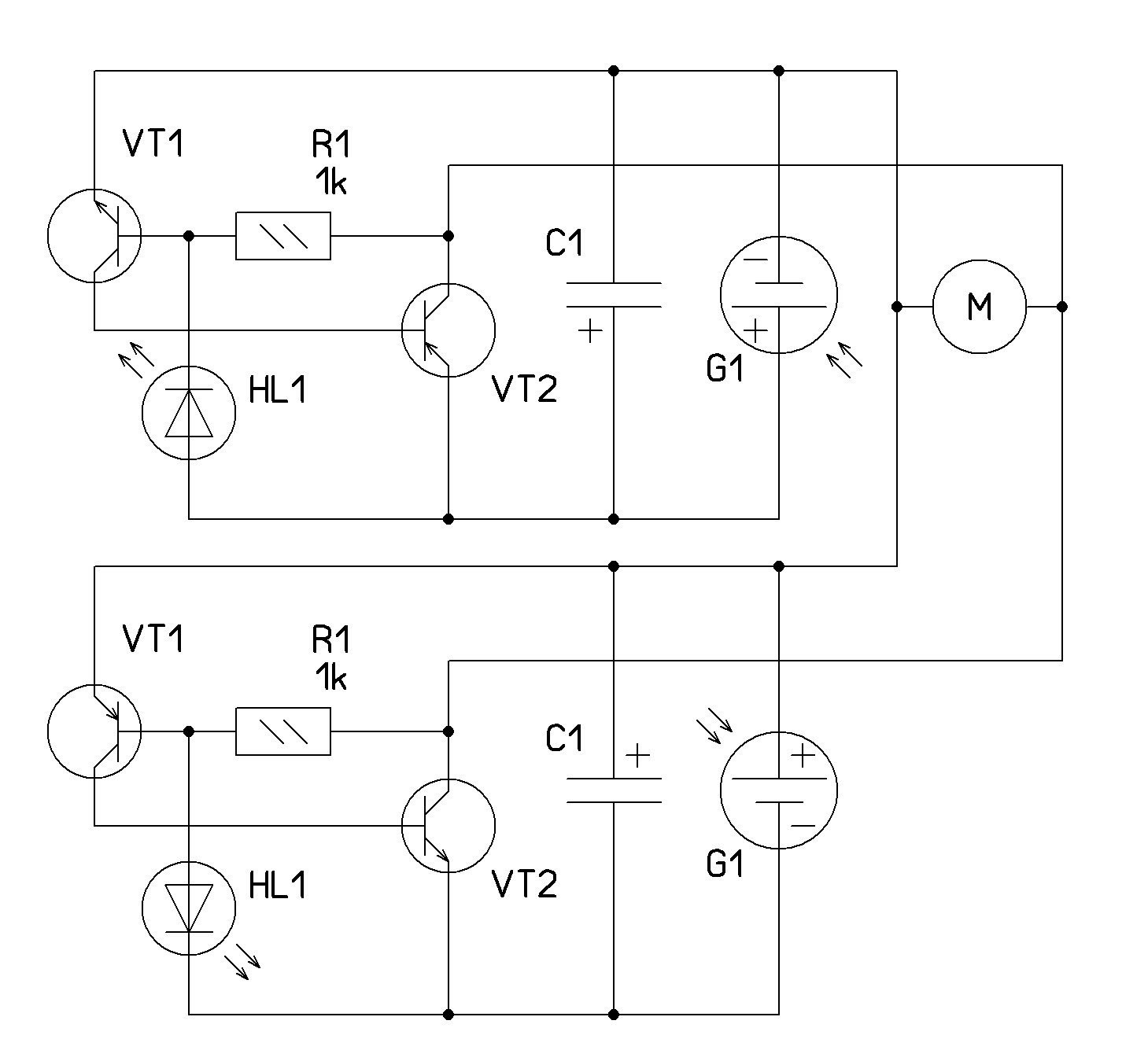
Не знаю, в соседней теме Дмитрий откликается,здесь нет. Пару месяцев назад макетировал такую схему:когда фототранзистор освещён, периодически срабатывает только М2, при затемнении фототранзистора - периодически срабатывают М1 и М2.
Вложения
схема солнечного двигателя два мотора.jpg
Аватара пользователя
dimamichev
 
Сообщения: 1386
Зарегистрирован: 03 янв 2013, 16:27

Re: Готовые светоеды.

Сообщение Dmitry__ » 17 янв 2017, 16:18

dimamichev писал(а):Не знаю, в соседней теме Дмитрий откликается,здесь нет.

А чего говорить? Я теоретик в этом деле, не более. Просто обратил внимание на странную схему, предположил что это для слежения за светом, а потом нашел подтверждение на каком-то сайте по бимам. Где я это рассказывал - хз, склероз :crazy:
Я все не могу найти солнечные батареи вменяемые (тонкие пластинки), от фонариков из максидома смотрел, убогие они. Одну батарею даже смог сильно уменьшить, но в последний момент улучшательства, она треснула :)
Аватара пользователя
Dmitry__
 
Сообщения: 8033
Зарегистрирован: 13 янв 2011, 15:25
Откуда: Санкт-Петербург

Re: Готовые светоеды.

Сообщение dimamichev » 17 янв 2017, 18:07

Мегабизону тчк: Ну вот примерно такая схема для реверса (экспромт,поэтому нет типономиналов на схеме). Принцип альтернативный мосту (одна батарейка - четыре ключа)вместо этого две батарейки - два ключа. Сюжет схемы (предполагаемый)такой: одна панель затемнена, другая освещена - мотор периодически вращает в одну сторону...меняем местами панели - вращает в другую... Если напутал, спецы - поправьте. Вроде все элементы "отсеметричил"... Да!, забыл: этими же панельками можно питать и второй движок.
Вложения
2222.jpg
Аватара пользователя
dimamichev
 
Сообщения: 1386
Зарегистрирован: 03 янв 2013, 16:27

Re: Готовые светоеды.

Сообщение MegaBIZON » 17 янв 2017, 21:11

А интересный ход мысли. Надо будет потыкать в это палочкой на досуге..
.............солнце светит, птички поют, я - зелёный бамбук меня тянет к солнцуЯ - зелёный бамбук, я - зелёный бамбук , меня тянет к солнцу. Я - не огурчик и не лягушка, я - зелёный бамбук. Меня курят...............
Аватара пользователя
MegaBIZON
 
Сообщения: 6285
Зарегистрирован: 12 янв 2007, 00:34
Откуда: Масква

Re: Готовые светоеды.

Сообщение MegaBIZON » 07 фев 2017, 18:15

Домик вырос, получился Бегемот )
IMG_3458.JPG


______________________________
Электрически устроен так же, как и Странник, а механически превосходит его на 6 "коленок". Он тяжелее, сильнее, больше, но не такой вездеходный.
По совету Дмитрия я поэкспериментировал с диодами, и повысил напряжение срабатывания на полтора вольта.
Легли хорошо )
IMG_3455 - копия.JPG

________________________________________________
Остальная прорва фоток - в теме про проволочников.
.............солнце светит, птички поют, я - зелёный бамбук меня тянет к солнцуЯ - зелёный бамбук, я - зелёный бамбук , меня тянет к солнцу. Я - не огурчик и не лягушка, я - зелёный бамбук. Меня курят...............
Аватара пользователя
MegaBIZON
 
Сообщения: 6285
Зарегистрирован: 12 янв 2007, 00:34
Откуда: Масква

Re: Готовые светоеды.

Сообщение dimamichev » 07 фев 2017, 18:46

А если вместо диодов попробовать фотодиоды,.. "можут" получиться "зачатки разума"...
Аватара пользователя
dimamichev
 
Сообщения: 1386
Зарегистрирован: 03 янв 2013, 16:27

Re: Готовые светоеды.

Сообщение MegaBIZON » 07 фев 2017, 22:58

Это получится немного наоборот. При хорошем свете он будет срабатывать при меньшем напряжении, а надо бы наоборот.
Я не пробовал, но это вроде логично...
.............солнце светит, птички поют, я - зелёный бамбук меня тянет к солнцуЯ - зелёный бамбук, я - зелёный бамбук , меня тянет к солнцу. Я - не огурчик и не лягушка, я - зелёный бамбук. Меня курят...............
Аватара пользователя
MegaBIZON
 
Сообщения: 6285
Зарегистрирован: 12 янв 2007, 00:34
Откуда: Масква

Re: Готовые светоеды.

Сообщение MegaBIZON » 05 мар 2017, 04:30

Зачем-то докопался до старенького обновлённого Странника. Как ни крути, а он всё же весьма тормозноват и скучен, даже для бима, но при этом обладает весьма симпатичной и надёжной ходовой.
А посему я его "разобрал-собрал-свинтил-смонтировал". Поставил другие, настроенные на вольтаж повыше мозги (поглумился над "печатными" платами), добавил ещё панелек, придал жукообразности..
По внешнему виду естественным образом стало вырисовываться нечто похожее на созданного разумными роботами разумного робота из фильма "Страховщик" (Autómata), что само по себе довольно неплохо.
От туда и новое имечко:

Пилигрим (12).JPG
Честные глаза.

Пилигрим (1).JPG
То ли ромбик, то ли гробик...

Пилигрим (2).JPG
От красивых аппликаций отказался, когда понял, кто получается. Ни к чему они тут..

Пилигрим (5).JPG
Конструкция опять же разборная, а потому разъёмчик. Теперь так будет у всех.

Пилигрим (6).JPG
Можно свинтить чердак, мозги, моторчики...

Пилигрим (9).JPG
Думаю, имеет ли смысл делать съёмными ноги..

Пилигрим (8).JPG

Пилигрим (10).JPG
Моторы отлично держатся в клеммах для предохранителя.

Пилигрим (13).JPG
.............солнце светит, птички поют, я - зелёный бамбук меня тянет к солнцуЯ - зелёный бамбук, я - зелёный бамбук , меня тянет к солнцу. Я - не огурчик и не лягушка, я - зелёный бамбук. Меня курят...............
Аватара пользователя
MegaBIZON
 
Сообщения: 6285
Зарегистрирован: 12 янв 2007, 00:34
Откуда: Масква

Re: Готовые светоеды.

Сообщение MegaBIZON » 27 авг 2017, 15:50

Бимы - в умах народа в большинстве своём вид примитивный. Доходит до того, что к щётке прилепляют вибру, и уже это зовут бим-роботом.
Я даже не старался взять эту глубину... но хоть приблизиться попробовал ))

Короче, однажды аллиэкспресс подогнал мне мешок трёхвольтовых моторов, которые на деле совершенно не вертелись в схемах с солнечным питанием через транзисторы с конденсаторами. Чтоб как обычно. Но они мощно работают от обычных батареек, и ещё, как выяснилось, вполне достойно крутятся напрямую от многих панелек.
Короче запитал эти моторы от пуска батареек от тех китайских тачанок (которые с ноготь размером), применил пластиковые редукторы от убогих китайских алюминиевых будильников, и воссоздал механику по образу и подобию Валентиныча. Ну вот и назовём получившуюся ходовую, на наш устоявшийся манер, "двойным валентинычем". В итоге все три ноги одной из сторон едут одновременно вперёд назад (только средняя наоборот), но средняя ещё и поднимается-опускается. Думаю, для прикола ещё упростить - до "двойного шалтая". Простопотомучтомогу. Панелек с моторами у меня с какой-то поры достаточно, могу и на фигню пустить ))
Хотелось разноцветности, жизнерадостности, шариков, пружинок, цветных проводочнов.. Ну, вы понимаете - когда делаешь робота, но ни грамма не шаришь в робототехнике.

Вышел Бусич (рабочее название "Кордицепс"). Типа бусинки у него на ногах есть. вот. Это был полёт фантазии.
DSCN4645.JPG

DSCN4633.JPG

DSCN4651.JPG

DSCN4649.JPG

.............солнце светит, птички поют, я - зелёный бамбук меня тянет к солнцуЯ - зелёный бамбук, я - зелёный бамбук , меня тянет к солнцу. Я - не огурчик и не лягушка, я - зелёный бамбук. Меня курят...............
Аватара пользователя
MegaBIZON
 
Сообщения: 6285
Зарегистрирован: 12 янв 2007, 00:34
Откуда: Масква

Re: Готовые светоеды.

Сообщение dimamichev » 27 авг 2017, 20:38

:good: Ну вооще!!!
Аватара пользователя
dimamichev
 
Сообщения: 1386
Зарегистрирован: 03 янв 2013, 16:27

Пред.

Вернуться в BEAM роботы

Кто сейчас на конференции

Сейчас этот форум просматривают: нет зарегистрированных пользователей и гости: 0

cron