Робот поворачивающийся к источнику света - как?

Робот на простых аналоговых элементах.

Re: Робот поворачивающийся к источнику света - как?

Сообщение Radist » 07 апр 2010, 12:20

Все-таки полезно запитывать роботов от лабораторных источников. Оказалось, что когда оба фотодиода затемнены - мотор не крутится, а потребление 0,6 А. Пришлось все-таки поставить гистерезисные резюки по 1 МОм: эффект пропал, виляние стало побольше, робот поинтересней.
Аватара пользователя
Radist
 
Сообщения: 2254
Зарегистрирован: 01 июл 2009, 08:59
Откуда: Екатеринбург
прог. языки: асемблер AVR

Re: Робот поворачивающийся к источнику света - как?

Сообщение MegaBIZON » 07 апр 2010, 13:58

0.6А?? o_O
.............солнце светит, птички поют, я - зелёный бамбук меня тянет к солнцуЯ - зелёный бамбук, я - зелёный бамбук , меня тянет к солнцу. Я - не огурчик и не лягушка, я - зелёный бамбук. Меня курят...............
Аватара пользователя
MegaBIZON
 
Сообщения: 6285
Зарегистрирован: 12 янв 2007, 00:34
Откуда: Масква

Re: Робот поворачивающийся к источнику света - как?

Сообщение Duhas » 07 апр 2010, 17:10

сквозьняк?
«Как сердцу выразить себя? … Мысль изреченная есть ложь!»
В этом мире меня подводит доброта и порядочность...
"двое смотрят в лужу, один видит лужу, другой отраженные в ней звезды"
Аватара пользователя
Duhas
 
Сообщения: 6338
Зарегистрирован: 15 сен 2007, 13:03
Откуда: Красноярск
прог. языки: ASM(МК), C(PC)
ФИО: Гагарский Андрей Александрович

Re: Робот поворачивающийся к источнику света - как?

Сообщение Radist » 08 апр 2010, 06:56

Видимо да. Когда оба глаза в темноте - у меня все входы компараторов подтянуты к плюсу. Чтобы получить сквозняк, надо чтобы ОБА компаратора выдали ноль. Кто бы мог подумать, что это возможно?
Вчера хотел приделать роботу солнечную батарею. Но она оказалась для него неподъемным грузом. Менял положение центра масс и угла вала - ничего не помогает. Выхода всего два: либо более легкая батарея, либо более сильный мотор. Мотор посильнее у меня есть, а вот на что легкое и прочное наклеивать элементы я не знаю. Да и в схеме выявились недостатки, хочу попробовать несколько видоизмененную схему. Нарисую чуть позже, если макет заработает.
Аватара пользователя
Radist
 
Сообщения: 2254
Зарегистрирован: 01 июл 2009, 08:59
Откуда: Екатеринбург
прог. языки: асемблер AVR

Re: Робот поворачивающийся к источнику света - как?

Сообщение Radist » 08 апр 2010, 14:31

Схему опробовал, но нарисовать не успеваю. Заметил следующий нюанс: у меня для отладки используется люминисцентная лампа. Видимо пульсации света порой приводят не к четкому переключению компаратора, точнее на выходе получаются импульсы. При этом мотор рычит и может даже не крутиться. Но это наблюдается только под лампой, очень близко от нее. Ну а раз в биме должно быть деталек по минимуиу - обойдемся без фильтра.
Аватара пользователя
Radist
 
Сообщения: 2254
Зарегистрирован: 01 июл 2009, 08:59
Откуда: Екатеринбург
прог. языки: асемблер AVR

Re: Робот поворачивающийся к источнику света - как?

Сообщение MegaBIZON » 08 апр 2010, 20:38

Тогда тем более кондёр повешай. Минимум минимумом, а всякие сволочные импульсы амортизироваться далжны.
.............солнце светит, птички поют, я - зелёный бамбук меня тянет к солнцуЯ - зелёный бамбук, я - зелёный бамбук , меня тянет к солнцу. Я - не огурчик и не лягушка, я - зелёный бамбук. Меня курят...............
Аватара пользователя
MegaBIZON
 
Сообщения: 6285
Зарегистрирован: 12 янв 2007, 00:34
Откуда: Масква

Re: Робот поворачивающийся к источнику света - как?

Сообщение Radist » 09 апр 2010, 08:28

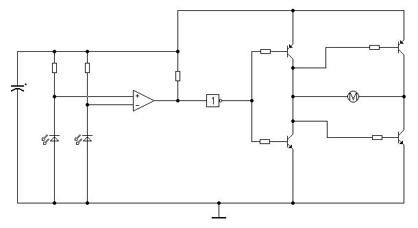
Кондер на выходе компаратора - палка о двух концах. Он приведет к размазыванию фронта/спада. А при размазывании будет сквозняк. С одной стороны плохо когда идут импульсы - мотор дергается то туда, то сюда, но частота высокая, мотору хреново. А если завалить импульсы - сквозняк будет. Фильтр имеет смысл ставить по входам, на каждый глаз по кондеру.
Сейчас схему приведу.

Добавлено спустя 22 минуты 6 секунд:
Подтяжка фотодиодов 510 к
подтяжка компаратора 3 к
в базах 1 к
инвертор с триггером Шмитта
Вложения
Схема2.JPG
Аватара пользователя
Radist
 
Сообщения: 2254
Зарегистрирован: 01 июл 2009, 08:59
Откуда: Екатеринбург
прог. языки: асемблер AVR

Re: Робот поворачивающийся к источнику света - как?

Сообщение MegaBIZON » 09 апр 2010, 17:22

На выходе не компаратора, а солнечной панельки. Хотя это я кажется опять где-то не догнал...
.............солнце светит, птички поют, я - зелёный бамбук меня тянет к солнцуЯ - зелёный бамбук, я - зелёный бамбук , меня тянет к солнцу. Я - не огурчик и не лягушка, я - зелёный бамбук. Меня курят...............
Аватара пользователя
MegaBIZON
 
Сообщения: 6285
Зарегистрирован: 12 янв 2007, 00:34
Откуда: Масква

Re: Робот поворачивающийся к источнику света - как?

Сообщение Radist » 09 апр 2010, 19:13

Я питал от стабилизированного источника, на схеме самый левый элемент - кондер на 4700 мкФ.
Аватара пользователя
Radist
 
Сообщения: 2254
Зарегистрирован: 01 июл 2009, 08:59
Откуда: Екатеринбург
прог. языки: асемблер AVR

Re: Робот поворачивающийся к источнику света - как?

Сообщение MegaBIZON » 09 апр 2010, 19:31

мм, ясненько
.............солнце светит, птички поют, я - зелёный бамбук меня тянет к солнцуЯ - зелёный бамбук, я - зелёный бамбук , меня тянет к солнцу. Я - не огурчик и не лягушка, я - зелёный бамбук. Меня курят...............
Аватара пользователя
MegaBIZON
 
Сообщения: 6285
Зарегистрирован: 12 янв 2007, 00:34
Откуда: Масква

Re: Робот поворачивающийся к источнику света - как?

Сообщение Radist » 10 апр 2010, 17:02

Ну вот и мой ответ топикстартеру на вопрос: Робот поворачивающийся к источнику света - как?
Если заинтересуют какие-либо детали - спрашивайте. Ниже фотки и видео. Но хочется написать еще кое-что.
Я ведь поначалу делал бима с вибромоторчиком, но он не потянул батарейку. Есть у меня еще 3 солнечных элемента, можно сделать батарейку на 1,5 В/0,3 А. Но надо как-то облегчить конструкцию (схему тоже придется переделать - компаротор работает от двух вольт).
Ну а этот робот (я его назвал "Щитомордник") также имеет ряд недостатков. Он может двигаться только по ровной поверхности, по безворсовому ковру уже не хочет. И он очень глупый - на свет едет, заезжает в тень и умирает. Если есть идеи повысить его разумность - буду рад узнать.

(поправил ютумбу. <MegaBIZON>)
Вложения
Копия PICT0156.JPG
Копия PICT0157.JPG
Копия PICT0158.JPG
Копия PICT0159.JPG
Аватара пользователя
Radist
 
Сообщения: 2254
Зарегистрирован: 01 июл 2009, 08:59
Откуда: Екатеринбург
прог. языки: асемблер AVR

Re: Робот поворачивающийся к источнику света - как?

Сообщение MegaBIZON » 10 апр 2010, 20:32

так оно ещё и как-то типа вперёд ломится :) в час по чайной ложке, правда...
А как объезжать теневые пятна - а так же, как и твёрдые препятствия. Ставим вперёд усы, чтоб дорогу счупали на предмет свободного пути, а на концы усов вешаем масенькие какие-нибудь фотодиодики, и немного усложняем схемку - попавший в тень ус будет действовать так же, как и упёршийся в стенку.
:pardon:
.............солнце светит, птички поют, я - зелёный бамбук меня тянет к солнцуЯ - зелёный бамбук, я - зелёный бамбук , меня тянет к солнцу. Я - не огурчик и не лягушка, я - зелёный бамбук. Меня курят...............
Аватара пользователя
MegaBIZON
 
Сообщения: 6285
Зарегистрирован: 12 янв 2007, 00:34
Откуда: Масква

Re: Робот поворачивающийся к источнику света - как?

Сообщение Radist » 12 апр 2010, 07:08

Вопрос немного не по теме: а как правильно вставлять ютубовское видео сюда? Только желательно со всеми подробностями - могу не понять :)
Аватара пользователя
Radist
 
Сообщения: 2254
Зарегистрирован: 01 июл 2009, 08:59
Откуда: Екатеринбург
прог. языки: асемблер AVR

Re: Робот поворачивающийся к источнику света - как?

Сообщение MegaBIZON » 12 апр 2010, 10:48

Допустим, имеем такой ютуб-адрес:
Код: Выделить всё
http://www.youtube.com/watch?v=dcvjeSF_jls&feature=channel

Из него выдёргиваем ту белиберду, что между "=" и "&", тоесть "dcvjeSF_jls", и суём её в ютубовский тег.
Получается нечто такое:
Код: Выделить всё
[youtube]dcvjeSF_jls[/youtube]

вуаля!
.............солнце светит, птички поют, я - зелёный бамбук меня тянет к солнцуЯ - зелёный бамбук, я - зелёный бамбук , меня тянет к солнцу. Я - не огурчик и не лягушка, я - зелёный бамбук. Меня курят...............
Аватара пользователя
MegaBIZON
 
Сообщения: 6285
Зарегистрирован: 12 янв 2007, 00:34
Откуда: Масква

Re: Робот поворачивающийся к источнику света - как?

Сообщение Radist » 12 апр 2010, 11:19

Спасибо :) . Сейчас для закрепления навыка....

Зачот :good: <MegaBIZON>
Аватара пользователя
Radist
 
Сообщения: 2254
Зарегистрирован: 01 июл 2009, 08:59
Откуда: Екатеринбург
прог. языки: асемблер AVR

Пред.

Вернуться в BEAM роботы

Кто сейчас на конференции

Сейчас этот форум просматривают: нет зарегистрированных пользователей и гости: 0

cron