
Я хотел сделать на гусеничной основе, но как показала практика маленькие гусеницы не так-то просто сделать, а покупать разные наборы жабка давит

думал вставлю пару моторчиков и поедем и тут меня ждала неудача, редукторов с моторчиком нужного размера не оказалось в наличии. И решил если не гусеницы, то значит колеса

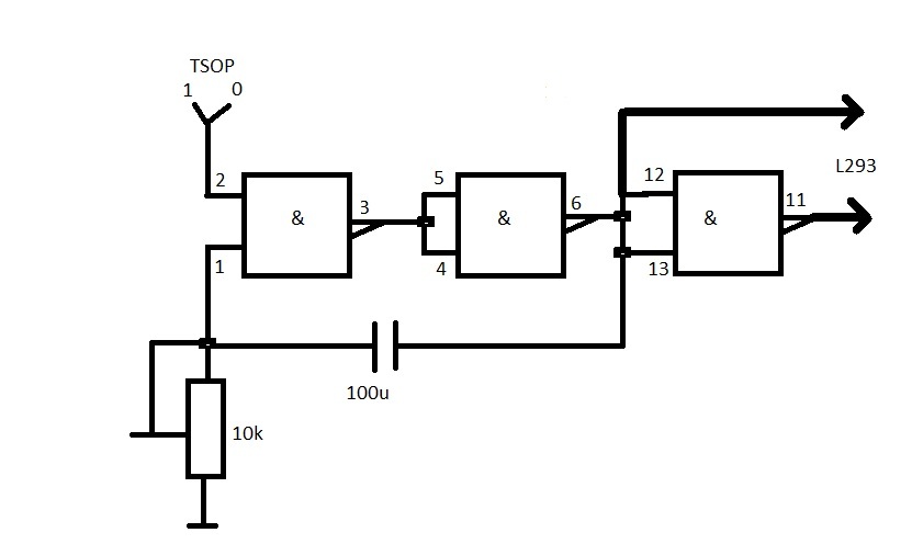
Собрал я эту «багу» по этим двум схемам
Использовал все номиналы как на схеме
L293DNE – драйвер двигателей
К155 ЛА 3 – 2 штуки (логика)
74 НС 00 – 1шт (логика)
TSOP 4836 кГц - 2 шт.
IR LED любые – 3 шт
КТ 3102 - транзистор 1шт
Питание - батарейка от телефона сони ериксон 3,7V.