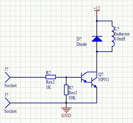
Master писал(а):Ну как то так, не знаю как реле правильно на схеме обозначить, если тебе светодиодом нужно управлять то реле ваще не нужно просто заместо него ставишь светодиод и резистор.
Я вышеприведенную схемку спаял под одну програмку а схемка не работает, потом подключил светодиоды через резисторы 470-Ом, результат нулевой, вероятно ЛПТ-порт спалил....,
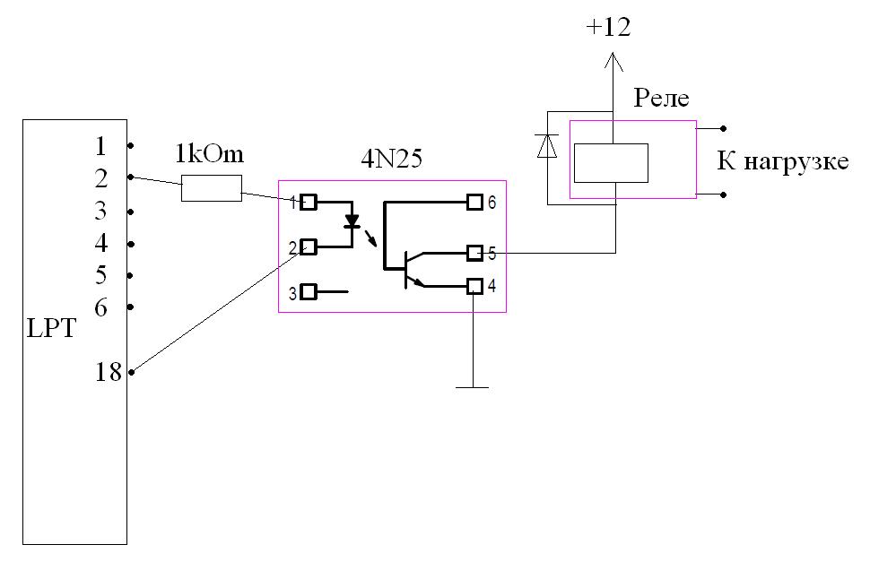
- оказалось достаточно было установить "4N25" и никакой вышеприведенной развязки с транзисторами и конденсаторами не надобно, "оптическая защита" так сказать
- тем не менее спасибо за полезную инфу
