Master писал(а):Лично я работаю с ЛПТ портом исключительно через опторазвязку на 4N25 . А чем ты управлять собрался?
(подробности в ЛС) - скинь мне схемку с 4N25 под ЛПТ-развязку плз. 
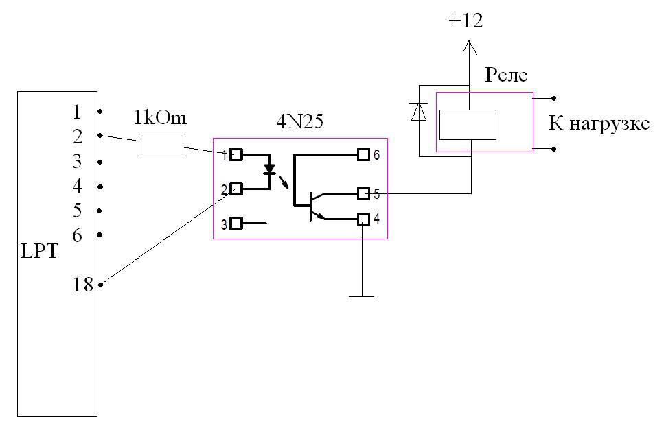
Master писал(а):Ну как то так, не знаю как реле правильно на схеме обозначить, если тебе светодиодом нужно управлять то реле ваще не нужно просто заместо него ставишь светодиод и резистор.

Сейчас этот форум просматривают: нет зарегистрированных пользователей и гости: 0