Собрал устройство, которое по нажатию кнопки (или по приходу определённого SMS)
фотографирует объект, и отсылает MMS по определенному номеру.
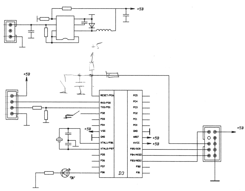
Вот оно))
АТмега связана с SE-Т610 по УАРТу.
Питание устройства и зарядка телефона организована на шиме МС34063.

а как взаимодействовал через УАРТ? где доки брал? 

(семья то у меня большая)