Хочу через СС2500 передовать звук с микрофона на динамик, т.е. технически сделать рацию.
Каким алгоритмом лучше жать?
![]() |
roboforum.ruТехнический форум по робототехнике. |
|
$ilent писал(а):Есть у меня конкретное решение:
А зовут его XE3006
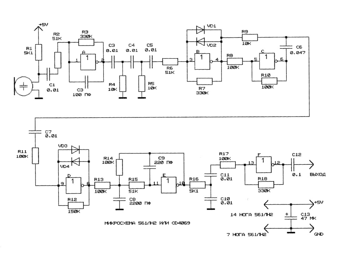
EdGull писал(а):сложу сюда на всякий случай
Схема усилитель-ограничитель речевого сигнала

EdGull писал(а):Хочу через СС2500 передовать звук с микрофона на динамик, т.е. технически сделать рацию.
Каким алгоритмом лучше жать?
N = 4;
last_bits[N] = {0, 0, 0 , 0};
step = 1;
reference = 0;
int sample_bit()
{
sample = ADC;
if (sample > reference) {
bit = 1;
reference += step;
} else {
bit = 0;
reference -= step;
}
last_bits[0..N-2] = last_bits[1..N-1];
last_bits[N-1] = bit;
if (array_sum(last_bits) == N || array_sum(last_bits) == 0) {
step = step * 2;
} else {
step = step / 2;
}
return bit;
}
Сейчас этот форум просматривают: нет зарегистрированных пользователей и гости: 0