Плата на основе Parallax Propeller

Обсуждение и примеры готовых и самосборных компонент для построения роботов.

Re: Плата на основе Parallax Propeller

Сообщение blindman » 12 авг 2010, 08:43

Крутил-вертел по-всякому, не получается все разъемы и кнопку на одну строну вывести, или хотя бы на две смежных, без значительного увеличения габаритов. Добавлю только разъем USB
Проект [[Open Robotics]] - универсальные модули для построения роботов
Модули Open Robotics можно приобрести в магазине shop.roboforum.ru

Day OFF? You must be pulling my leg! Stop making humor before someone sees you, fool!

Аватара пользователя
blindman
 
Сообщения: 4130
Зарегистрирован: 29 апр 2008, 21:15
Откуда: Хабаровск
прог. языки: C,C++,Assembler,PHP,Javascript,Ruby, SPIN,Java(?)
ФИО: Андрей Юрьевич

Re: Плата на основе Parallax Propeller

Сообщение galex1981 » 12 авг 2010, 08:47

Тогда как Антон советовал, отдельно 2 контакта на плате сделай (несмотря на то, что они уже есть в разъемах) недалеко ок кнопки, чтоб ее удлинить, и думаю что будет этого достаточно
if(!Operate) Read(pDatasheet);
Аватара пользователя
galex1981
 
Сообщения: 4363
Зарегистрирован: 04 дек 2008, 22:44
Откуда: Камышин
Skype: galk-aleksandr1
прог. языки: Kotlin, Java, C, C++, Assm, BasCom, VB, php
ФИО: Галкин Александр Владимирович

Re: Плата на основе Parallax Propeller

Сообщение =DeaD= » 12 авг 2010, 09:47

blindman писал(а):Крутил-вертел по-всякому, не получается все разъемы и кнопку на одну строну вывести, или хотя бы на две смежных, без значительного увеличения габаритов. Добавлю только разъем USB

Что значит "не получается" ? Сделать плату чуть более высокой и чуть более короткой, перенести разъем питания, сразу левая сторона освободится - на неё вывести часть ног с пропеллера.
Проект [[Open Robotics]] - Универсальные модули для построения роботов
Аватара пользователя
=DeaD=
 
Сообщения: 24218
Зарегистрирован: 06 окт 2004, 18:01
Откуда: Ебург
прог. языки: C++ / PHP / 1C
ФИО: Антон Ботов

Re: Плата на основе Parallax Propeller

Сообщение blindman » 12 авг 2010, 09:52

Не пойдет. Разъемы должны быть в два ряда. Существует схожая платформа с набором дополнительных модулей, хочется обеспечить совместимость
Проект [[Open Robotics]] - универсальные модули для построения роботов
Модули Open Robotics можно приобрести в магазине shop.roboforum.ru

Day OFF? You must be pulling my leg! Stop making humor before someone sees you, fool!

Аватара пользователя
blindman
 
Сообщения: 4130
Зарегистрирован: 29 апр 2008, 21:15
Откуда: Хабаровск
прог. языки: C,C++,Assembler,PHP,Javascript,Ruby, SPIN,Java(?)
ФИО: Андрей Юрьевич

Re: Плата на основе Parallax Propeller

Сообщение =DeaD= » 12 авг 2010, 09:58

Ок, тогда видимо кому надо - не будут запаивать разъем питания и просто на проводках выведут разъем питания сбоку.
Для удобства можно разъем питания продублировать еще 2-пиновым обычным разъемом с защитой от переполюсовки.
Проект [[Open Robotics]] - Универсальные модули для построения роботов
Аватара пользователя
=DeaD=
 
Сообщения: 24218
Зарегистрирован: 06 окт 2004, 18:01
Откуда: Ебург
прог. языки: C++ / PHP / 1C
ФИО: Антон Ботов

Re: Плата на основе Parallax Propeller

Сообщение blindman » 13 авг 2010, 12:12

Добавил USB-UART. Надо еще сверить расположение разъемов с платформой от Gadget Gangster
Вложения
Platform.png
Проект [[Open Robotics]] - универсальные модули для построения роботов
Модули Open Robotics можно приобрести в магазине shop.roboforum.ru

Day OFF? You must be pulling my leg! Stop making humor before someone sees you, fool!

Аватара пользователя
blindman
 
Сообщения: 4130
Зарегистрирован: 29 апр 2008, 21:15
Откуда: Хабаровск
прог. языки: C,C++,Assembler,PHP,Javascript,Ruby, SPIN,Java(?)
ФИО: Андрей Юрьевич

Re: Плата на основе Parallax Propeller

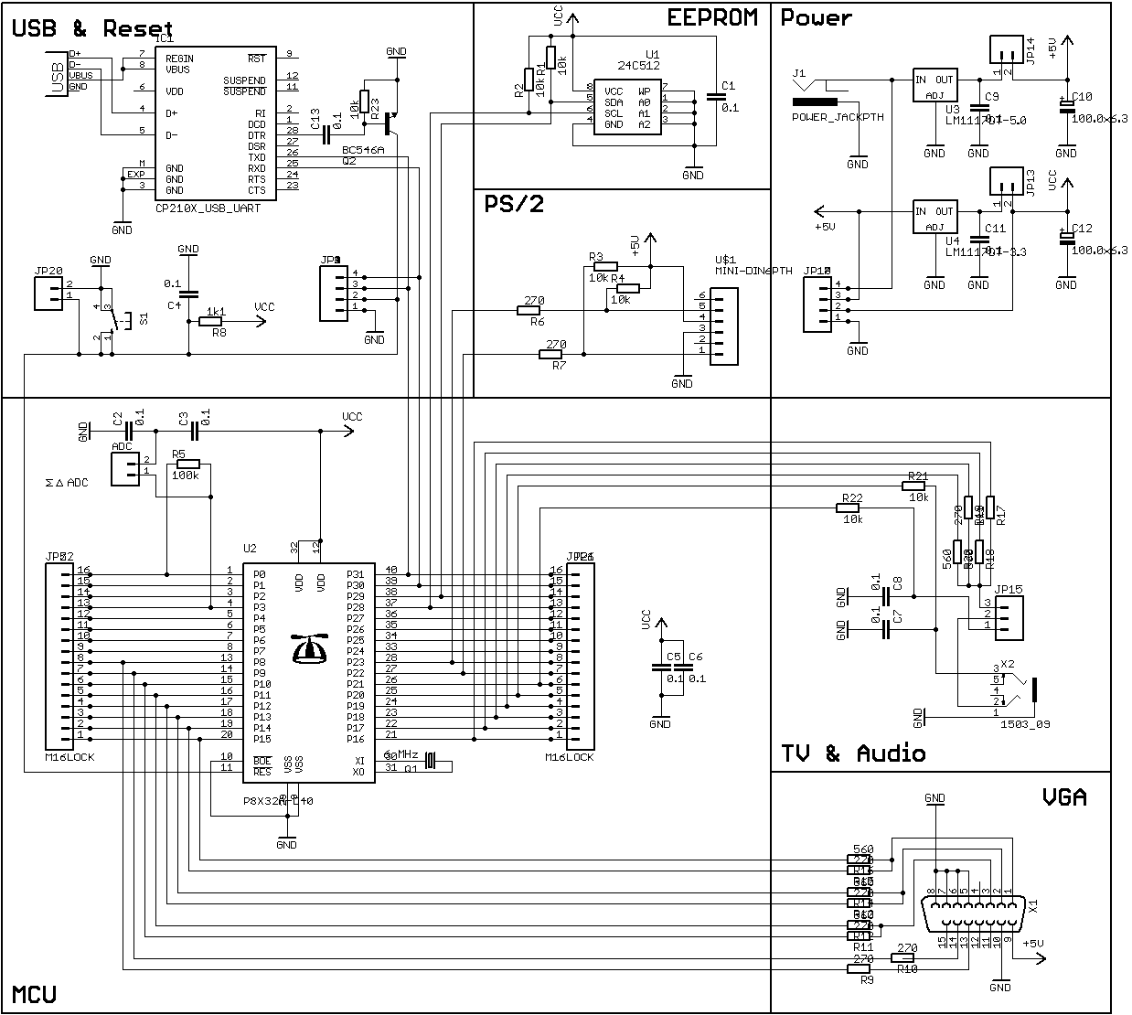
Сообщение blindman » 13 авг 2010, 18:51

Схема
Вложения
PlatformSch.png
Проект [[Open Robotics]] - универсальные модули для построения роботов
Модули Open Robotics можно приобрести в магазине shop.roboforum.ru

Day OFF? You must be pulling my leg! Stop making humor before someone sees you, fool!

Аватара пользователя
blindman
 
Сообщения: 4130
Зарегистрирован: 29 апр 2008, 21:15
Откуда: Хабаровск
прог. языки: C,C++,Assembler,PHP,Javascript,Ruby, SPIN,Java(?)
ФИО: Андрей Юрьевич

Re: Плата на основе Parallax Propeller

Сообщение avr123.nm.ru » 13 авг 2010, 19:18

ряд резисторов надо бы как то разбить на группы раздвинув или смещением, а то напутают с пайкой правильных номиналов.
Читайте !
Аватара пользователя
avr123.nm.ru
отсылающий читать курс
 
Сообщения: 14195
Зарегистрирован: 06 ноя 2005, 04:18
Откуда: Москва

Re: Плата на основе Parallax Propeller

Сообщение Виталий » 13 авг 2010, 20:24

Извиняюсь за небольшой оффтоп, но есть ли хорошая вводная статья про Пропеллер?
Все новости о моих проектах http://savethebest.ru
Аватара пользователя
Виталий
 
Сообщения: 2114
Зарегистрирован: 08 окт 2004, 16:43
Откуда: St. Petersburg
Skype: quark-bot
ФИО: Клебан Виталий

Re: Плата на основе Parallax Propeller

Сообщение Grem » 13 авг 2010, 21:04

пару месяцев назад видел о нем блог на blogspot, если не ошибаюсь - блина он. ссылку не помню уже, можно погуглить попробовать, или его подождать, чтоб сказал :)
"There is nothing better than sliding down snow and flying through the air" (с) Shane McConkey.
Lieber ein Brett am Fuß als eins vorm Kopf, aber lieber ein Brett vorm Kopf als zwei am Fuß.
Аватара пользователя
Grem
 
Сообщения: 1530
Зарегистрирован: 16 май 2009, 12:50
Откуда: Россия
прог. языки: Java, C

Re: Плата на основе Parallax Propeller

Сообщение blindman » 14 авг 2010, 05:42

Места нету резисторы двигать.

По поводу статьи, можно погуглить "Заметки начинающего пропеллиста".

А вообще мануал неплохой - http://www.parallax.com/Portals/0/Downl ... M-v1.1.pdf, есть русский перевод - http://www.parallax.com/Portals/0/Downl ... ussian.pdf

В блог я написал всего пару постов, потом пришлось отложить. К середине сентября разгребу дела, продолжу.

P.S. Grem, будешь коверкать мой ник - рассержусь

Добавлено спустя 1 час 38 минут 35 секунд:
Списался с Gadget Gangster, посоветовали поменять назначение ног пропеллера интерфейсам. Буду переделывать
Проект [[Open Robotics]] - универсальные модули для построения роботов
Модули Open Robotics можно приобрести в магазине shop.roboforum.ru

Day OFF? You must be pulling my leg! Stop making humor before someone sees you, fool!

Аватара пользователя
blindman
 
Сообщения: 4130
Зарегистрирован: 29 апр 2008, 21:15
Откуда: Хабаровск
прог. языки: C,C++,Assembler,PHP,Javascript,Ruby, SPIN,Java(?)
ФИО: Андрей Юрьевич

Re: Плата на основе Parallax Propeller

Сообщение Grem » 14 авг 2010, 22:32

blindman писал(а):P.S. Grem, будешь коверкать мой ник - рассержусь

не надо, нервные клетки не восстанавливаются, у вас же кнопка "Забанить" есть, а ник я не коверкал, а написал ровно половину его.
"There is nothing better than sliding down snow and flying through the air" (с) Shane McConkey.
Lieber ein Brett am Fuß als eins vorm Kopf, aber lieber ein Brett vorm Kopf als zwei am Fuß.
Аватара пользователя
Grem
 
Сообщения: 1530
Зарегистрирован: 16 май 2009, 12:50
Откуда: Россия
прог. языки: Java, C

Re: Плата на основе Parallax Propeller

Сообщение blindman » 13 окт 2010, 12:26

Пропеллеры в дипе приехали, начинаю собирать остальную комплектуху, и заказываю платы.
Вложения
P1140003.JPG
Проект [[Open Robotics]] - универсальные модули для построения роботов
Модули Open Robotics можно приобрести в магазине shop.roboforum.ru

Day OFF? You must be pulling my leg! Stop making humor before someone sees you, fool!

Аватара пользователя
blindman
 
Сообщения: 4130
Зарегистрирован: 29 апр 2008, 21:15
Откуда: Хабаровск
прог. языки: C,C++,Assembler,PHP,Javascript,Ruby, SPIN,Java(?)
ФИО: Андрей Юрьевич

Re: Плата на основе Parallax Propeller

Сообщение NorthStar » 15 окт 2010, 22:24

Ну так и чем кончилось?
Я бы себе такую плату купил. Я паяю плохо, а KIT от пропеллера очень большой с его на платформы, которые у меня есть, не поставить.
NorthStar
 
Сообщения: 317
Зарегистрирован: 13 сен 2010, 12:47

Re: Плата на основе Parallax Propeller

Сообщение blindman » 16 окт 2010, 01:54

Не закончилось пока - я ж только три дня назад только писал, что закупаю комплектующие и платы заказываю. Плату запаянную я пока не планирую, будет набор - плата с запаянными SMD-компонентами и набор выводных компонентов. А какой кит большой сильно? Эта плата тоже немаленькая будет, 102x64 мм
Проект [[Open Robotics]] - универсальные модули для построения роботов
Модули Open Robotics можно приобрести в магазине shop.roboforum.ru

Day OFF? You must be pulling my leg! Stop making humor before someone sees you, fool!

Аватара пользователя
blindman
 
Сообщения: 4130
Зарегистрирован: 29 апр 2008, 21:15
Откуда: Хабаровск
прог. языки: C,C++,Assembler,PHP,Javascript,Ruby, SPIN,Java(?)
ФИО: Андрей Юрьевич

Пред.След.

Вернуться в Готовые модули

Кто сейчас на конференции

Сейчас этот форум просматривают: нет зарегистрированных пользователей и гости: 0

cron