roboforum.ru

Технический форум по робототехнике.


3-х фазные драйверы двигателей HDD, BLDC и АС

Обсуждение и примеры готовых и самосборных компонент для построения роботов.

Re: Обсуждаем драйверы 3-х фазных двигателей (HDD) [отделено]

Сообщение loid » 29 апр 2008, 16:41

Можешь черкануть схемку, с помощью которой запускад двигатель. Видимо в моей есть какой то сзъян, хочу с твоей сравнить.
Аватара пользователя
loid
 
Сообщения: 349
Зарегистрирован: 16 окт 2007, 11:57
Откуда: Минycинck

Re: Обсуждаем драйверы 3-х фазных двигателей (HDD) [отделено]

Сообщение celladon » 29 апр 2008, 16:55

Моей схемы сейчас с собой нет. Но она примерно такая http://home.versanet.de/~b-konze/blmc_b ... ltplan.htm. У меня резисторы на компораторы заменены резисторными сборками и плата сделана под дип корпуса, транзисторы тоже другие.
celladon
 
Сообщения: 37
Зарегистрирован: 17 дек 2007, 11:35
Откуда: СПб

Re: Обсуждаем драйверы 3-х фазных двигателей (HDD) [отделено]

Сообщение avr123.nm.ru » 29 апр 2008, 18:00

ATtiny261 имеет 6 ШИМ выходов с аппаратными паузами - "дет таймами".
Аватара пользователя
avr123.nm.ru
отсылающий читать курс
 
Сообщения: 14195
Зарегистрирован: 06 ноя 2005, 04:18
Откуда: Москва
Предупреждения: -8

Re: Обсуждаем драйверы 3-х фазных двигателей (HDD) [отделено]

Сообщение FireFly » 30 апр 2008, 00:37

avr123.nm.ru писал(а):ATtiny261 имеет 6 ШИМ выходов с аппаратными паузами - "дет таймами".


На меге168 то же 6 шим выходов + полная совместимость с 8-й :wink:
Домашняя робототехника - RoboZone.SU
горючее...- пиво... много... :)
Аватара пользователя
FireFly
 
Сообщения: 1576
Зарегистрирован: 19 июн 2005, 18:27
Откуда: Камышин

Re: Обсуждаем драйверы 3-х фазных двигателей (HDD) [отделено]

Сообщение celladon » 30 апр 2008, 09:06

А еще мега48 и мега88 имеют 6 шимов.
А зачем они здесь нужны. Достаточно и одного. Это моя опытная плата.
Вложения
8.JPG
8.JPG (14.55 КиБ) Просмотров: 5755
celladon
 
Сообщения: 37
Зарегистрирован: 17 дек 2007, 11:35
Откуда: СПб

Re: Обсуждаем драйверы 3-х фазных двигателей (HDD) [отделено]

Сообщение Digit » 30 апр 2008, 09:08

А я вот читаю даташит на тиньку261 и вижу:
даташит версии 2588BS–AVR–11/06 писал(а):3 High Frequency PWM Outputs with Separate Output Compare Registers
Programmable Dead Time Generator

И где там 6 ШИМов? :)
злой полицейский
Аватара пользователя
Digit
 
Сообщения: 3339
Зарегистрирован: 27 ноя 2004, 00:42
Откуда: совсем Москва
ФИО: Григорий

Re: Обсуждаем драйверы 3-х фазных двигателей (HDD) [отделено]

Сообщение avr123.nm.ru » 30 апр 2008, 09:19

FireFly писал(а):На меге168 то же 6 шим выходов

У 48 88 168 нет аппаратных пауз и ШИМ не работает как пары. Т.е. могут быть "глитчи" формирования ШИМ из за которых сквозной ток возможен.

FireFly писал(а): + полная совместимость с 8-й :wink:

БРЕД !!!

Добавлено спустя 4 минуты 59 секунд:
Digit писал(а):И где там 6 ШИМов? :)


Мало читать ! надо ДУМАТЬ ! и зырить ! рисунок МК в дш.

Зврить описание ШИМ. Зырить апноут AVR449.

И считать ШИМ-ы ...

А потому дотумкаться почему 6 названы как 3 ! Причину я выше указал.

3.1.3 Generating PWM signals with dead-time with ATtiny261/461/861

The Timer/Counter1 (TC1) module of the ATtinyX61 family is very well suited for driving three phase motors. It can be run from a 64MHz PLL, and has a resolution of 10 bits.

Six PWM outputs can be generated from this timer, grouped into three complementary output pairs with configurable dead-time.

The “PWM6” mode is perfect for block commutation of brushless DC motors and a hardware fault protection unit can disable the PWM drivers without any intervention from the CPU for maximum safety.


http://www.atmel.com/dyn/resources/prod ... oc8030.pdf

http://www.atmel.com/dyn/resources/prod ... oc7551.pdf
Аватара пользователя
avr123.nm.ru
отсылающий читать курс
 
Сообщения: 14195
Зарегистрирован: 06 ноя 2005, 04:18
Откуда: Москва
Предупреждения: -8

Re: Обсуждаем драйверы 3-х фазных двигателей (HDD) [отделено]

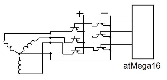
Сообщение loid » 01 май 2008, 07:26

Понимаю что в моём варианте схемы драйвера что то не так, сильно не смейтесь - объясните :cry:
Вложения
drive.JPG
Аватара пользователя
loid
 
Сообщения: 349
Зарегистрирован: 16 окт 2007, 11:57
Откуда: Минycинck

Re: Обсуждаем драйверы 3-х фазных двигателей (HDD) [отделено]

Сообщение Duhas » 01 май 2008, 14:58

"-" он же "0","земля"?
«Как сердцу выразить себя? … Мысль изреченная есть ложь!»
В этом мире меня подводит доброта и порядочность...
"двое смотрят в лужу, один видит лужу, другой отраженные в ней звезды"
Аватара пользователя
Duhas
 
Сообщения: 6338
Зарегистрирован: 15 сен 2007, 13:03
Откуда: Красноярск
прог. языки: ASM(МК), C(PC)
ФИО: Гагарский Андрей Александрович

Re: Обсуждаем драйверы 3-х фазных двигателей (HDD) [отделено]

Сообщение avr123.nm.ru » 01 май 2008, 15:48

loid писал(а):Понимаю что в моём варианте схемы драйвера что то не так, сильно не смейтесь - объясните :cry:


Посмотрите КАК ПРАВИЛЬНО !
например в апноутах AVR449 AVR447 - http://avr123.nm.ru/07.htm в низу.

Всегда начинайте изобретать с просмотра того, что уже сделали до вас !
Аватара пользователя
avr123.nm.ru
отсылающий читать курс
 
Сообщения: 14195
Зарегистрирован: 06 ноя 2005, 04:18
Откуда: Москва
Предупреждения: -8

Re: Обсуждаем драйверы 3-х фазных двигателей (HDD) [отделено]

Сообщение loid » 01 май 2008, 16:52

Там же просто ДатаШит, вы скажите что в схеме не так.
--
Да, "-" это нуль.
Аватара пользователя
loid
 
Сообщения: 349
Зарегистрирован: 16 окт 2007, 11:57
Откуда: Минycинck

Re: Обсуждаем драйверы 3-х фазных двигателей (HDD) [отделено]

Сообщение avr123.nm.ru » 01 май 2008, 17:10

loid писал(а):Там же просто ДатаШит, вы скажите что в схеме не так.


Браво ! Гомер.

Действительно ...

таблица Table 5-1 написана не разборчиво

схема Figure 5-2 не понятна

линк не правильный:
ATAVRMC100 hardware user guide rev. B, February 2006
http://www.atmel.com/dyn/resources/prod ... oc7551.pdf

УжОс ...
Аватара пользователя
avr123.nm.ru
отсылающий читать курс
 
Сообщения: 14195
Зарегистрирован: 06 ноя 2005, 04:18
Откуда: Москва
Предупреждения: -8

Re: 3-х фазные драйверы двигателей HDD, BLDC и АС

Сообщение Myp » 06 май 2008, 12:17

на 28 странице схема нарисована принципиальная...
<telepathmode>На вопросы отвечает Бригадир Телепатов!</telepathmode>
Всё уже придумано до нас!
Аватара пользователя
Myp
скрытый хозяин вселенной :)
 
Сообщения: 18018
Зарегистрирован: 18 сен 2006, 12:26
Откуда: Тверь по прозвищу Дверь
прог. языки: псевдокод =) сила в алгоритме!
ФИО: глубокоуважаемый Фёдор Анатольевич

Пред.

Вернуться в Готовые модули

Кто сейчас на конференции

Сейчас этот форум просматривают: нет зарегистрированных пользователей и гости: 0

cron